Мотор-редукторы планетарные 3МП 31,5 предназначены для снижения частоты вращения и передачи крутящего момента механизмам общемашиностроительного назначения, исключая механизмы для подъема груза.
Используются в буровых установках предназначенных для бурения на воду, в конвейерах шнековых, ленточных, а также других установках промышленного назначения.
Состоит из редуктора с зубчатой передачей, планетарной архитектурой — колеса-сателлиты с зубьями вращаются вокруг центрального колеса на вале двигателя.
| МОТОР-РЕДУКТОР 3МП-31,5 | ||||||
|---|---|---|---|---|---|---|
| Номинальная частота вращения выходного вала, об/мин | Номинальный крутящий момент на выходном валу, Н·м | Комплектующий электродвигатель | Допускаемая радиально-консольная нагрузка на выходном валу, Н | КПД редукторной части, % | Масса редукторной части, кг (не более) | |
| Марка | Мощность, кВт | |||||
| трехступенчатые 3МП-31,5 | ||||||
| 3,55 | 230 | АИР63А6 | 0,18 | 3500 | 96 | 24 |
| 4,4 | 210 | АИР63А6 | 0,18 | |||
| 5,6 | 195 | АИР63А6 | 0,18 | |||
| 7,1 | 230 | АИР63А4 | 0,25 | |||
| 9 | 180 | АИР63А4 | 0,25 | |||
| 12,5 | 180 | АИР63А4 | 0,25 | |||
| 16 | 210 | АИР63А2 | 0,37 | |||
| двухступенчатые 3МП-31,5 | ||||||
| 18 | 190 | АИР80А8 | 0,37 | 3300 | 97 | 19 |
| 130 | АИР71В8 | 0,25 | ||||
| 22,4 | 225 | АИР80В8 | 0,55 | |||
| 105 | АИР71В8 | 0,25 | ||||
| 28 | 180 | АИР71В6 | 0,55 | |||
| 120 | АИР71А6 | 0,37 | ||||
| 35,5 | 195 | АИР71В4 | 0,75 | |||
| 145 | АИР71А4 | 0,55 | ||||
| 45 | 160 | АИР71В4 | 0,75 | |||
| 115 | АИР71А4 | 0,55 | ||||
| 56 | 180 | АИР71В2 | 1,1 | |||
| 120 | АИР71А2 | 0,75 | ||||
| 71 | 195 | АИР80А2 | 1,5 | |||
| 145 | АИР71В2 | 1,1 | ||||
| 90 | 225 | АИР80В2 | 2,2 | |||
| 115 | АИР71В2 | 1,1 | ||||
| одноступенчатые 3МП-31,5 | ||||||
| 112 | 185 | АИР100LА6 | 2,2 | 1800 | 98 | 23 |
| 125 | АИР90L6 | 1,5 | ||||
| 140 | 200 | АИР100S4 | 3 | |||
| 145 | АИР90L4 | 2,2 | ||||
| 180 | 210 | АИР100L4 | 4 | |||
| 115 | АИР90L4 | 2,2 | ||||
| 280 | 185 | АИР100L2 | 5,5 | |||
| 135 | АИР100S2 | 4 | ||||
| Типоразмер |
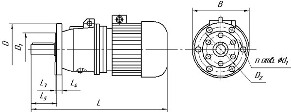
| Обозначение мотор-редуктора | Частота вращения выходного вала, об/мин | L | B | L3 | L4 | L5 | D | D1 | D2 | d2 | n |
|---|---|---|---|---|---|---|---|---|---|---|---|
| Не более | |||||||||||
| 3МП-31,5 | 3,55…16 | 460 | 190 | 5 | 12 | 68 | 180 | 130 | 155 | 12 | 6 |
| 18…90 | 510 | 200 | |||||||||
| 112…280 | 590 | 250 | |||||||||
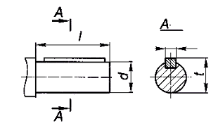
| Мотор-редуктор | d | l | b | t |
| ЗМП-31,5 | 28k6 | 60 | 8 | 31 |
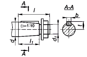
| Мотор-редуктор | d | d1 | l | L1 | b | t |
| ЗМП-31,5 | 28 | М16х1,5 | 60 | 42 | 5 | 14,95 |
| Мотор-редуктор | d | l | b | t |
| ЗМП-31,5 | 25Н7 | 55 | 8 | 28,1 |
Номинальная частота вращения выходного вала, об/мин 3,55
Номинальный крутящий момент на выходном валу, Нм 230
Марка эл. дв. АИР63А6
Мощность эл.дв., кВт 0,18
Допускаемая радиально-консольная нагрузка на вых.валу, Н 3500
КПД редукторной части, % 96
Вес, кг 24
