Цилиндрический мотор-редуктор 4МЦ2С 100 относится к довольно широкой промышленной группе цилиндрических редукторов, оснащенных общепромышленным двигателем, и может применяться в широком круге задач. Цилиндрические двухступенчатые мотор-редукторы 4МЦ2С позволяют обеспечить необходимую скорость вращения на выходном валу. Они предназначены для продолжительного режима работы. Применение мотор-редукторов 4МЦ2С 100 позволяет упростить конструкцию привода и существенно уменьшить затраты на его обслуживание и эксплуатацию. Мотор-редукторы 4МЦ2С 100 имеют высокие эксплуатационные характеристики: ресурс зубчатых передач составляет 40000 часов, а гарантийный срок эксплуатации 2 года.
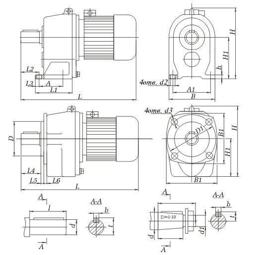
| 4МЦ2С | d1 | d2 | d3 | L | L1 | b | t | n | m |
|---|---|---|---|---|---|---|---|---|---|
| 63 | 28 | M16x1,5-8g | 28k6 | 60 | 42 | 5 | 14,9 | 8 | 31 |
| 80 | 35 | М20х1,5-8g | 35k6 | 80 | 58 | 6 | 18,5 | 10 | 38 |
| 100 | 45 | М30х2-8g | 45k6 | 110 | 82 | 12 | 23,45 | 14 | 48,5 |
| 125 | 55 | МЗ6х3-8g | 55k6 | 110 | 82 | 14 | 28,9 | 16 | 5 |
Назначение: Мотор-редукторы цилиндрические двух- и трехступенчатые с эвольвентными шлифованными зубчатыми передачами 4МЦ2С 100 предназначены для изменения крутящих моментов и уменьшения чисел оборотов в приводах различных машин и механизмов, работающих в повторно-кратковременном режиме. Мотор-редукторы 4МЦ2С 100 изготавливаются с твердыми цементованными шлифованными зубчатыми парами. Это обеспечивает повышенную нагрузочную способность и снижение шумовых характеристик.
Мотор-редукторы изготавливаются с резиновыми уплотнениями фирмы Simrit, по отдельному заказу могут комплектоваться импортными подшипниками качения фирм SKF, FAG.
Номинальный крутящий момент на тихоходном валу приведен в таблицах с учетом выбора типоразмера редуктора с использованием эксплуатационного коэффициента Kf (сервис-фактора).
Допускаемое отклонение частоты вращения выходного вала от номинального значения составляет не более 4 %.
Условия эксплуатации:
— работа в повторно-кратковременных режимах, т. е. при переменных нагрузках с
периодическими остановками, нагрузка одного направления и реверсивная;
— вращение валов в любую сторону;
— неагрессивная среда, атмосфера типов I и II по ГОСТ 15150 при запыленности воздуха не более 10 мг/м3;
— климатические исполнения — У1, У2, УЗ, УХЛ-4, Т1, Т2, ТЗ и О4 по ГОСТ 15150.
| Типоразмер | Номинальная частота вращения выходного вала, об/мин | Номинальный крутящий момент на тихоходном валу, H*м | Радиальная консольная нагрузка на конце тихоходного вала, Н | Масса без смазки, не более, кг | Типоразмер двигателя | Мощность двигателя | КПД мотор-редуктора, %, не менее |
|---|---|---|---|---|---|---|---|
| 4МЦ2С-63 | 28 | 175 | 3300 | 21 | АИР71В6Р3 | 0,55 | 66 |
| 35,5 | 140 | 3000 | 21 | АИР71В6Р3 | 66 | ||
| 190 | 3500 | 27 | АИР80А6Р3 | 0,75 | 68 | ||
| 45 | 113 | 2600 | 21 | АИР71В6Р3 | 0,55 | 66 | |
| 154 | 3100 | 27 | АИР80А6Р3 | 0,75 | 68 | ||
| 56 | 96 | 2400 | 21 | АИР71А4Р3 | 0,55 | ||
| 140 | 3000 | АИР71В4Р3 | 0,75 | 73 | |||
| 206 | 3400 | 27 | АИР80А4Р3 | 1,1 | |||
| 71 | 75 | 2100 | 21 | АИР71А4Р3 | 0,55 | 72 | |
| 105 | 2600 | АИР71В4Р3 | 0,75 | 73 | |||
| 148 | 3000 | 27 | АИР80А4Р3 | 1,1 | |||
| 90 | 57 | 1800 | 21 | АИР71А4Р3 | 0,55 | 72 | |
| 78 | 2200 | АИР71В4Р3 | 0,75 | 73 | |||
| 112 | 2600 | 27 | АИР80А4Р3 | 1,1 | |||
| 153 | 3100 | АИР80В4Р3 | 1,5 | 75 | |||
| 112 | 47 | 1700 | 21 | АИР71А4Р3 | 0,55 | 72 | |
| 65 | 2000 | АИР71В4Р3 | 0,75 | 73 | |||
| 92 | 2300 | 27 | АИР80А4Р3 | 1,1 | |||
| 128 | 2400 | АИР80В4Р3 | 1,5 | 75 | |||
| 187 | 3400 | 32 | АИР90L4Р3 | 2,2 | 78 | ||
| 125 | 43 | 1600 | 21 | АИР71А4Р3 | 0,55 | 72 | |
| 59 | 1900 | АИР71В4Р3 | 0,75 | 73 | |||
| 84 | 2300 | 27 | АИР80А4Р3 | 1,1 | |||
| 114 | 2600 | АИР80В4Р3 | 1,5 | 75 | |||
| 159 | 3100 | АИР80В2Р3 | 2,2 | 80 | |||
| 140 | 37 | 1500 | 21 | АИР71А4Р3 | 0,55 | 72 | |
| 52 | 1800 | АИР71В4Р3 | 0,75 | 73 | |||
| 73 | 2100 | 27 | АИР80А4Р3 | 1,1 | |||
| 101 | 2500 | АИР80В4Р3 | 1,5 | 75 | |||
| 149 | 3100 | АИР80В2Р3 | 2,2 | 80 | |||
| 180 | 27 | 1300 | 16 | АИР63В2 | 0,55 | 72 | |
| 36 | 1500 | 21 | АИР71А2Р3 | 0,75 | 75 | ||
| 53 | 1800 | АИР71В2Р3 | 1,1 | ||||
| 73 | 2100 | 27 | АИР80А2Р3 | 1,5 | 74 | ||
| 107 | 2500 | АИР80В2Р3 | 2,2 | 86 | |||
| 150 | 3000 | 32 | АИР90L2Р3 | 3,0 | 81 | ||
| 224 | 22 | 1100 | 16 | АИР63В2 | 0,55 | 72 | |
| 29 | 1300 | 21 | АИР71А2Р3 | 0,75 | 75 | ||
| 46 | 1700 | АИР71В2Р3 | 1,1 | ||||
| 63 | 1900 | 27 | АИР80А2Р3 | 1,5 | 74 | ||
| 92 | 2400 | АИР80В2Р3 | 2,2 | 86 | |||
| 125 | 2700 | 32 | АИР90L2Р3 | 3,0 | 81 | ||
| 280 | 18 | 1000 | 16 | АИР63В2 | 0,55 | 72 | |
| 24 | 1200 | 21 | АИР71А2Р3 | 0,75 | 75 | ||
| 36 | 1500 | АИР71В2Р3 | 1,1 | ||||
| 50 | 1700 | 27 | АИР80А2Р3 | 1,5 | 74 | ||
| 73 | 2100 | АИР80В2Р3 | 2,2 | 86 | |||
| 99 | 2400 | 32 | АИР90L2Р3 | 3,0 | 81 | ||
| 4МЦ2С-80 | 28 | 250 | 4000 | 36 | АИР90LА8Р3 | 0,75 | 72 |
| 368 | 4800 | 40 | АИР90LВ8Р3 | 1,1 | 74 | ||
| 35,5 | 292 | 4300 | |||||
| 368 | 4800 | 37 | АИР90L6Р3 | 1,5 | 73 | ||
| 45 | 230 | 3800 | 40 | АИР90LВ8Р3 | 1,1 | 74 | |
| 304 | 4400 | 37 | АИР90L6Р3 | 1,5 | 73 | ||
| 56 | 242 | 3900 | 37 | АИР90L6Р3 | 1,5 | 73 | |
| 366 | 4800 | 36 | АИР90L4Р3 | 2,2 | 78 | ||
| 46 | АИР100L6Р3 | ||||||
| 71 | 190 | 3400 | 37 | АИР90L6Р3 | 1,5 | 73 | |
| 303 | 4300 | 36 | АИР90L4Р3 | 2,2 | 78 | ||
| 46 | АИР100L6Р3 | ||||||
| 393 | 5000 | 41 | АИР100S4Р3 | 3,0 | 79 | ||
| 90 | 228 | 3800 | 36 | АИР90L4Р3 | 2,2 | 78 | |
| 46 | АИР100L6Р3 | ||||||
| 310 | 4200 | 41 | АИР100S4Р3 | 3,0 | 79 | ||
| 112 | 185 | 3400 | 36 | АИР90L4Р3 | 2,2 | 78 | |
| 250 | 4000 | 41 | АИР100S4Р3 | 3,0 | 79 | ||
| 332 | 4600 | 47 | АИР100L4Р3 | 4,0 | 82 | ||
| 125 | 230 | 3800 | 41 | АИР100S4Р3 | 3,0 | 82 | |
| 307 | 4400 | 47 | АИР100L4Р3 | 4,0 | 82 | ||
| 140 | 256 | 4000 | 47 | АИР100L4Р3 | 4,0 | 82 | |
| 302 | 4800 | 51 | АИР100L2Р3 | 5,5 | 85 | ||
| 180 | 200 | 3500 | 47 | АИР100L4Р3 | 4,0 | 82 | |
| 43 | АИР100S2Р3 | 84 | |||||
| 280 | 4200 | 51 | АИР100L2Р3 | 5,5 | 85 | ||
| 224 | 165 | 3300 | 43 | АИР100S2Р3 | 4,0 | 84 | |
| 227 | 3800 | 51 | АИР100L2Р3 | 5,5 | 85 | ||
| 280 | 127 | 2800 | 47 | АИР100S2Р3 | 4,0 | 84 | |
| 175 | 3300 | 51 | АИР100L2Р3 | 5,5 | 85 | ||
| 4МЦ2С-100 | 28 | 445 | 5300 | 79 | АИР100L8Р3 | 1,5 | 71 |
| 655 | 6400 | 81 | АИР100L6Р3 | 2,2 | 77 | ||
| 31,5 | 440 | 5200 | 79 | АИР100L8Р3 | 1,5 | 71 | |
| 35,5 | 555 | 6000 | 81 | АИР100L6Р3 | 2,2 | 77 | |
| 710 | 6700 | 100 | АИРМ112МА6Р3 | 3,0 | |||
| 45 | 440 | 5300 | 81 | АИР100L6Р3 | 2,2 | 77 | |
| 595 | 6100 | 74 | АИР100S4Р3 | 3,0 | 78 | ||
| 56 | 505 | 5700 | 74 | АИР100S4Р3 | 3,0 | 78 | |
| 675 | 6500 | 81 | АИР100L4Р3 | 4,0 | 82 | ||
| 71 | 535 | 5800 | 81 | АИР100L4Р3 | 4,0 | 82 | |
| 710 | 6700 | 99 | АИРМ112М4Р3 | 5,5 | 83 | ||
| 90 | 405 | 5100 | 81 | АИР100L4Р3 | 4,0 | 82 | |
| 545 | 5900 | 99 | АИРМ112М4Р3 | 5,5 | 83 | ||
| 112 | 450 | 5400 | 99 | АИРМ112М4Р3 | 5,5 | 83 | |
| 620 | 6300 | 100 | АИРМ112М2Р3 | 7,5 | 85 | ||
| 125 | 375 | 4800 | 99 | АИРМ112М4Р3 | 5,5 | 83 | |
| 537 | 5800 | 100 | АИРМ112М2Р3 | 7,5 | 85 | ||
| 140 | 490 | 5600 | |||||
| 160 | 445 | 5200 | |||||
| 224 | 314 | 4400 | |||||
| 280 | 244 | 3900 | |||||
| 4МЦ2С-125 | 28 | 935 | 7700 | 122 | АИРМ112МА6Р3 | 3,0 | 77 |
| 1245 | 8800 | 126 | АИРМ112МВ6Р3 | 4,0 | 79 | ||
| 35,5 | 975 | 7800 | 126 | АИРМ112МВ6Р3 | 4,0 | 79 | |
| 1340 | 9200 | 148 | АИРМ132S6Р3 | 5,5 | 83 | ||
| 45 | 780 | 700 | 126 | АИРМ112МВ6Р3 | 4,0 | 79 | |
| 1120 | 8400 | 127 | АИРМ112М4Р3 | 5,5 | 83 | ||
| 56 | 880 | 7400 | 127 | АИРМ112М4Р3 | 5,5 | 83 | |
| 148 | АИРМ132S6Р3 | 5,5 | 83 | ||||
| 1200 | 8700 | 151 | АИРМ132S4Р3 | 7,5 | 84 | ||
| 71 | 960 | 7800 | |||||
| 1410 | 9400 | 166 | АИРМ132М4Р3 | 11,0 | 85 | ||
| 90 | 775 | 7000 | 151 | АИРМ132S4Р3 | 7,5 | 84 | |
| 1140 | 8500 | 166 | АИРМ132М4Р3 | 11,0 | 85 | ||
| 112 | 895 | 7500 | 166 | АИРМ132М4Р3 | 11,0 | 85 | |
| 1210 | 8700 | 206 | АИРМ160S4Р3 | 15,0 | 84 | ||
| 140 | 704 | 6600 | 166 | АИРМ132М4Р3 | 11,0 | 85 | |
| 940 | 7700 | 206 | АИРМ160S4Р3 | 15,0 | 84 | ||
| 1165 | 8600 | 228 | АИРМ160М4Р3 | 18,5 | 86 | ||
| 180 | 557 | 5900 | 160 | АИРМ132М2Р3 | 11,0 | 84 | |
| 760 | 6900 | 206 | АИРМ160S4Р3 | 15,0 | 84 | ||
| 940 | 7700 | 228 | АИРМ160S4Р3 | 15,0 | 84 | ||
| 224 | 447 | 5200 | 160 | АИРМ132М2Р3 | 11,0 | 84 | |
| 609 | 6100 | 197 | АИРМ160S2Р3 | 15,0 | |||
| 752 | 6800 | 207 | АИРМ160М2Р3 | 18,5 | 86 |
Пример условного обозначения при заказе:
4МЦ2С-125-53-7,5-У1, 380В, где: мотор-редуктор (М) этапа модернизации (4), цилиндрический (Ц); двухступенчатый (2); с межосевым расстоянием 125 мм; с номинальной частотой вращения выходного вала 53 об/мин; мощностью электродвигателя 7,5 кВт; климатическим исполнением У и категорией размещения 1 по ГОСТ 15150; номинальным напряжением сети переменного тока 380В.
Типоразмер 4МЦ2С-125
Номинальная частота вращения выходного вала, об/мин 28
Номинальный крутящий момент на тихоходном валу, H*м 935
Радиальная консольная нагрузка на конце тихоходного вала, Н 7700
Масса без смазки, не более, кг 122
Типоразмер двигателя АИРМ112МА6Р3
Мощность двигателя 3,0
КПД мотор-редуктора, %, не менее 77
