Угловой мотор-редуктор K107 представляет собой трехступенчатый коническо-цилиндрический привод мощностью до 45 кВт. Агрегат комплектуется двигателем ABLE, XINRUI, SIEMENS или АИР, сопряженным с редуктором через фланец. Крутящий момент — до 8000 Нм. Максимальная радиальная нагрузка на валу — 65 000 Н.
K107 — лапы / цельный вал
KF107 — фланец / цельный вал
KA107 — лапы / полый вал
KA107B — корпус B / лапы / полый вал
KAF107 — фланец / полый вал
| 1 | 2 | 3 | 4 | 5 | 5.1 | 6 |
| в сборе с двигателем | ||||||
|---|---|---|---|---|---|---|
| K | 77 | 25,03 | 56 | 4,0 | (S) | M1 |
| без электродвигателя | ||||||
| K | 77 | 25,03 | 112B5 | (б/дв) | M1 | |
| возможные значения параметров | ||||||
| K, KB, KA, KH, KF, KV, KAF, KAZ, KHF, KVZ | 37, 47, 57, 67, 77, 87, 97, 107, 127, 157, 167, 187 | 3 — 300 | 2 — 560 | 0,12; 0,18; 0,25; 0,37; 0,55; 0,75; 1,1; 1,5; 2,2; 3; 4; 5,5; 7,5; 11; 15; 22; 30; 37; 45; 55; 75; 90; 110; 132; 160; 200 | не обозначается, MY, MSEJ, BMA, АИР, АИМ, 4ВР | M1, M2, M3, M4, M5, M6 |
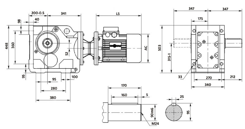
| Типоразмер | a b c | e1e2f | g1g2g3 | h1h2 | j | k | m n | Размеры выходных валов | ||||
| d | I | I1I2 | S | t u | ||||||||
| К-107 / КА-107В | 360 280 270 | 448 380 340 | 95 95 212 | 315-1200-0.5 | 40 | 33 | 98 100 | 90m6 | 170 | 5 160 | M24 | 95 25 |
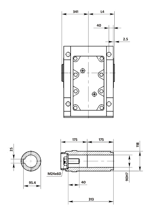
| Типоразмер | Размеры полого выходного вала | H | L1L2 | L3 | N | Q | ||||||
| d1 | d2 | I3I4 | I5I6 | I7I8 | s1 | t1u1 | ||||||
| К-107 / КА-107В | 90H7 | 118 | 178 175 | 40 2.5 | 40 313 | M 24×60 | 95.4 25 | 503 | 347 175 | 341 | 52 | 350 |
Типоразмер мотор-редуктора | K107 |
Передаточные числа | 3,98-164,50 |
Макс. выходной вращающий момент | 69-31500 Нм |
Ресурс | В среднем ресурс работы 15000 часов с сервис фактором FS=1 |
Корпус | Литой из высокопрочного чугуна |
Тип масла | Индустриальное синтетическое масло на весь срок службы Заливается при сборке редуктора. Вязкость в соответствии с ISO |
Варианты исполнения | На лапах, фланцевое |
Диапазон мощностей мотор-редукторов | 0,12-200 кВт |

Как правило, червячный мотор-редуктор предназначен для постепенного снижения частоты вращения вала двигателя и непосредственно для передачи момента. Используется агрегат в самых разных сферах промышленности, для приводов машин и механизмов, станков и конвейеров, вспомогательных устройств. Встречается коническо-цилиндрический мотор-редуктор серии K на различных предприятиях в сельскохозяйственной, строительной и промышленной сферах. Наиболее активно используется механизм в машиностроении. Немного реже агрегат используется при автоматизации производственного процесса, создании конвейерных линий и полной модернизации электрических систем. Новейшее производственное оснащение нашей компании позволяет снизить стоимость и увеличить срок службы каждой детали. А цена на приводную продукцию и аксессуары прямо со склада порадует. Заказать доставку товара и уточнить все ее аспекты вы можете по телефонам наших специалистов.
Цилиндро-конические мотор-редукторы серии K имеют 12 типоразмеров, комплектуются асинхронными коротко замкнутыми электродвигателями переменного тока, по требованию заказчика возможна установка специальных электродвигателей. Серия K имеет большой диапазон передаточных отношений, что позволит получить любую частоту вращения на тихоходном валу. Для удобства работы и крепления имеются дополнительные опции: (выходные одно, двухсторонние цилиндрические валы, опорные фланцы, реактивные тяги и т.д.).
Мотор-редуктор в данной серии имеет некоторые особенности. В частности, это возможность легкой интеграции в электрическую систему оборудования. Редуктор можно охарактеризовать как механизм, обеспечивающий четкую работу при наличии минимального числа люфтов, а также обладающий высокой надежностью и долговечностью. Изготавливается привод по модульному принципу, при этом можно будет легко и просто осуществить замену, ремонт или же его модернизацию. Вместе с тем модернизация позволит увеличить диапазон использования оборудования. Устройство имеет корпус, изготовленный из чугуна высокого качества посредством технологии точного литья.
| Пе | Час | Мак | До | AD |
|---|---|---|---|---|
| 143,47 | 9,8 | 8000 | 65000 | AD4 |
| 121,46 | 12 | 8000 | 61700 | |
| 112,41 | 12 | 8000 | 59700 | |
| 100,75 | 14 | 8000 | 57000 | |
| 90,96 | 15 | 8000 | 54600 | |
| 82,61 | 17 | 8000 | 52400 | |
| 73,30 | 19 | 8000 | 49700 | |
| 66,52 | 21 | 8000 | 47600 | |
| 57,17 | 24 | 8000 | 44400 | |
| 49,90 | 28 | 7840 | 42200 | |
| 42,33 | 33 | 7360 | 40500 | AD5 |
| 37,00 | 38 | 7200 | 38500 | |
| 32,69 | 43 | 7200 | 36300 | |
| 31,28 | 45 | 6800 | 36700 | |
| 29,00 | 48 | 7200 | 34000 | AD6 |
| 26,32 | 53 | 7200 | 32000 | |
| 22,62 | 62 | 7200 | 28900 | |
| 19,74 | 71 | 7200 | 26100 | |
| 16,75 | 84 | 7050 | 23600 | |
| 14,64 | 96 | 6890 | 21900 | |
| 13,43 | 104 | 4300 | 29200 | |
| 11,73 | 119 | 4300 | 27500 | |
| 9,94 | 141 | 4190 | 25800 | |
| 8,69 | 161 | 4070 | 24600 |
| Мощ | Час | Кру | Пере | Ра | Сер | Испол | Элек | Мас |
|---|---|---|---|---|---|---|---|---|
| 0.12 | 0.10 0.11 0.13 0.14 0.17 0.19 0.22 0.24 0.27 0.32 | 9590 8060 6930 6280 5410 4720 3760 3320 3020 2700 | 14311 12211 10677 9524 8328 7270 6184 5662 5138 4359 | 65000 65000 65000 65000 65000 65000 65000 65000 65000 65000 | 0.85 1.00 1.15 1.25 1.50 1.70 2.1 2.4 2.7 3.0 | K KF KA KAF | 107 R77 D63S4 | 310 320 280 305 |
| 0.18 | 0.16 0.18 0.21 0.23 1.26 0.30 0.35 0.39 0.44 0.51 0.58 | 8990 7850 6420 5760 5230 4570 4000 3440 3090 2700 2340 | 8328 7270 6184 5662 5138 4359 3810 3358 2977 2599 2286 | 65000 65000 65000 65000 65000 65000 65000 65000 65000 65000 65000 | 0.90 1.00 1.25 1.40 1.55 1.75 2.0 2.3 2.6 3.0 3.4 | K KF KA KAF | 107 R77 D63M4 | 310 320 280 305 |
| 0.25 | 0.21 0.23 0.25 0.30 0.34 0.39 0.44 0.50 0.57 0.67 | 9440 8520 7730 6700 5850 5070 4540 3970 3450 2930 | 6184 5662 5138 4359 3810 3358 2977 2599 2286 1939 | 65000 65000 65000 65000 65000 65000 65000 65000 65000 65000 | 0.85 0.95 1.05 1.20 1.35 1.60 1.75 2.0 2.3 2.7 | K KF KA KAF | 107 R77 D63L4 | 310 320 285 305 |
| 0.76 0.84 0.97 | 2640 2390 2060 | 1713 1554 1336 | 65000 65000 65000 | 3.0 3.3 3.9 | K KF KA KAF | 107 R77 D63L4 | 310 320 280 305 | |
| 0.37 | 0.36 0.41 0.46 0.53 0.60 0.71 | 8380 7300 6510 5690 4970 4210 | 3810 3358 2977 2599 2286 1939 | 65000 65000 65000 65000 65000 65000 | 0.95 1.10 1.25 1.40 1.60 1.90 | K KF KA KAF | 107 R77 D71D4 | 310 325 285 305 |
| 0.81 0.89 1.0 1.2 | 3790 3440 2950 2580 | 1713 1554 1336 1166 | 65000 65000 65000 65000 | 2.1 2.3 2.7 3.1 | K KF KA KAF | 107 R77 D71D4 | 310 320 280 305 | |
| 0.55 | 0.46 0.52 0.59 0.70 | 10100 8770 7690 6520 | 2977 2599 2286 1939 | 65000 65000 65000 65000 | 0.80 0.90 1.05 1.25 | K KF KA KAF | 107 R77 D80K4 | 315 325 285 310 |
| 0.79 0.87 1.0 1.2 1.3 1.5 1.7 2.0 2.2 | 5850 5310 4570 3990 3450 3000 2700 2360 2050 | 1713 1554 1336 1166 1030 904 793 696 615 | 65000 65000 65000 65000 65000 65000 65000 65000 65000 | 1.35 1.50 1.75 2.0 2.3 2.7 3.0 3.4 3.9 | K KF KA KAF | 107 R77 D80K4 | 310 325 285 310 | |
| 0.75 | 0.81 0.89 1.0 1.2 1.3 1.5 1.7 2.0 2.2 | 7960 7230 6210 5420 4710 4120 3680 3210 2800 | 1713 1554 1336 1166 1030 904 793 696 615 | 65000 65000 65000 65000 65000 65000 65000 65000 65000 | 1.00 1.10 1.30 1.50 1.70 1.95 2.2 2.5 2.8 | K KF KA KAF | 107 R77 D80N4 | 315 325 285 310 |
| 1.1 | 1.2 1.4 1.5 1.8 2.0 2.3 2.7 3.0 3.4 3.8 4.4 | 7920 6920 6050 5380 4700 4120 3500 3080 2720 2450 2140 | 1166 1030 904 793 696 615 522 461 408 364 318 | 65000 65000 65000 65000 65000 65000 65000 65000 65000 65000 65000 | 1.00 1.15 1.30 1.50 1.70 1.95 2.3 2.6 2.9 3.3 3.7 | K KF KA KAF | 107 R77 D90S4 | 320 330 290 315 |
| 1.5 | 1.4 1.6 1.8 2.0 2.3 2.7 3.1 3.5 3.9 4.4 | 9460 8280 7330 6420 5640 4780 4210 3720 3350 2920 | 1030 904 739 696 615 522 461 408 364 318 | 65000 65000 65000 65000 65000 65000 65000 65000 65000 65000 | 0.85 0.95 1.10 1.25 1.40 1.65 1.90 2.2 2.4 2.7 | K KF KA KAF | 107 R77 D90L4 | 320 330 290 315 |
| 4.9 5.8 6.2 | 2940 2490 2300 | 143.47 121.46 112.41 | 65000 65000 65000 | 2.7 3.2 3.5 | K KF KA KAF | 107 D112M8 | 300 310 270 295 | |
| 2.2 | 2.3 2.7 3.1 3.5 3.9 4.4 4.9 5.6 | 8340 7070 6230 5520 4940 4320 3890 3410 | 615 522 461 408 364 318 286 251 | 65000 65000 65000 65000 65000 65000 65000 65000 | 0.95 1.15 1.30 1.45 1.60 1.85 2.1 2.3 | K KF KA KAF | 107R77 D100M4 | 325 340 300 325 |
| 4.9 5.8 6.2 6.9 | 4310 3650 3370 3020 | 143.47 121.46 112.41 100.75 | 65000 65000 65000 65000 | 1.85 2.2 2.4 2.7 | K KF KA KAF | 107 D132S8 | 305 315 275 300 | |
| 3.0 | 3.0 3.4 3.8 4.4 4.9 5.6 6.3 7.1 8.1 9.1 10 | 8610 7620 6820 5960 5370 4700 4150 3670 3250 2880 2610 | 461 408 364 318 286 251 222 196 174 154 140 | 65000 65000 65000 65000 65000 65000 65000 65000 65000 65000 65000 | 0.95 1.05 1.15 1.35 1.50 1.70 1.95 2.2 2.2 2.5 2.8 | K KF KA KAF | 107 R77 D100L4 | 330 340 305 325 |
| 5.0 5.9 6.4 7.2 7.9 | 5710 4830 4470 4010 3620 | 143.47 121.46 112.41 100.75 90.96 | 65000 65000 65000 65000 65000 | 1.40 1.65 1.80 2.0 2.2 | K KF KA KAF | 107 D132M8 | 325 335 295 320 | |
| 6.6 7.7 8.4 9.3 | 4370 3700 3430 3070 | 143.47 121.46 112.41 100.75 | 65000 65000 65000 65000 | 1.85 2.2 2.3 2.6 | K KF KA KAF | 107 D132S6 | 305 315 275 300 | |
| 9.8 12 | 2940 2490 | 143.47 121.46 | 65000 65000 | 2.7 3.2 | K KF KA KAF | 107 D100L4 | 295 305 265 290 | |
| 4.0 | 6.4 7.2 7.9 8.7 | 5960 5340 4830 4380 | 112.41 100.75 90.96 82.61 | 65000 65000 65000 65000 | 1.35 1.50 1.65 1.85 | K KF KA KAF | 107 D132ML8 | 335 345 305 330 |
| 6.7 7.9 8.5 9.5 11 | 5710 4830 4470 4010 3620 | 143.47 121.46 112.41 100.75 90.96 | 65000 65000 65000 65000 65000 | 1.40 1.65 1.80 2.0 2.2 | K KF KA KAF | 107 D132M6 | 325 335 295 320 | |
| 9.9 12 13 14 16 17 19 | 3860 3270 3020 2710 2450 2220 1970 | 143.47 121.46 112.41 100.75 90.96 82.61 73.30 | 65000 65000 65000 65000 65000 65000 65000 | 2.1 2.5 2.7 3.0 3.3 3.6 4.1 | K KF KA KAF | 107 D112M4 | 300 310 270 295 | |
| 3.9 4.5 5.0 5.7 6.4 7.2 8.2 9.2 10 | 8990 7860 7080 6200 5470 4840 4290 3800 3440 | 364 318 286 251 222 196 174 154 140 | 650000 650000 650000 650000 650000 650000 650000 650000 650000 | 0.90 1.00 1.15 1.30 1.45 1.65 1.70 1.90 2.1 | K KF KA KAF | 107 R77 D112M4 | 335 350 310 335 | |
| 5.5 | 8.5 9.5 11 12 | 6150 5510 4980 4520 | 112.41 100.75 90.96 82.61 | 65000 65000 65000 65000 | 1.30 1.45 1.60 1.75 | K KF KA KAF | 107 D132ML6 | 335 345 305 330 |
| 10 12 13 14 16 17 | 5270 4460 4130 3700 3340 3030 | 143.47 121.46 112.41 100.75 90.96 82.61 | 65000 65000 65000 65000 65000 65000 | 1.50 1.80 1.95 2.2 2.4 2.6 | K KF KA KAF | 107 D132S4 | 305 315 275 300 | |
| 6.4 7.3 8.2 9.3 10 | 7490 6640 5870 5200 4720 | 222 196 174 154 140 | 65000 65000 65000 65000 65000 | 1.05 1.20 1.25 1.40 1.55 | K KF KA KAF | 107 R77 D132S4 | 345 355 315 340 | |
| 7.5 | 10 12 13 | 7190 6080 5630 | 143.47 121.46 112.41 | 65000 65000 65000 | 1.10 1.30 1.40 | K KF KA KAF | 107 D132M4 | 325 335 295 320 |
| 14 16 17 20 22 25 29 34 39 | 5050 4650 4140 3670 3330 2860 2500 2120 1850 | 100.75 90.96 82.61 73.30 66.52 57.17 49.90 42.33 37.00 | 65000 64200 63200 61900 60900 59100 57500 55500 53800 | 1.60 1.75 1.95 2.2 2.4 2.8 3.1 3.5 3.9 | K KF KA KAF | 107 D132M4 | 325 335 295 320 | |
| 9.2 | 13 14 16 | 6860 6150 5550 | 112.41 100.75 90.96 | 62400 61800 61100 | 1.15 1.30 1.45 | K KF KA KAF | 107 D132ML4 | 335 345 305 330 |
| 17 20 22 25 29 34 | 5040 4470 4060 3490 3040 2580 | 82.61 73.30 66.52 57.17 49.90 42.33 | 60400 59400 58600 57100 55700 54000 | 1.60 1.80 1.95 2.3 2.6 2.8 | K KF KA KAF | 107 D132ML4 | 335 345 305 330 | |
| 11.0 | 13 14 16 17 | 8200 7350 6630 6030 | 112.41 100.75 90.96 82.61 | 58400 58300 58000 57500 | 1.00 1.10 1.20 1.35 | K KF KA KAF | 107 D160M4 | 340 350 310 335 |
| 20 22 25 29 34 39 | 5350 4850 4170 3640 3090 2700 | 73.30 66.52 57.17 49.90 42.33 37.00 | 56900 56200 55100 54000 52500 51200 | 1.50 1.65 1.90 2.2 2.4 2.7 | K KF KA KAF | 107 D160M4 | 340 350 310 335 | |
| 15.0 | 16 18 20 22 | 8920 8110 7190 6530 | 90.96 82.61 73.30 66.52 | 50900 51100 51200 51000 | 0.90 1.00 1.10 1.25 | K KF KA KAF | 107 D160L4 | 380 390 350 375 |
| 26 29 34 39 45 47 50 | 5610 4900 4150 3630 3210 3070 2840 | 57.17 49.90 42.33 37.00 32.69 31.28 29.00 | 50600 50000 49100 48200 47300 47000 46400 | 1.45 1.60 1.75 2.0 2.2 2.2 2.5 | K KF KA KAF | 107 D160L4 | 380 390 350 375 | |
| 18.5 | 20 22 26 29 | 8840 8020 6890 6020 | 73.30 66.52 57.17 49.90 | 46300 46600 46800 46700 | 0.90 1.00 1.15 1.30 | K KF KA KAF | 107 D180M4 | 400 410 375 395 |
| 35 40 45 47 51 56 65 74 88 | 5100 4460 3940 3770 3500 3170 2730 2380 2020 | 42.33 37.00 32.69 31.28 29.00 26.32 22.62 19.74 16.75 | 46300 45700 45100 44900 44400 43800 42700 41700 40400 | 1.45 1.60 1.85 1.80 2.1 2.3 2.6 3.0 3.5 | K KF KA KAF | 107 D180M4 | 400 410 375 395 | |
| 22 | 26 29 35 | 8200 7160 6070 | 57.17 49.90 42.33 | 43000 43300 43400 | 1.00 1.10 1.20 | K KF KA KAF | 107 D180L4 | 415 425 385 410 |
| 40 45 47 51 56 65 74 88 100 109 125 147 | 5310 4690 4490 4160 3770 3240 2830 2400 2100 1930 1680 1430 | 37.00 32.69 31.28 29.00 26.32 22.62 19.74 16.75 14.64 13.43 11.73 9.94 | 43200 42900 42800 42500 42000 41200 40400 39300 38400 36800 35900 34800 | 1.35 1.55 1.50 1.70 1.90 2.2 2.5 2.9 3.3 2.2 2.6 2.9 | K KF KA KAF | 107 D180L4 | 415 425 385 410 | |
| 30 | 35 40 47 | 8250 7210 6100 | 42.33 37.00 31.28 | 36100 37600 38000 | 0.90 1.00 1.10 | K KF KA KAF | 107 D200L4 | 500 510 470 495 |
| 51 56 65 74 88 100 109 125 148 169 | 5650 5130 4410 3850 3260 2850 2620 2280 1940 1690 | 29.00 26.32 22.62 19.74 16.75 14.64 13.43 11.73 9.94 8.69 | 38000 38000 37700 37400 36700 36100 34400 33800 33000 32200 | 1.25 1.40 1.65 1.85 2.2 2.4 1.65 1.90 2.2 2.4 | K KF KA KAF | 107 D200L4 | 500 510 470 495 | |
| 37 | 40 47 51 56 65 74 88 100 109 125 148 169 | 8890 7520 6970 6320 5440 4740 4020 3520 3230 2820 2390 2090 | 37.00 31.28 29.00 26.32 22.62 19.74 16.75 14.64 13.43 11.73 9.94 8.69 | 29000 33000 34200 34500 34700 34700 34500 34200 32300 32000 31400 30900 | 0.80 0.90 1.05 1.15 1.30 1.50 1.75 1.95 1.35 1.55 1.75 1.95 | K KF KA KAF | 107 D225S4 | 550 560 520 540 |
| 45 | 51 56 65 74 | 8480 7690 6610 5770 | 29.00 26.32 22.62 19.74 | 25600 28300 31000 31700 | 0.85 0.95 1.10 1.25 | K KF KA KAF | 107 D225M4 | 570 590 550 570 |
| 88 100 109 125 148 169 | 4890 4280 3930 3430 2910 2540 | 16.75 14.64 13.43 11.73 9.94 8.69 | 31900 31900 29900 29900 29600 29300 | 1.45 1.60 1.10 1.25 1.45 1.60 | K KF KA KAF | 107 D225M4 | 570 590 550 570 |
Типоразмер: мотор-редукторов K107
Передаточные числа 3,98-164,50
Макс. выходной вращающий момент 69-31500 Нм
В среднем ресурс работы 15000 часов с сервис фактором FS=1
Корпус: Литой из высокопрочного чугуна
Тип масла: Индустриальное синтетическое масло
Варианты исполнения: На лапах, фланцевое
Диапазон мощностей мотор-редукторов 0,12-200 кВт
