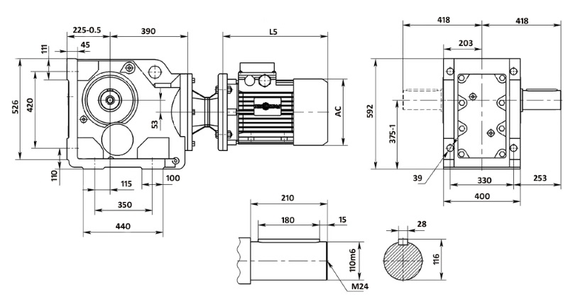
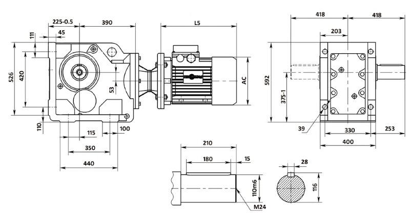
Мотор-редуктор K127 общепромышленного назначения комплектуется трехфазным асинхронным электродвигателем и трехступенчатым редуктором с промежуточной конической передачей. Мощность мотор редуктора составляет 0,12-90 кВт. Диапазон передаточных чисел: 8,68-16006. Агрегат развивает крутящий момент до 13000 Нм.
K127 — лапы / цельный вал
KF127 — фланец / цельный вал
KA127 — лапы / полый вал
KA127B — корпус B / лапы / полый вал
KAF127 — фланец / полый вал
KA127 — 790 — 1,8 — 2,2 — M2

| Передаточное отношение | Частота вращения выходного вала, об/мин | Максимальный крутящий момент, Н*м | Допустимая радиальная нагрузка, Н | AD |
|---|---|---|---|---|
| 146,07 | 9,6 | 13000 | 79200 | AD4 |
| 136,14 | 10 | 13000 | 79200 | |
| 122,48 | 11 | 13000 | 79200 | |
| 110,18 | 13 | 13000 | 79200 | |
| 89,89 | 16 | 13000 | 75100 | AD5 |
| 81,98 | 27 | 13000 | 72100 | |
| 70,95 | 20 | 13000 | 67700 | |
| 62,60 | 22 | 13000 | 64000 | |
| 54,07 | 26 | 13000 | 59900 | |
| 47,82 | 29 | 13000 | 56500 | |
| 40,19 | 35 | 13000 | 52000 | AD6 |
| 36,25 | 39 | 13000 | 49400 | AD7 |
| 31,37 | 45 | 13000 | 45900 | |
| 27,68 | 51 | 13000 | 43000 | |
| 23,91 | 59 | 13000 | 39800 | |
| 21,15 | 66 | 13000 | 37200 | AD8 |
| 17,77 | 79 | 13000 | 33600 | |
| 14,35 | 98 | 12100 | 31800 | |
| 12,79 | 109 | 8530 | 35400 | |
| 10,74 | 130 | 8000 | 33900 | |
| 8,68 | 161 | 7320 | 32500 |
| Мощность электродвигателя, кВт | Частота вращения вала, об/мин | Крутящий момент, Н*м | Передаточное отношение | Радиальная нагрузка, Н | Сервис-фактор | Исполнение | Электродвигатель | Масса |
|---|---|---|---|---|---|---|---|---|
| 0.12 | 0.08 0.09 0.09 0.11 0.13 0.14 0.16 0.18 | 11800 10700 9880 8010 6290 6320 5220 4820 | 1755 16006 14975 12440 10915 9819 8443 7482 | 79800 80400 80700 81500 81800 82000 82300 82300 | 1.10 1.20 1.30 1.60 1.90 2.1 2.5 2.7 | K KF KA KAF | 127 R77 D63S4 | 470 510 440 480 |
| 0.18 | 0.09 0.11 0.12 0.13 0.16 0.18 0.20 1.23 0.26 0.30 0.34 0.40 | 16300 13400 11600 10500 8850 8040 6990 5940 5220 4530 3960 3310 | 14975 12440 10915 9819 8443 7482 6565 5804 5027 4423 3889 3311 | 73200 79000 79900 80400 81100 81400 81800 82100 82300 82400 82500 82600 | 0.80 0.95 1.10 1.25 1.45 1.60 1.85 2.2 2.5 2.9 3.3 3.9 | K KF KA KAF | 127 R77 D63M4 | 470 510 440 480 |
| 0.25 | 0.13 0.15 0.17 0.20 0.22 0.26 0.29 0.33 0.39 | 15300 13000 11700 10200 8770 7670 6680 5850 4930 | 9819 8443 7482 6565 5804 5027 4423 3889 3311 | 75300 79200 79900 80600 81200 81600 81900 82100 82300 | 0.85 1.00 1.10 1.30 1.50 1.70 1.95 2.2 2.6 | K KF KA KAF | 127 R77 D63L4 | 470 510 440 480 |
| 0.37 | 0.18 0.21 0.24 0.27 0.31 0.34 0.42 | 16600 14500 12600 11000 9610 8430 7120 | 7482 6565 5804 5027 4423 3889 3311 | 72600 76900 79400 80200 80800 81300 81700 | 0.80 0.90 1.05 1.20 1.35 1.55 1.85 | K KF KA KAF | 127 R77 D71D4 | 470 510 445 480 |
| 0.72 0.79 0.90 | 4230 3860 3360 | 1926 1757 1541 | 82500 82500 82600 | 3.1 3.4 3.9 | K KF KA KAF | 127 R77 D71D4 | 470 510 440 480 | |
| 0.55 | 0.31 0.35 0.41 0.45 0.52 | 14900 13000 11100 10000 8630 | 4423 3889 3311 3009 2607 | 76200 79200 80200 80700 81200 | 0.85 1.00 1.20 1.30 1.50 | K KF KA KAF | 127R77 D80K4 | 475 520 445 480 |
| 0.71 0.77 0.88 1.0 1.2 1.3 | 6560 5980 5220 4570 3990 3490 | 1926 1757 1541 1342 1177 1025 | 81900 82100 82300 82400 82500 82600 | 2.0 2.2 2.5 2.8 3.3 3.7 | K KF KA KAF | 127 R77 D80K4 | 470 510 445 480 | |
| 0.75 | 0.42 0.46 0.53 | 15100 13700 11800 | 3311 3009 2607 | 75800 78600 79800 | 0.85 0.95 1.10 | K KF KA KAF | 127 R77 D80N4 | 475 520 445 485 |
| 0.72 0.79 0.90 1.0 1.2 1.4 1.5 | 8930 8150 7120 6220 5440 4750 4150 | 1926 1757 1541 1342 1177 1025 899 | 81100 81400 81700 82000 82200 82400 82500 | 1.45 1.60 1.85 2.1 2.4 2.7 3.1 | K KF KA KAF | 127 R77 D80N4 | 475 520 445 485 | |
| 1.1 | 0.73 0.80 0.91 1.0 1.2 1.4 1.6 1.8 2.0 2.3 2.5 2.9 | 13100 11900 10400 9100 7960 6950 6080 5270 4740 4090 3690 3180 | 1926 1757 1541 1342 1177 1025 899 790 704 610 549 477 | 79100 79800 80500 81100 81500 81800 82000 82200 82400 82500 82500 82600 | 1.00 1.10 1.25 1.45 1.65 1.85 2.1 2.5 2.7 3.2 3.5 4.1 | K KF KA KAF | 127 R77 D90S4 | 480 520 450 490 |
| 1.5 | 2.6 3.4 3.8 | 4820 3770 3330 | 536 418 367 | 82300 82500 82600 | 2.7 3.5 3.9 | K KF KA KAF | 127 R87 D90L4 | 500 540 470 510 |
| 0.80 0.91 1.0 1.2 1.4 1.6 1.8 2.0 2.3 2.6 3.0 3.4 | 16200 14200 12400 10900 9470 8300 7210 6480 5590 5040 4360 3840 | 1757 1541 1342 1177 1025 899 790 704 610 549 477 418 | 73400 77500 79500 80300 80900 81400 81700 81900 82200 82300 82400 82500 | 0.80 0.90 1.05 1.20 1.35 1.55 1.80 2.0 2.3 2.6 3.0 3.4 | K KF KA KAF | 127 R77 D90L4 | 480 520 450 490 | |
| 2.2 | 2.6 3.0 3.4 3.8 4.3 | 7180 6310 5600 4950 4440 | 536 473 418 367 330 | 81700 82000 82200 82300 82400 | 1.80 2.1 2.3 2.6 2.9 | K KF KA KAF | 127 R87 D100M4 | 510 550 480 520 |
| 1.4 1.6 1.8 2.0 2.3 2.6 3.0 3.4 | 14000 12200 10700 9580 8280 7460 6460 5680 | 1025 899 790 704 610 549 477 418 | 78000 79600 80400 80900 81400 81600 81900 82100 | 0.95 1.05 1.20 1.35 1.55 1.75 2.0 2.3 | K KF KA KAF | 127 R77 D100M4 | 485 530 460 495 | |
| 3.0 | 2.6 3.0 3.3 3.8 4.2 4.9 | 9940 8750 7760 6840 6140 5300 | 536 473 418 367 330 287 | 80700 81200 81500 81800 82000 82200 | 1.30 1.50 1.70 1.90 2.1 2.5 | K KF KA KAF | 127 R87 D100L4 | 510 550 485 520 |
| 1.8 2.0 2.3 2.5 2.9 3.3 | 14800 13200 11400 10300 8920 7840 | 790 704 610 549 477 418 | 76500 79100 80000 80600 81100 81500 | 0.90 1.00 1.15 1.25 1.45 1.65 | K KF KA KAF | 127 R77 D100L4 | 490 530 465 500 | |
| 4.0 | 2.7 3.0 3.4 3.9 4.3 5.0 5.6 | 13100 11600 10300 9040 8120 7010 6200 | 536 473 418 367 330 287 253 | 79100 79900 80600 81100 81400 81800 82000 | 1.00 1.10 1.25 1.45 1.60 1.85 2.1 | K KF KA KAF | 127 R87 D112M4 | 520 560 490 530 |
| 2.3 2.6 3.0 3.4 | 15100 13600 11800 10300 | 610 549 477 418 | 75800 78800 79800 80500 | 0.85 0.95 1.10 1.25 | K KF KA KAF | 127 R77 D112M4 | 495 540 470 510 | |
| 5.3 5.9 6.5 | 7220 6500 5850 | 132.14 122.48 110.18 | 81700 81900 82100 | 1.80 2.0 2.2 | K KF KA KAF | 127 D132ML8 | 490 530 460 500 | |
| 6.6 7.1 7.8 8.7 | 5810 5420 4870 4380 | 146.07 136.14 122.48 110.18 | 82100 82200 82300 82400 | 2.2 2.4 2.7 3.0 | K KF KA KAF | 127 D132M6 | 480 520 450 490 | |
| 5.5 | 5.2 5.8 6.4 7.9 | 10100 9060 8150 6650 | 136.14 122.48 110.18 89.89 | 80700 81100 81400 81900 | 1.30 1.45 1.60 1.95 | K KF KA KAF | 127 D160M8 | 495 540 465 500 |
| 7.1 7.8 8.7 11 | 7450 6700 6030 4920 | 136.14 122.48 110.18 89.89 | 81600 81900 82100 82300 | 1.75 1.95 2.2 2.6 | K KF KA KAF | 127 D132ML6 | 490 530 460 500 | |
| 3.4 3.9 4.3 5.0 5.6 6.7 7.1 8.6 9.8 | 14100 12400 11100 9620 8510 7150 6740 5580 4920 | 418 367 330 287 253 213 200 166 147 | 77800 79500 80200 80800 81300 81700 81900 82200 82300 | 0.90 1.05 1.15 1.35 1.55 1.80 1.80 2.2 2.4 | K KF KA KAF | 127 R87 D132S4 | 520 570 495 530 | |
| 7.5 | 7.1 7.8 8.7 11 | 10200 9140 8220 6710 | 136.14 122.48 110.18 89.89 | 80600 81000 81400 81900 | 1.30 1.40 1.60 1.95 | K KF KA KAF | 127 D160M6 | 495 540 465 500 |
| 9.8 11 12 13 16 17 20 | 7320 6820 6130 5520 4500 4110 3550 | 146.07 136.14 122.48 110.18 89.89 81.98 70.95 | 81700 81800 82000 82200 82400 82500 82600 | 1.80 1.90 2.1 2.4 2.9 3.2 3.7 | K KF KA KAF | 127 D132M4 | 480 520 450 490 | |
| 4.3 5.0 5.6 6.7 7.1 8.6 9.8 | 15200 13200 11600 9790 9220 7640 6740 | 330 287 253 213 200 166 147 | 75500 79100 79900 80800 81000 81600 81900 | 0.85 1.00 1.10 1.35 1.30 1.55 1.80 | K KF KA KAF | 127R87 D132M4 | 550 590 520 550 | |
| 9.2 | 5.7 6.8 7.2 8.7 9.8 | 14200 11900 11200 9320 8230 | 253 213 200 166 147 | 77500 79800 80100 81000 81400 | 0.90 1.10 1.05 1.30 1.45 | K KF KA KAF | 127 R87 D132ML4 | 550 600 530 560 |
| 11 12 13 16 18 | 8310 7470 6720 5480 5000 | 136.14 122.48 110.18 89.89 81.98 | 81300 81600 8190 82200 82300 | 1.55 1.75 1.95 2.4 2.6 | K KF KA KAF | 127 D132ML4 | 490 530 460 500 | |
| 11.0 | 11 12 13 16 18 20 | 9930 8930 8040 6560 5980 5180 | 136.14 122.48 110.18 89.89 81.98 70.95 | 80700 81100 81400 81900 82100 82300 | 1.30 1.45 1.60 2.0 2.2 2.5 | K KF KA KAF | 127 D160M4 | 495 540 465 500 |
| 6.8 7.2 8.7 9.8 | 14300 13500 11200 9850 | 213 200 166 147 | 77400 78900 80100 80700 | 0.90 0.90 1.10 1.20 | K KF KA KAF | 127 R87 D160M4 | 560 600 530 570 | |
| 15.0 | 11 12 13 | 13400 12000 10800 | 136.14 122.48 110.18 | 79000 79700 80300 | 0.95 1.10 1.20 | K KF KA KAF | 127 D160L4 | 530 570 500 540 |
| 16 18 21 23 27 31 | 8820 8040 6960 6140 5300 4690 | 89.89 81.98 70.95 62.60 54.07 47.82 | 81200 81400 81600 80000 78000 76200 | 1.45 1.60 1.85 2.1 2.5 2.8 | K KF KA KAF | 127 D160L4 | 530 570 500 540 | |
| 18.5 | 13 16 18 | 13300 10800 9890 | 110.18 89.89 81.98 | 79000 79000 78500 | 1.00 1.20 1.30 | K KF KA KAF | 127 D180M4 | 550 600 520 560 |
| 21 23 27 31 36 40 47 53 | 8560 7550 6520 5770 4850 4370 3780 3340 | 70.95 62.60 54.07 47.82 40.19 36.25 31.37 27.68 | 77500 76400 74800 73400 71300 69900 68000 66200 | 1.50 1.70 2.0 2.2 2.7 3.0 3.4 3.9 | K KF KA KAF | 127 D180M4 | 550 600 520 560 | |
| 22 | 16 18 21 23 | 12900 11800 10200 8980 | 89.89 81.98 70.95 62.60 | 73900 73800 73400 72800 | 1.00 1.10 1.30 1.45 | K KF KA KAF | 127 D180L4 | 570 610 540 580 |
| 27 31 36 40 47 53 61 69 | 7750 6860 5760 5200 4500 3970 3430 3030 | 54.07 47.82 40.19 36.25 31.37 27.68 23.91 21.15 | 71700 70700 69000 67800 66200 64600 62800 61200 | 1.70 1.90 2.3 2.5 2.9 3.3 3.8 4.3 | K KF KA KAF | 127 D180L4 | 570 610 540 580 | |
| 30 | 21 23 27 31 37 41 47 53 62 | 13800 12200 10500 9320 7830 7060 6110 5390 4660 | 70.95 62.60 54.07 47.82 40.19 36.25 31.37 27.68 23.91 | 64200 64600 64700 64400 63700 63100 62000 61000 59600 | 0.95 1.05 1.25 1.40 1.65 1.85 2.1 2.4 2.8 | K KF KA KAF | 127 D200L4 | 650 700 630 660 |
| 37 | 23 27 31 37 | 15000 13000 11500 9660 | 62.60 54.07 47.82 40.19 | 57500 58500 59000 59100 | 0.85 1.00 1.15 1.35 | K KF KA KAF | 127 D225S4 | 700 740 670 710 |
| 41 47 53 62 70 83 102 115 137 169 | 8710 7540 6650 5740 5080 4270 3450 3070 2580 2090 | 36.25 31.37 27.68 23.91 21.15 17.77 14.35 12.79 10.74 8.68 | 59000 58500 57800 56900 56000 54500 52500 50200 48600 46600 | 1.50 1.70 1.95 2.3 2.6 3.0 3.5 2.8 3.1 3.5 | K KF KA KAF | 127 D225S4 | 700 740 670 710 | |
| 45 | 31 37 41 | 14000 11700 10600 | 47.82 40.19 36.25 | 52800 53900 54200 | 0.95 1.10 1.25 | K KF KA KAF | 127 D225M4 | 730 770 700 740 |
| 47 53 62 70 83 102 115 137 169 | 9170 8090 6990 6180 5190 4190 3740 3140 2540 | 31.37 27.68 23.91 21.15 17.77 14.35 12.79 10.74 8.68 | 54400 54200 53800 53200 52200 50700 48300 47000 45300 | 1.40 1.60 1.85 2.1 2.5 2.9 2.3 2.5 2.8 | K KF KA KAF | 127 D225M4 | 730 770 700 740 | |
| 55 | 37 47 53 | 14300 11200 9850 | 40.19 31.37 27.68 | 47400 49300 49700 | 0.90 1.15 1.30 | K KF KA KAF | 127 D250M4 | 850 890 820 860 |
| 62 70 83 103 115 137 170 | 8510 7530 6330 5110 4550 3830 3090 | 23.91 21.15 17.77 14.35 12.79 10.74 8.68 | 49900 49800 49300 48300 45900 45000 43600 | 1.55 1.75 2.0 2.4 1.85 2.1 2.3 | K KF KA KAF | 127 D250M4 | 850 890 820 860 | |
| 75 | 47 53 62 70 83 103 116 138 171 | 15200 13400 11600 10200 8600 6940 6190 5200 4200 | 31.37 27.68 23.91 21.15 17.77 14.35 12.79 10.74 8.68 | 39200 40800 42200 42900 43500 43700 41100 41000 40400 | 0.85 0.95 1.10 1.25 1.50 1.75 1.40 1.55 1.70 | K KF KA KAF | 127 D280S4 | 990 1030 960 1000 |
| 90 | 62 70 83 103 116 138 171 | 13900 12300 10300 8330 7420 6240 5040 | 23.91 21.15 17.77 14.35 12.79 10.74 8.68 | 36400 37800 39200 40200 37600 38000 38000 | 0.95 1.05 1.25 1.45 1.15 1.30 1.45 | K KF KA KAF | 127 D280M4 | 1070 1110 1040 1080 |
| Пе | Час | Мак | До | AD |
|---|---|---|---|---|
| 164,50 | 8,5 | 32000 | 150000 | AD5 |
| 134,99 | 10 | 32000 | 150000 | AD6 |
| 109,83 | 13 | 32000 | 150000 | |
| 87,86 | 16 | 32000 | 147200 | AD7 |
| 78,14 | 18 | 32000 | 140100 | |
| 68,07 | 21 | 32000 | 132000 | |
| 60,74 | 23 | 32000 | 125600 | |
| 51,77 | 27 | 32000 | 117000 | AD8 |
| 42,89 | 33 | 32000 | 107400 | |
| 36,61 | 38 | 32000 | 99700 | |
| 32,25 | 43 | 32000 | 93700 | |
| 28,77 | 49 | 32000 | 88600 | |
| 24,52 | 57 | 32000 | 81700 | |
| 20,32 | 69 | 32000 | 74000 | |
| 14,34 | 81 | 32000 | 67900 |
| Мощ | Час | Кру | Пере | Ра | Сер | Испол | Элек | Мас |
|---|---|---|---|---|---|---|---|---|
| 0.55 | 0.12 0.13 0.16 1.21 0.25 0.33 | 38400 33800 28100 21400 17200 13200 | 11573 10264 8628 6562 5355 4097 | 150000 150000 150000 150000 150000 150000 | 0.85 0.95 1.15 1.50 1.85 2.4 | K | 167 R97 D80K4 | 1180 1140 |
| 0.75 | 0.16 0.21 0.26 0.34 0.41 | 38600 29300 23700 18200 15100 | 8628 6562 5355 4079 3376 | 150000 150000 150000 150000 150000 | 0.85 1.10 1.35 1.75 2.1 | K | 167 R97 D80N4 | 1180 1150 |
| 1.1 | 0.26 0.29 0.34 0.41 0.51 | 35000 31200 26800 22200 18000 | 5355 4788 4079 3376 2755 | 150000 150000 150000 150000 150000 | 0.90 1.05 1.20 1.45 1.80 | K | 167 R97 D90S4 | 1190 1150 |
| 0.64 0.82 0.99 1.1 | 14600 11300 9330 8560 | 2182 1704 1408 1296 | 150000 150000 150000 150000 | 2.2 2.8 3.4 3.7 | K | 167 R97 D90S4 | 1190 1150 | |
| 1.5 | 0.35 0.42 0.51 | 36700 30400 24700 | 4079 3376 2755 | 150000 150000 150000 | 0.85 1.05 1.30 | K | 167 R97 D90L4 | 1190 1150 |
| 0.65 0.83 1.0 1.1 | 19900 15500 12800 11800 | 2182 1704 1408 1296 | 150000 150000 150000 150000 | 1.60 2.1 2.5 2.7 | K | 167 R97 D90L4 | 1190 1150 | |
| 2.2 | 0.51 0.62 | 36600 29800 | 2755 2263 | 150000 150000 | 0.85 1.05 | K | 167 R97 D100M4 | 1200 1160 |
| 0.65 0.83 1.1 1.3 1.5 | 29500 22900 19000 17400 14700 12600 | 2182 1704 1408 1296 1101 944 | 150000 150000 150000 150000 150000 150000 | 1.10 1.40 1.70 1.85 2.2 2.5 | K | 167 R97 D100M4 | 1200 1160 | |
| 3.0 | 0.82 0.99 1.1 1.3 1.5 1.7 1.9 | 31700 26200 24100 20300 17500 15500 14000 | 1704 1408 1296 1101 944 843 757 | 150000 150000 150000 150000 150000 150000 150000 | 1.00 1.20 1.35 1.55 1.85 2.1 2.3 | K | 167 R97 D100L4 | 1200 1160 |
| 4.0 | 1.0 1.1 1.3 1.5 1.7 1.9 2.2 | 34600 31900 26900 23100 20500 18500 15400 | 1408 1296 1101 944 843 757 632 | 150000 150000 150000 150000 150000 150000 150000 | 0.90 1.00 1.20 1.40 1.55 1.75 2.1 | K | 167 R97 D112M4 | 1210 1170 |
| 5.5 | 1.3 1.5 1.7 1.9 2.3 2.5 3.0 3.4 | 36900 31700 28200 25400 21200 18700 16100 14100 | 1101 944 843 757 632 561 481 423 | 150000 150000 150000 150000 150000 150000 150000 150000 | 0.85 1.00 1.15 1.25 1.50 1.70 2.0 2.3 | K | 167 R97 D132S4 | 1210 1170 |
| 7.5 | 1.7 1.9 2.3 2.5 3.0 3.4 3.9 | 38700 34700 29000 25700 22100 19400 16900 | 843 757 632 561 481 423 369 | 150000 150000 150000 150000 150000 150000 150000 | 0.85 0.90 1.10 1.25 1.45 1.65 1.90 | K | 167 R97 D132M4 | 1230 1190 |
| 4.4 5.3 | 16400 13400 | 164.50 134.99 | 150000 150000 | 1.95 2.4 | K | 167 D160L8 | 1160 1120 | |
| 5.8 7.1 | 12300 10100 | 164.50 134.99 | 150000 150000 | 2.6 3.2 | K | 167 D160M6 | 1130 1090 | |
| 9.2 | 4.5 5.2 5.9 6.8 7.0 | 17800 15500 13600 11900 11500 | 318 278 244 213 206 | 150000 150000 150000 150000 150000 | 1.80 2.1 2.3 2.7 2.8 | K | 167 R107 D132ML4 | 1290 1250 |
| 2.3 2.6 3.0 3.4 3.9 | 35400 31300 27000 23700 20600 | 632 561 481 423 369 | 150000 150000 150000 150000 150000 | 0.90 1.00 1.20 1.35 1.55 | K | 167 R97 D132ML4 | 1240 1200 | |
| 11.0 | 4.5 5.2 5.9 6.8 7.0 | 21300 18600 16300 14200 13700 | 318 278 244 213 206 | 150000 150000 150000 150000 150000 | 1.50 1.70 1.95 2.2 2.3 | K | 167 R107 D160M4 | 1290 1250 |
| 2.6 3.0 3.4 3.9 | 37500 32300 28300 24700 | 561 481 423 369 | 150000 150000 150000 150000 | 0.85 1.00 1.15 1.30 | K | 167 R97 D160M4 | 1250 1210 | |
| 5.3 6.6 | 19700 16000 | 134.99 109.83 | 150000 150000 | 1.60 2.0 | K | 167 D180L8 | 1200 1160 | |
| 5.8 7.1 | 18000 14800 | 164.50 134.99 | 150000 150000 | 1.80 2.2 | K | 167 D160L6 | 1160 1120 | |
| 8.8 11 | 12000 9850 | 164.50 134.99 | 150000 150000 | 2.7 3.2 | K | 167 D160M4 | 1130 1090 | |
| 15.0 | 7.2 8.8 | 19900 16200 | 134.99 109.83 | 150000 150000 | 1.60 1.95 | K | 167 D180L6 | 1200 1160 |
| 8.9 11 | 16100 13200 | 164.50 134.99 | 150000 150000 | 2.0 2.4 | K | 167 D160L4 | 1160 1120 | |
| 4.6 5.3 6.0 6.8 7.1 8.1 9.1 | 28700 25000 22000 19200 18500 16200 14400 | 318 278 244 213 206 180 160 | 150000 150000 150000 150000 150000 150000 150000 | 1.10 1.30 1.45 1.65 1.75 1.95 2.2 | K | 167 R107 D160L4 | 1330 1300 | |
| 18.5 | 11 13 17 | 16300 13200 10600 | 134.99 109.83 87.86 | 150000 150000 150000 | 1.95 2.4 3.0 | K | 167 D180M4 | 1180 1150 |
| 4.6 5.3 6.0 6.9 7.1 8.1 9.2 11 12 | 35300 30800 27100 23600 22800 20000 17700 15000 13100 | 318 278 244 213 206 180 160 135 118 | 150000 150000 150000 150000 150000 150000 150000 150000 150000 | 0.90 1.05 1.20 1.35 1.40 1.60 1.80 2.1 2.4 | K | 167 R107 D180M4 | 1350 1320 | |
| 22 | 11 13 17 19 | 19400 15700 12600 11200 | 134.99 109.83 87.86 78.14 | 150000 150000 150000 150000 | 1.65 2.0 2.5 2.9 | K | 167 D180L4 | 1200 1160 |
| 5.3 6.0 6.9 7.1 8.1 9.2 11 12 | 36700 32200 28200 27200 23800 21100 17900 15600 | 278 244 213 206 180 160 135 118 | 150000 150000 150000 150000 150000 150000 150000 150000 | 0.85 1.00 1.15 1.20 1.35 1.50 1.80 2.0 | K | 167 R107 D180L4 | 1370 1330 | |
| 30 | 13 17 19 22 24 | 21400 17100 15200 13300 11800 | 109.83 87.86 78.14 68.07 60.74 | 150000 150000 150000 150000 150000 | 1.50 1.85 2.1 2.4 2.7 | K | 167 D200L4 | 1280 1240 |
| 6.9 7.1 8.1 9.2 11 12 | 38300 37000 32400 28700 24400 21300 | 213 206 180 160 135 118 | 150000 150000 150000 150000 150000 150000 | 0.85 0.85 1.00 1.10 1.30 1.50 | K | 167 R107 D200L4 | 1450 1410 | |
| 37 | 13 17 19 22 24 28 | 16400 21100 18800 16400 14600 12400 | 109.83 87.86 78.14 68.07 60.74 51.77 | 150000 150000 150000 150000 150000 150000 | 1.20 1.50 1.70 1.95 2.2 2.6 | K | 167 D225S4 | 1330 1290 |
| 8.1 9.2 11 12 | 40000 35500 30100 26300 | 180 160 135 118 | 150000 150000 150000 150000 | 0.80 0.90 1.05 1.20 | K | 167 R107 D225S4 | 1500 1460 | |
| 45 | 13 17 19 22 24 28 34 | 32100 25700 22800 19900 17800 15100 12500 | 109.83 87.86 78.14 68.07 60.74 51.77 42.89 | 150000 150000 150000 150000 149000 145600 140600 | 1.00 1.25 1.40 1.60 1.80 2.1 2.5 | K | 167 D225M4 | 1360 1320 |
| 11 12 | 36600 32000 | 135 118 | 150000 150000 | 0.85 1.00 | K | 167 R107 D225M4 | 1530 1490 | |
| 55 | 17 19 22 24 28 34 40 | 31300 27800 24200 21600 18400 15300 13000 | 87.86 78.14 68.07 60.74 51.77 42.89 36.61 | 145300 144600 143300 141700 139100 135400 131900 | 1.00 1.15 1.30 1.50 1.75 2.1 2.5 | K | 167 D250M4 | 1490 1450 |
| 75 | 19 22 24 29 35 40 46 51 60 | 37800 32900 29400 25100 20800 17700 15600 13900 11900 | 78.14 68.07 60.74 51.77 42.89 36.61 32.25 28.77 24.52 | 126100 127100 127300 126800 125200 123200 121300 119300 116300 | 0.85 0.95 1.10 1.30 1.55 1.80 2.0 2.3 2.7 | K | 167 D280S4 | 1620 1580 |
| 90 | 22 24 29 35 40 46 51 60 73 85 | 39500 35300 30100 24900 21300 18700 16700 14200 11800 10100 | 68.07 60.74 51.77 42.89 36.61 32.25 28.77 24.52 20.32 17.34 | 115100 116600 117600 117600 116700 115500 114200 111900 108800 106000 | 0.80 0.90 1.05 1.30 1.50 1.70 1.90 2.2 2.7 3.2 | K | 167 D280M4 | 1690 1660 |
| 110 | 29 35 41 46 52 61 73 86 | 36600 30300 25900 22800 20400 17300 14400 12300 | 51.77 42.89 36.61 32.25 28.77 24.52 20.32 17.34 | 105500 107500 108100 107900 107400 106100 104000 101800 | 0.85 1.05 1.25 1.40 1.55 1.85 2.2 2.6 | K | 167 D315S4 | 1880 1840 |
| 132 | 35 41 46 52 61 73 86 | 36400 31100 27400 24400 20800 17200 14700 | 42.89 36.61 32.25 28.77 24.52 20.32 17.34 | 96400 98600 99600 99900 99800 98700 97300 | 0.90 1.05 1.15 1.30 1.55 1.85 2.2 | K | 167 D315M4 | 1980 1940 |
| 160 | 41 61 73 86 | 37700 25200 20900 17800 | 36.61 24.52 20.32 17.34 | 86500 91700 92000 91600 | 0.85 1.25 1.55 1.80 | K | 167 D315M4a | 1980 1940 |
| 200 | 61 73 86 | 31500 26100 22300 | 24.52 20.32 17.34 | 80100 82400 83400 | 1.00 1.20 1.45 | K | 167 D315M4b | 1980 1940 |
Передаточное отношение 164,50
Частота вращения выходного вала, об/мин 8,5
Максимальный крутящий момент, Н*м 32000
Допустимая радиальная нагрузка, Н 150000
AD AD5
