Трехступенчатый мотор-редуктор K157 — промышленный привод смешанного типа, в состав которого входит редуктор с одной конической и двумя цилиндрическими зубчатыми передачами. Агрегат рассчитан на большие нагрузки. Максимальная мощность электродвигателя — 200 кВт. Крутящий момент на выходном валу — до 18000 Нм.
K157 — лапы / цельный вал
KF157 — фланец / цельный вал
KA157 — лапы / полый вал
KA157B — корпус B / лапы / полый вал
KAF157 — фланец / полый вал
KA157 — 150,41 — 6,4 — 7,5 — M4
| Типоразмер | a b c | e1e2f | g1g2g3 | h1h2 | j | k | m n | Размеры выходных валов | ||||
| d | I | I1I2 | S | t u | ||||||||
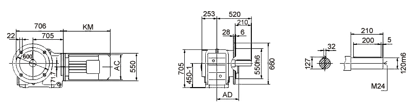
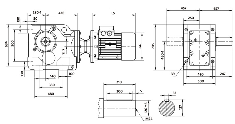
| К-157 / КА-157В | 500 380 420 | 634 480 500 | 130 140 247 | 450-1280-1 | 50 | 39 | 130 100 | 120m6 | 210 | 5 200 | M24 | 127 32 |
| Типоразмер | Размеры полого выходного вала | H | L1L2 | L3 | N | Q | ||||||
| d1 | d2 | I3I4 | I5I6 | I7I8 | s1 | t1u1 | ||||||
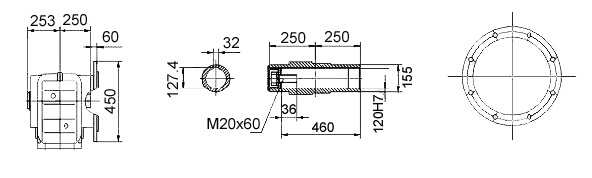
| К-157 А-157В | 120H7 | 155 | 253 250 | 40 2.5 | 36 460 | M 24×60 | 127.4 32 | 705 | 457 250 | 426 | 71.7 | 550 |
Типоразмер: мотор-редукторов | K157 |
Передаточные числа | 3,98-164,50 |
Макс. выходной вращающий момент | 69-31500 Нм |
Ресурс | В среднем ресурс работы 15000 часов с сервис фактором FS=1 |
Корпус | Литой из высокопрочного чугуна |
Тип масла | Индустриальное синтетическое масло на весь срок службы Заливается при сборке редуктора. Вязкость в соответствии с ISO |
Варианты исполнения | На лапах, фланцевое |
Диапазон мощностей мотор-редукторов | 0,12-200 кВт |
Как правило, червячный мотор-редуктор предназначен для постепенного снижения частоты вращения вала двигателя и непосредственно для передачи момента. Используется агрегат в самых разных сферах промышленности, для приводов машин и механизмов, станков и конвейеров, вспомогательных устройств. Встречается коническо-цилиндрический мотор-редуктор серии K на различных предприятиях в сельскохозяйственной, строительной и промышленной сферах. Наиболее активно используется механизм в машиностроении. Немного реже агрегат используется при автоматизации производственного процесса, создании конвейерных линий и полной модернизации электрических систем. Новейшее производственное оснащение нашей компании позволяет снизить стоимость и увеличить срок службы каждой детали. А цена на приводную продукцию и аксессуары прямо со склада порадует. Заказать доставку товара и уточнить все ее аспекты вы можете по телефонам наших специалистов.
Цилиндро-конические мотор-редукторы серии K имеют 12 типоразмеров, комплектуются асинхронными коротко замкнутыми электродвигателями переменного тока, по требованию заказчика возможна установка специальных электродвигателей. Серия K имеет большой диапазон передаточных отношений, что позволит получить любую частоту вращения на тихоходном валу. Для удобства работы и крепления имеются дополнительные опции: (выходные одно, двухсторонние цилиндрические валы, опорные фланцы, реактивные тяги и т.д.).
Мотор-редуктор в данной серии имеет некоторые особенности. В частности, это возможность легкой интеграции в электрическую систему оборудования. Редуктор можно охарактеризовать как механизм, обеспечивающий четкую работу при наличии минимального числа люфтов, а также обладающий высокой надежностью и долговечностью. Изготавливается привод по модульному принципу, при этом можно будет легко и просто осуществить замену, ремонт или же его модернизацию. Вместе с тем модернизация позволит увеличить диапазон использования оборудования. Устройство имеет корпус, изготовленный из чугуна высокого качества посредством технологии точного литья.
| Пе | Час | Мак | До | AD |
|---|---|---|---|---|
| 150,41 | 9,3 | 18000 | 112200 | AD5 |
| 122,39 | 11 | 18000 | 106500 | |
| 100,22 | 14 | 18000 | 98000 | |
| 91,65 | 15 | 18000 | 94400 | |
| 79,75 | 18 | 18000 | 88900 | |
| 70,38 | 20 | 18000 | 84200 | |
| 61,02 | 23 | 18000 | 79000 | |
| 54,29 | 26 | 18000 | 74900 | AD6 |
| 46,79 | 30 | 18000 | 70000 | AD7 |
| 38,02 | 37 | 18000 | 63300 | |
| 31,30 | 45 | 18000 | 57500 | AD8 |
| 27,62 | 51 | 18000 | 54000 | |
| 23,95 | 58 | 18000 | 50000 | |
| 21,31 | 66 | 18000 | 47000 | |
| 18,37 | 76 | 18000 | 43200 | |
| 14,92 | 94 | 18000 | 38200 | |
| 12,65 | 111 | 17000 | 36700 |
| Мощ | Час | Кру | Пере | Ра | Сер | Испол | Элек | Мас |
|---|---|---|---|---|---|---|---|---|
| 0.55 | 0.20 0.23 0.34 0.45 | 22400 19300 13000 9940 | 6881 5931 3979 3051 | 109700 111500 114400 115300 | 0.80 0.95 1.40 1.80 | K KF KA KAF | 157R97 D80K4 | 790 870 750 810 |
| 0.75 | 0.35 0.45 | 17800 13600 | 3979 3051 | 112300 114100 | 1.00 1.30 | K KF KA KAF | 157 R97 D80N4 | 790 870 750 810 |
| 0.83 1.0 | 7440 6040 | 1659 1365 | 115900 116200 | 2.4 3.0 | K KF KA KAF | 157 R97 D80N4 | 790 870 750 810 | |
| 1.1 | 0.40 0.46 0.54 0.60 | 22900 20100 16900 15100 | 3516 3051 2610 2322 | 109300 111100 112700 113500 | 0.80 0.90 1.05 1.20 | K KF KA KAF | 157 R97 D90S4 | 800 870 760 820 |
| 0.84 1.0 1.1 1.3 1.5 1.6 | 11000 8970 8030 7150 6160 5550 | 1659 1365 1229 1093 942 854 | 115000 115600 115800 116000 116100 116200 | 1.65 2.0 2.2 2.5 2.9 3.2 | K KF KA KAF | 157 R97 D90S4 | 790 870 760 810 | |
| 1.5 | 0.61 | 20700 | 2322 | 110700 | 1.85 | K KF KA KAF | 157 R97 D90L4 | 800 880 760 820 |
| 0.85 1.0 1.1 1.3 1.5 1.6 2.5 2.8 | 15100 12300 11100 9840 8480 7650 5050 4490 | 1659 1365 1229 1093 942 854 567 504 | 113500 114600 115000 115300 115700 115900 116300 116400 | 1.20 1.45 1.65 1.85 2.1 2.3 3.6 4.0 | K KF KA KAF | 157 R97 D90L4 | 790 870 760 820 | |
| 2.2 | 0.85 1.0 1.1 1.3 1.5 1.6 1.9 | 22400 18300 16500 14600 12600 11400 9990 | 1659 1365 1229 1093 942 854 756 | 109700 112000 112900 113700 114500 114900 115300 | 0.80 1.00 1.10 1.25 1.45 1.60 1.80 | K KF KA KAF | 157 R97 D100M4 | 800 880 760 820 |
| 3.0 | 1.1 1.3 1.5 1.6 1.9 2.5 2.8 | 22800 20300 17500 15800 13900 10500 9310 | 1229 1093 942 854 765 567 504 | 109400 111000 112400 113200 114000 115200 115500 | 0.80 0.90 1.05 1.15 1.30 1.70 1.95 | K KF KA KAF | 157 R97 D100L4 | 810 880 770 830 |
| 4.0 | 1.7 1.9 2.5 2.8 3.3 | 20900 18400 13800 12300 10600 | 854 765 567 504 434 | 110600 112000 114000 114600 115100 | 0.85 1.00 1.30 1.45 1.70 | K KF KA KAF | 157 R97 D112M4 | 810 890 780 830 |
| 5.5 | 2.2 2.5 2.8 3.3 3.8 4.3 | 22100 19000 16900 14500 12700 11100 | 661 567 504 434 379 333 | 109900 111700 112700 113800 114500 115000 | 0.80 0.95 1.05 1.25 1.40 1.60 | K KF KA KAF | 157 R97 D132S4 | 820 900 780 840 |
| 4.7 5.8 7.1 7.8 | 11100 9050 7410 6780 | 150.41 122.39 100.22 91.65 | 115000 115500 115900 116000 | 1.60 2.0 2.4 2.7 | K KF KA KAF | 157 D160M8 | 730 810 700 760 | |
| 7.5 | 6.4 7.8 9.6 10 12 | 11200 9130 7480 6840 5950 | 150.41 122.39 100.22 91.65 79.75 | 114900 115500 115900 116000 116200 | 1.60 1.95 2.4 2.6 3.0 | K KF KA KAF | 157 D160M6 | 730 810 700 760 |
| 3.3 3.8 4.3 4.9 | 19900 17400 15300 13300 | 434 379 333 291 | 111200 112500 113500 114200 | 0.90 1.05 1.20 1.35 | K KF KA KAF | 157 R97 D132M4 | 840 920 800 860 | |
| 9.2 | 3.7 4.4 4.8 5.7 6.2 | 21400 18100 16700 14100 12800 | 385 325 299 253 230 | 110300 112100 112800 113900 114400 | 0.85 1.00 1.10 1.25 1.40 | K KF KA KAF | 157 R107 D132ML4 | 890 970 860 920 |
| 3.8 4.3 4.9 | 21200 18600 16300 | 379 333 291 | 110400 111900 113000 | 0.85 0.95 1.10 | K KF KA KAF | 157 R97 D132ML4 | 850 930 810 870 | |
| 11.0 | 5.9 7.2 7.9 9.0 | 17900 14600 13400 11600 | 122.39 100.22 91.65 79.75 | 112300 113700 114200 114800 | 1.00 1.25 1.35 1.55 | K KF KA KAF | 157 D180L8 | 800 880 770 830 |
| 6.4 7.8 9.6 10 12 | 16500 13400 11000 10000 8730 | 150.41 122.39 100.22 91.65 79.75 | 112900 114200 115000 115300 115600 | 1.10 1.35 1.65 1.80 2.1 | K KF KA KAF | 157 D160L6 | 770 850 730 790 | |
| 9.6 12 14 16 | 11000 8930 7310 6690 | 150.41 122.39 100.22. 91.65 | 115000 115600 115900 116000 | 1.65 2.0 2.5 2.7 | K KF KA KAF | 157 D160M4 | 730 810 700 760 | |
| 4.3 4.9 | 22300 19500 | 333 291 | 109700 111400 | 0.80 0.90 | K KF KA KAF | 157 R97 D160M4 | 850 930 820 870 | |
| 15.0 | 7.9 9.7 11 12 14 | 18100 14800 13500 11800 10400 | 122.39 100.22 91.65 79.75 70.38 | 112200 113700 114100 114800 115200 | 1.00 1.20 1.35 1.55 1.75 | K KF KA KAF | 157 D180L6 | 800 880 770 830 |
| 9.7 12 15 16 18 | 14800 12000 9830 8990 7820 | 150.41 122.39 100.22 91.65 79.75 | 113700 114700 114200 112500 109600 | 1.20 1.50 1.85 2.0 2.3 | K KF KA KAF | 157 D160L4 | 770 850 730 790 | |
| 6.3 6.9 7.8 9.3 12 14 | 20700 19200 16800 14200 11000 9630 | 230 218 187 157 122 107 | 110700 116000 112800 113900 115000 115400 | 0.85 0.95 1.05 1.25 1.65 1.85 | K KF KA KAF | 157 R107 D160L4 | 940 1020 900 960 | |
| 18.5 | 9.7 11 12 14 | 18300 16700 14500 12800 | 100.22 91.65 79.75 70.38 | 112100 112800 111500 109900 | 1.00 1.10 1.25 1.40 | K KF KA KAF | 157 D200LS6 | 870 950 830 890 |
| 12 15 16 18 21 24 27 31 39 | 14800 12100 11100 9620 8490 7360 6550 5640 4580 | 122.39 100.22 91.65 79.75 70.38 61.02 54.29 46.79 38.02 | 111600 109100 107800 105600 103400 100700 98500 95500 91300 | 1.20 1.50 1.65 1.85 2.1 2.5 2.8 3.2 3.9 | K KF KA KAF | 157 D180M4 | 790 870 750 810 | |
| 7.8 9.3 12 14 | 20700 17400 13600 11900 | 187 157 122 107 | 110700 112500 114100 112300 | 0.85 1.05 1.35 1.50 | K KF KA KAF | 157 R107 D180M4 | 960 1040 920 980 | |
| 22 | 9.7 11 12 14 16 | 21700 19900 17300 15200 13200 | 100.22 91.65 79.75 70.38 61.02 | 105900 105900 105500 104600 103300 | 0.85 0.90 1.05 1.20 1.35 | K KF KA KAF | 157 D200L6 | 880 960 850 910 |
| 12 15 16 18 21 24 27 31 39 | 17600 14400 13100 11400 10100 8750 7790 6710 5450 | 122.39 100.22 91.65 79.75 70.38 61.02 54.29 46.79 38.02 | 105500 104100 103200 101600 99800 97700 95800 93200 89400 | 1.05 1.25 1.35 1.55 1.80 2.1 2.3 2.7 3.3 | K KF KA KAF | 157 D180L4 | 800 880 770 830 | |
| 9.3 12 14 | 20800 16200 14100 | 157 122 107 | 109800 108600 107300 | 0.85 1.10 1.25 | K KF KA KAF | 157 R107 D180L4 | 980 1050 940 1000 | |
| 30 | 15 16 18 21 24 27 31 39 47 | 19500 17900 15500 13700 11900 10600 9120 7410 6100 | 100.22 91.65 79.75 70.38 61.02 54.29 46.79 38.02 31.30 | 92700 92800 92400 91800 90700 89500 87800 85100 82200 | 0.90 1.00 1.15 1.30 1.50 1.70 1.95 2.4 3.0 | K KF KA KAF | 157 D200L4 | 880 960 850 910 |
| 37 | 16 18 | 22000 19200 | 91.65 79.75 | 83600 84500 | 0.80 0.95 | K KF KA KAF | 157 D225S4 | 930 1010 900 960 |
| 21 24 27 31 39 47 | 16900 14700 13000 11200 9140 7520 | 70.38 61.02 54.29 46.79 38.02 31.30 | 84800 84600 84100 83200 81300 79100 | 1.05 1.25 1.40 1.60 1.95 2.4 | K KF KA KAF | 157 D225S4 | 930 1010 900 960 | |
| 45 | 21 24 27 31 39 47 53 61 69 80 | 20600 17800 15900 13700 11100 9150 8080 7000 6230 5370 | 70.38 61.02 54.29 46.79 38.02 31.30 27.62 23.95 21.31 18.37 | 76800 77700 77900 77800 76900 75500 74300 72800 71500 69700 | 0.85 1.00 1.15 1.30 1.60 1.95 2.2 2.6 2.9 3.3 | K KF KA KAF | 157 D225M4 | 960 1040 930 980 |
| 55 | 24 27 32 39 47 53 62 69 80 99 117 | 21700 19300 16700 13500 11100 9840 8530 7590 6540 5310 4510 | 61.02 54.29 46.79 38.02 31.30 27.62 23.95 21.31 18.37 14.92 12.65 | 69000 70200 71200 71500 71000 70400 69400 68400 67000 64800 62900 | 0.85 0.95 1.10 1.35 1.60 1.85 2.1 2.4 2.8 3.4 3.8 | K KF KA KAF | 157 D250M4 | 1090 1170 1050 1110 |
| 75 | 39 47 54 62 69 81 99 117 | 18400 15100 13400 11600 10300 8890 7220 6120 | 38.02 31.30 27.62 23.95 21.31 18.37 14.92 12.65 | 60800 62200 62600 62600 62400 61800 60500 59300 | 1.00 1.20 1.35 1.55 1.75 2.0 2.5 2.8 | K KF KA KAF | 157 D280S4 | 1220 1300 1190 1250 |
| 90 | 39 47 54 62 69 81 99 117 | 22100 18200 16000 13900 12400 10700 8670 7350 | 38.02 31.30 27.62 23.95 21.31 18.37 14.92 12.65 | 52700 55500 56700 57500 57900 57900 57400 56600 | 0.80 1.00 1.10 1.30 1.45 1.70 2.1 2.3 | K KF KA KAF | 157 D280M4 | 1300 1380 1260 1320 |
| 110 | 62 70 81 100 117 | 16900 15100 13000 10600 8950 | 23.95 21.31 18.37 14.92 12.65 | 50800 51900 52700 53100 53000 | 1.05 1.20 1.40 1.70 1.90 | K KF KA KAF | 157 D315S4 | 1490 1560 1450 1510 |
| 132 | 62 70 81 100 117 | 20300 18100 15600 12700 10700 | 23.95 21.31 18.37 14.92 12.65 | 43400 45300 47000 48500 49100 | 0.90 1.10 1.15 1.40 1.60 | K KF KA KAF | 157 D315M4 | 1590 1660 1550 1610 |
| 160 | 81 100 117 | 18900 15400 13000 | 18.37 14.92 12.65 | 39800 42600 44100 | 0.95 1.15 1.30 | K KF KA KAF | 157 D315M4a | 1590 1660 1550 1610 |
| 200 | 100 117 | 19200 16300 | 14.92 12.65 | 34200 36900 | 0.95 1.05
| K KF KA KAF | 157 D315M4b | 1590 1660 1550 1610 |
Типоразмер: мотор-редукторов K157
Передаточные числа 3,98-164,50
Макс. выходной вращающий момент 69-31500 Нм
В среднем ресурс работы 15000 часов с сервис фактором FS=1
Корпус: Литой из высокопрочного чугуна
Тип масла: Индустриальное синтетическое масло
Варианты исполнения: На лапах, фланцевое
Диапазон мощностей мотор-редукторов 0,12-200 кВт
