Трехступенчатый коническо-цилиндрический мотор-редуктор K97 обеспечивает передаточные числа в диапазоне от 8,71 до 8054. Мощность трехфазного электродвигателя: 0,12 — 22 кВт. Мотор-редуктор K97 характеризуется долгим сроком службы при минимальном техническом обслуживании на производстве.
K97 — лапы / цельный вал
KF97 — фланец / цельный вал
KA97 — лапы / полый вал
KA97B — корпус B / лапы / полый вал
KAF97 — фланец / полый вал
KA97 — 102,71 — 9,0 — 1,5 — M4
| Типоразмер | a b c | e1e2f | g1g2g3 | h1h2 | j | k | m n | Размеры выходных валов | ||||
| d | I | I1I2 | S | t u | ||||||||
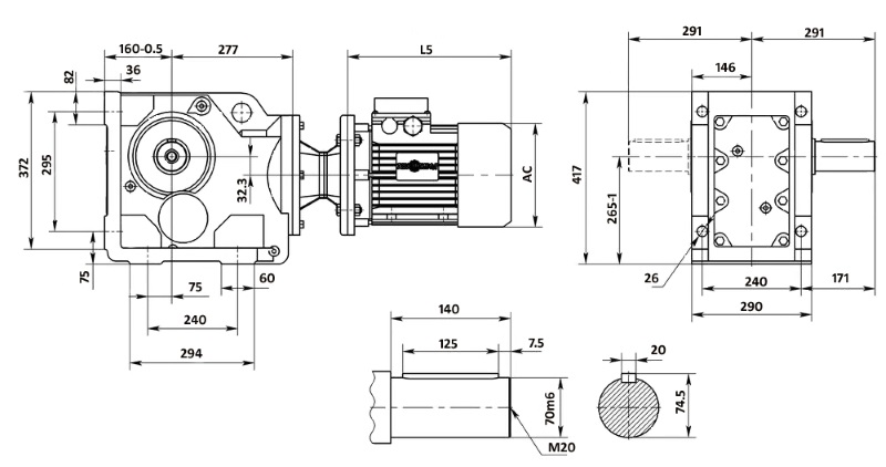
| К-97 КА-97В | 295 240 240 | 372 294 290 | 75 75 171 | 265-1160-0.5 | 36 | 26 | 82 60 | 70m6 | 140 | 7.5 125 | M20 | 74.5 20 |
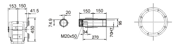
| Типоразмер | Размеры полого выходного вала | H | L1L2 | L3 | N | Q | ||||||
| d1 | d2 | I3I4 | I5I6 | I7I8 | s1 | t1u1 | ||||||
| К-97 КА-97В | 70H7 | 95 | 153 150 | 30 4 | 34 270 | M 20×50 | 74.9 20 | 417 | 291 146 | 277 | 32.3 | 300 |
Типоразмер: мотор-редукторов | K97 |
Передаточные числа | 3,98-164,50 |
Макс. выходной вращающий момент | 69-31500 Нм |
Ресурс | В среднем ресурс работы 15000 часов с сервис фактором FS=1 |
Корпус | Литой из высокопрочного чугуна |
Тип масла | Индустриальное синтетическое масло на весь срок службы Заливается при сборке редуктора. Вязкость в соответствии с ISO |
Варианты исполнения | На лапах, фланцевое |
Диапазон мощностей мотор-редукторов | 0,12-200 кВт |
Как правило, червячный мотор-редуктор предназначен для постепенного снижения частоты вращения вала двигателя и непосредственно для передачи момента. Используется агрегат в самых разных сферах промышленности, для приводов машин и механизмов, станков и конвейеров, вспомогательных устройств. Встречается коническо-цилиндрический мотор-редуктор серии K на различных предприятиях в сельскохозяйственной, строительной и промышленной сферах. Наиболее активно используется механизм в машиностроении. Немного реже агрегат используется при автоматизации производственного процесса, создании конвейерных линий и полной модернизации электрических систем. Новейшее производственное оснащение нашей компании позволяет снизить стоимость и увеличить срок службы каждой детали. А цена на приводную продукцию и аксессуары прямо со склада порадует. Заказать доставку товара и уточнить все ее аспекты вы можете по телефонам наших специалистов.
Цилиндро-конические мотор-редукторы серии K имеют 12 типоразмеров, комплектуются асинхронными коротко замкнутыми электродвигателями переменного тока, по требованию заказчика возможна установка специальных электродвигателей. Серия K имеет большой диапазон передаточных отношений, что позволит получить любую частоту вращения на тихоходном валу. Для удобства работы и крепления имеются дополнительные опции: (выходные одно, двухсторонние цилиндрические валы, опорные фланцы, реактивные тяги и т.д.).
Мотор-редуктор в данной серии имеет некоторые особенности. В частности, это возможность легкой интеграции в электрическую систему оборудования. Редуктор можно охарактеризовать как механизм, обеспечивающий четкую работу при наличии минимального числа люфтов, а также обладающий высокой надежностью и долговечностью. Изготавливается привод по модульному принципу, при этом можно будет легко и просто осуществить замену, ремонт или же его модернизацию. Вместе с тем модернизация позволит увеличить диапазон использования оборудования. Устройство имеет корпус, изготовленный из чугуна высокого качества посредством технологии точного литья.
| Передаточное отношение | Частота вращения выходного вала, об/мин | Максимальный крутящий момент, Н*м | Допустимая радиальная нагрузка, Н | AD |
|---|---|---|---|---|
| 176,05 | 8,0 | 4300 | 40000 | AD3 |
| 153,21 | 9,1 | 4300 | 40000 | |
| 140,28 | 10 | 4300 | 40000 | |
| 123,93 | 11 | 4300 | 40000 | |
| 105,13 | 13 | 4300 | 40000 | |
| 96,80 | 14 | 4300 | 40000 | |
| 86,52 | 16 | 4300 | 38800 | |
| 77,89 | 18 | 4300 | 37100 | |
| 7,54 | 20 | 4300 | 35600 | |
| 62,55 | 22 | 4300 | 33800 | AD4 |
| 56,55 | 25 | 4300 | 32300 | |
| 47,93 | 29 | 4300 | 30000 | |
| 41,87 | 33 | 4300 | 28300 | |
| 38,30 | 37 | 4300 | 27100 | AD5 |
| 34,23 | 41 | 4300 | 25700 | |
| 30,82 | 45 | 4300 | 24500 | |
| 27,91 | 50 | 4300 | 23300 | |
| 24,75 | 57 | 4300 | 22000 | |
| 22,37 | 63 | 4300 | 20900 | |
| 18,96 | 74 | 4300 | 19100 | |
| 16,56 | 85 | 4300 | 17800 | |
| 13,85 | 101 | 4300 | 16100 | AD6 |
| 11,99 | 117 | 3890 | 16200 | |
| 10,41 | 134 | 2870 | 16400 | AD5 |
| 8,71 | 161 | 2660 | 15800 | AD6 |
| Мощность электродвигателя, кВт | Частота вращения вала, об/мин | Крутящий момент, Н*м | Передаточное отношение | Радиальная нагрузка, Н | Сервис-фактор | Исполнение | Электродвигатель | Масса |
|---|---|---|---|---|---|---|---|---|
| 0.12 | 0.17 0.20 0.23 0.26 0.30 0.34 0.39 0.44 0.50 | 5310 4350 3890 3560 2950 2640 2320 2040 1720 | 8054 6970 6027 5391 4669 4082 3583 3108 2757 | 39500 40000 40000 40000 40000 40000 40000 40000 40000 | 0.80 1.00 1.10 1.20 1.45 1.65 1.85 2.1 2.5 | K KF KA KAF | 97 R57 D63S4 | 180 200 160 185 |
| 0.57 0.65 0.74 0.85 0.96 1.1 1.2 | 1580 1370 1220 1000 860 830 725 | 2419 2123 1856 1625 1430 1261 1102 | 40000 40000 40000 40000 40000 40000 40000 | 2.7 3.2 3.5 4.3 5.0 5.2 5.9 | K KF KA KAF | 97 R57 D63S4 | 180 200 160 185 | |
| 0.18 | 0.28 0.32 0.37 0.42 0.48 | 4960 4390 3860 3370 2910 | 4669 4082 3583 3108 2757 | 39900 40000 40000 40000 40000 | 0.85 1.00 1.10 1.25 1.50 | K KF KA KAF | 97 R57 D63M4 | 180 200 160 185 |
| 0.55 0.62 0.71 0.81 0.92 1.0 1.2 1.4 1.5 1.8 2.0 | 2640 2290 2030 1710 1490 1380 1210 1040 930 755 675 | 2419 2123 1856 1625 1430 1261 1102 957 855 743 652 | 40000 40000 40000 40000 40000 40000 40000 40000 40000 40000 40000 | 1.65 1.90 2.1 2.5 2.9 3.1 3.6 4.1 4.6 5.7 6.4 | K KF KA KAF | 97 R57 D63M4 | 180 200 160 185 | |
| 0.25 | 0.42 0.47 | 4890 4250 | 3108 2757 | 40000 40000 | 0.90 1.00 | K KF KA KAF | 97 R57 D63L4 | 180 200 160 185 |
| 0.54 0.61 0.70 0.80 0.91 1.0 1.2 1.4 1.5 | 3840 3340 2950 2520 2190 2010 1750 1520 1360 | 2419 2123 1856 1625 1430 1261 1102 957 855 | 40000 40000 40000 40000 40000 40000 40000 40000 40000 | 1.10 1.30 1.45 1.70 1.95 2.1 2.5 2.8 3.2 | K KF KA KAF | 97 R57 D63L4 | 180 200 160 185 | |
| 0.37 | 0.65 0.74 0.85 0.96 1.1 1.2 1.4 1.6 1.9 2.1 2.4 | 4770 4200 3610 3160 2850 2490 2160 1930 1620 1430 1280 | 2123 1856 1625 1430 1261 1102 957 855 743 652 573 | 40000 40000 40000 40000 40000 40000 40000 40000 40000 40000 40000 | 0.90 1.00 1.20 1.35 1.50 1.70 2.0 2.2 2.7 3.0 3.4 | K KF KA KAF | 97 R57 D71D4 | 180 200 160 185 |
| 0.55 | 0.95 1.1 1.2 1.4 1.6 1.8 2.1 2.4 2.7 3.1 3.6 4.5 | 4880 4380 3820 3320 2960 2520 2220 1970 1700 1470 1300 1040 | 1430 1261 1102 957 855 743 652 573 504 437 382 305 | 40000 40000 40000 40000 40000 40000 40000 40000 40000 40000 40000 40000 | 0.90 1.00 1.15 1.30 1.45 1.70 1.95 2.2 2.5 2.9 3.3 4.1 | K KF KA KAF | 97 R57 D80K4 | 180 205 165 190 |
| 0.75 | 1.2 1.4 1.6 1.9 2.1 2.4 2.7 3.2 3.6 4.5 5.4 5.9 6.9 | 5180 4490 4020 3430 3020 2680 2320 2010 1770 1420 1190 1080 920 | 1102 957 855 743 652 573 504 437 382 305 258 232 199 | 39700 40000 40000 40000 40000 40000 40000 40000 40000 40000 40000 40000 40000 | 0.85 0.95 1.05 1.25 1.40 1.60 1.85 2.1 2.4 3.0 3.6 4.0 4.7 | K KF KA KAF | 97 R57 D80N4 | 185 205 165 190 |
| 3.9 4.5 4.9 | 1830 1590 1460 | 176.05 153.21 140.28 | 40000 40000 40000 | 2.3 2.7 3.0 | K KF KA KAF | 97 D100M8 | 175 195 155 180 | |
| 1.1 | 1.9 2.2 2.4 2.8 3.2 3.7 4.1 | 5030 4420 3910 3400 2940 2590 2300 | 743 652 573 504 437 382 342 | 39900 40000 40000 40000 40000 40000 40000 | 0.85 0.95 1.10 1.25 1.45 1.65 1.85 | K KF KA KAF | 97 R57 D90S4 | 190 210. 170 195 |
| 3.9 4.4 4.8 5.5 | 2720 2370 2170 1910 | 176.05 153.21 140.28 123.93 | 40000 40000 40000 40000 | 1.60 1.80 2.0 2.2 | K KF KA KAF | 97 D100L8 | 175 200 160 185 | |
| 5.2 6.0 6.6 7.4 | 2010 1750 1600 1420 | 176.05 153.21 140.28 123.93 | 40000 40000 40000 40000 | 2.1 2.5 2.7 3.0 | K KF KA KAF | 97 D90L6 | 165 185 145 170 | |
| 7.9 9.1 10 | 1320 1150 1050 | 176.05 153.21 140.28 | 40000 40000 40000 | 3.3 3.7 4.1 | K KF KA KAF | 97 D90S4 | 165 185 145 170 | |
| 1.5 | 4.6 5.0 5.7 | 3140 2870 2540 | 153.21 140.28 123.93 | 40000 40000 40000 | 1.35 1.50 1.70 | K KF KA KAF | 97 D112M8 | 185 205 165 190 |
| 5.2 6.0 6.6 7.4 | 2740 2390 2180 1930 | 176.05 153.21 140.28 123.93 | 40000 40000 40000 40000 | 1.55 1.80 1.95 2.2 | K KF KA KAF | 97 D100M6 | 175 195 155 180 | |
| 8.0 9.2 10 11 | 1790 1560 1430 1260 | 176.05 153.21 140.28 123.93 | 40000 40000 40000 40000 | 2.4 2.8 3.0 3.4 | K KF KA KAF | 97 D90L4 | 165 185 145 170 | |
| 2.5 2.8 3.2 3.7 4.1 4.6 5.5 6.1 7.1 | 5320 4650 4020 3540 3140 2820 2380 2140 1840 | 573 504 437 382 342 305 258 232 199 | 39500 40000 40000 40000 40000 40000 40000 40000 40000 | 0.80 0.95 1.05 1.20 1.35 1.50 1.80 2.0 2.3 | K KF KA KAF | 97 R57 D90L4 | 190 210 170 195 | |
| 2.2 | 6.1 6.7 7.6 8.9 | 3420 3140 2770 2350 | 153.21 140.28 123.93 105.13 | 40000 40000 40000 40000 | 1.25 1.35 1.55 1.85 | K KF KA KAF | 97 D112M6 | 185 205 165 190 |
| 8.0 9.2 10 11 | 2620 2280 2090 1850 | 176.05 153.21 140.28 123.93 | 40000 40000 40000 40000 | 1.65 1.90 2.1 2.3 | K KF KA KAF | 97 D100M4 | 175 195 155 180 | |
| 13 15 | 1570 1440 | 105.13 96.80 | 40000 40000 | 2.8 3.0 | K KF KA KAF | 97 D100M4 | 175 195 155 180 | |
| 3.7 4.1 4.6 5.5 6.1 7.1 | 5210 4640 4170 3510 3160 2710 | 382 342 305 258 232 199 | 39700 40000 40000 40000 40000 40000 | 0.80 0.95 1.05 1.20 1.35 1.60 | K KF KA KAF | 97 R57 D100M4 | 195 220 180 205 | |
| 3.0 | 7.6 8.9 9.7 11 | 3780 3200 2950 2640 | 123.93 105.13 96.80 86.52 | 40000 40000 40000 40000 | 1.15 1.35 1.45 1.65 | K KF KA KAF | 97 D132S6 | 190 210 170 195 |
| 7.9 9.1 10 11 | 3600 3140 2870 2540 | 176.05 153.21 140.28 123.93 | 40000 40000 40000 40000 | 1.20 1.35 1.50 1.70 | K KF KA KAF | 97 D100L4 | 175 200 160 185 | |
| 13 14 16 18 20 22 25 | 2150 1980 1770 1590 1440 1280 1160 | 105.13 96.80 86.52 77.89 70.54 62.55 56.55 | 40000 40000 40000 40000 40000 40000 40000 | 2.0 2.2 2.4 2.7 3.0 3.4 3.7 | K KF KA KAF | 97 D100L4 | 175 200 160 185 | |
| 5.4 6.0 7.0 | 4840 4360 3740 | 258 232 199 | 40000 40000 40000 | 0.90 1.00 1.15 | K KF KA KAF | 97 R57 D100L4 | 200 220 185 210 | |
| 4.0 | 9.3 10 11 | 4120 3770 3330 | 153.21 140.28 123.93 | 40000 40000 40000 | 1.05 1.15 1.30 | K KF KA KAF | 97 D112M4 | 185 205 165 190 |
| 14 15 16 18 20 | 2830 2600 2330 2100 1900 | 105.13 96.80 86.52 77.89 70.54 | 40000 40000 40000 40000 40000 | 1.50 1.65 1.85 2.0 2.3 | K KF KA KAF | 97 D112M4 | 185 205 165 190 | |
| 7.1 | 4930 | 199 | 40000 | 0.85 | K KF KA KAF | 97 R57 D112M4 | 210 230 190 215 | |
| 5.5 | 12 14 15 17 | 4550 3860 3560 3180 | 123.93 105.13 96.80 86.52 | 40000 40000 40000 40000 | 0.95 1.10 1.20 1.35 | K KF KA KAF | 97 D132S4 | 190 210 170 195 |
| 18 20 23 25 30 | 2860 2590 2300 2080 1760 | 77.89 70.54 62.55 56.55 47.93 | 40000 40000 40000 39700 38600 | 1.50 1.65 1.85 2.1 2.4 | K KF KA KAF | 97 D132S4 | 190 210 170 195 | |
| 7.5 | 15 17 18 20 23 | 4850 4330 3900 3530 3130 | 96.80 86.52 77.89 70.54 62.55 | 38300 38300 38100 37900 37500 | 0.90 1.00 1.10 1.20 1.35 | K KF KA KAF | 97 D132M4 | 210 230 190 215 |
| 25 30 34 37 42 | 2830 2400 2100 1920 1710 | 56.55 47.93 41.87 38.30 34.23 | 37100 36400 35600 35100 34400 | 1.50 1.80 2.0 2.2 2.5 | K KF KA KAF | 97 D132M4 | 210 230 190 215 | |
| 9.2 | 18 20 23 25 | 4750 4300 3820 3450 | 77.89 70.54 62.55 56.55 | 35100 35100 35100 34900 | 0.90 1.00 1.15 1.25 | K KF KA KAF | 97 D132ML4 | 220 240 200 225 |
| 30 34 38 42 47 52 58 | 2920 2550 2340 2090 1880 1700 1510 | 47.93 41.87 38.30 34.23 30.82 27.91 24.75 | 34400 34000 33600 33100 32500 32000 31300 | 1.45 1.70 1.85 2.1 2.3 2.5 2.8 | K KF KA KAF | 97 D132ML4 | 220 240 200 225 | |
| 11.0 | 20 23 25 30 | 5150 4560 4130 3500 | 70.54 62.55 56.55 47.93 | 32200 32500 32500 32500 | 0.85 0.95 1.05 1.25 | K KF KA KAF | 97 D160M4 | 225 245 205 230 |
| 34 38 42 47 52 58 64 | 3050 2790 2500 2250 2040 1800 1630 | 41.87 38.30 34.23 30.82 27.91 24.75 22.37 | 32200 32000 31600 31300 30800 30300 29800 | 1.40 1.55 1.70 1.90 2.1 2.4 2.6 | K KF KA KAF | 97 D160M4 | 225 245 205 230 | |
| 15.0 | 30 35 38 43 47 | 4700 4110 3760 3360 3020 | 47.93 41.87 38.30 34.23 30.82 | 28100 28400 28500 28500 28400 | 0.90 1.05 1.15 1.30 1.40 | K KF KA KAF | 97 D160L4 | 265 285 245 270 |
| 52 59 65 77 88 | 2740 2430 2190 1860 1620 | 27.91 24.75 22.37 18.96 16.56 | 28300 28000 27700 27200 26600 | 1.55 1.75 1.95 2.3 2.7 | K KF KA KAF | 97 D160L4 | 265 285 245 270 | |
| 18.5 | 35 48 53 59 | 5050 3720 3360 2980 | 41.87 30.82 27.91 24.75 | 25100 26000 26000 26000 | 0.85 1.15 1.30 1.45 | K KF KA KAF | 97 D180M4 | 285 305 270 295 |
| 65 77 88 106 122 | 2700 2290 2000 1670 1450 | 22.37 18.96 16.56 13.85 11.99 | 25900 25700 25300 24800 24300 | 1.60 1.90 2.2 2.6 2.7 | K KF KA KAF | 97 D180M4 | 285 305 270 295 | |
| 22.0 | 48 53 59 65 | 4420 4000 3550 3210 | 30.82 27.91 24.75 22.37 | 23500 23800 24100 24200 | 0.95 1.05 1.20 1.35 | K KF KA KAF | 97 D180L4 | 300 320 285 310 |
| 77 88 106 122 141 168 | 2720 2370 1990 1720 1490 1250 | 18.96 16.56 13.85 11.99 10.41 8.71 | 24100 24000 23700 23300 21800 21300 | 1.60 1.80 2.2 2.3 1.90 2.1 | K KF KA KAF | 97 D180L4 | 300 320 285 310 | |
| 30.0 | 59 66 78 89 106 123 141 169 | 4820 4360 3690 3230 2700 2340 2030 1700 | 24.75 22.37 18.96 16.56 13.85 11.99 10.41 8.71 | 19600 20100 20700 21000 21200 21100 19500 19400 | 0.90 1.00 1.15 1.35 1.60 1.65 1.40 1.55 | K KF KA KAF | 97 D200L4 | 385 405 365 390 |
| Пе | Час | Мак | До | AD |
|---|---|---|---|---|
| 176,05 | 8,0 | 4300 | 40000 | AD3 |
| 153,21 | 9,1 | 4300 | 40000 | |
| 140,28 | 10 | 4300 | 40000 | |
| 123,93 | 11 | 4300 | 40000 | |
| 105,13 | 13 | 4300 | 40000 | |
| 96,80 | 14 | 4300 | 40000 | |
| 86,52 | 16 | 4300 | 38800 | |
| 77,89 | 18 | 4300 | 37100 | |
| 7,54 | 20 | 4300 | 35600 | |
| 62,55 | 22 | 4300 | 33800 | AD4 |
| 56,55 | 25 | 4300 | 32300 | |
| 47,93 | 29 | 4300 | 30000 | |
| 41,87 | 33 | 4300 | 28300 | |
| 38,30 | 37 | 4300 | 27100 | AD5 |
| 34,23 | 41 | 4300 | 25700 | |
| 30,82 | 45 | 4300 | 24500 | |
| 27,91 | 50 | 4300 | 23300 | |
| 24,75 | 57 | 4300 | 22000 | |
| 22,37 | 63 | 4300 | 20900 | |
| 18,96 | 74 | 4300 | 19100 | |
| 16,56 | 85 | 4300 | 17800 | |
| 13,85 | 101 | 4300 | 16100 | AD6 |
| 11,99 | 117 | 3890 | 16200 | |
| 10,41 | 134 | 2870 | 16400 | AD5 |
| 8,71 | 161 | 2660 | 15800 | AD6 |
| Мощ | Час | Кру | Пере | Ра | Сер | Испол | Элек | Мас |
|---|---|---|---|---|---|---|---|---|
| 0.12 | 0.17 0.20 0.23 0.26 0.30 0.34 0.39 0.44 0.50 | 5310 4350 3890 3560 2950 2640 2320 2040 1720 | 8054 6970 6027 5391 4669 4082 3583 3108 2757 | 39500 40000 40000 40000 40000 40000 40000 40000 40000 | 0.80 1.00 1.10 1.20 1.45 1.65 1.85 2.1 2.5 | K KF KA KAF | 97 R57 D63S4 | 180 200 160 185 |
| 0.57 0.65 0.74 0.85 0.96 1.1 1.2 | 1580 1370 1220 1000 860 830 725 | 2419 2123 1856 1625 1430 1261 1102 | 40000 40000 40000 40000 40000 40000 40000 | 2.7 3.2 3.5 4.3 5.0 5.2 5.9 | K KF KA KAF | 97 R57 D63S4 | 180 200 160 185 | |
| 0.18 | 0.28 0.32 0.37 0.42 0.48 | 4960 4390 3860 3370 2910 | 4669 4082 3583 3108 2757 | 39900 40000 40000 40000 40000 | 0.85 1.00 1.10 1.25 1.50 | K KF KA KAF | 97 R57 D63M4 | 180 200 160 185 |
| 0.55 0.62 0.71 0.81 0.92 1.0 1.2 1.4 1.5 1.8 2.0 | 2640 2290 2030 1710 1490 1380 1210 1040 930 755 675 | 2419 2123 1856 1625 1430 1261 1102 957 855 743 652 | 40000 40000 40000 40000 40000 40000 40000 40000 40000 40000 40000 | 1.65 1.90 2.1 2.5 2.9 3.1 3.6 4.1 4.6 5.7 6.4 | K KF KA KAF | 97 R57 D63M4 | 180 200 160 185 | |
| 0.25 | 0.42 0.47 | 4890 4250 | 3108 2757 | 40000 40000 | 0.90 1.00 | K KF KA KAF | 97 R57 D63L4 | 180 200 160 185 |
| 0.54 0.61 0.70 0.80 0.91 1.0 1.2 1.4 1.5 | 3840 3340 2950 2520 2190 2010 1750 1520 1360 | 2419 2123 1856 1625 1430 1261 1102 957 855 | 40000 40000 40000 40000 40000 40000 40000 40000 40000 | 1.10 1.30 1.45 1.70 1.95 2.1 2.5 2.8 3.2 | K KF KA KAF | 97 R57 D63L4 | 180 200 160 185 | |
| 0.37 | 0.65 0.74 0.85 0.96 1.1 1.2 1.4 1.6 1.9 2.1 2.4 | 4770 4200 3610 3160 2850 2490 2160 1930 1620 1430 1280 | 2123 1856 1625 1430 1261 1102 957 855 743 652 573 | 40000 40000 40000 40000 40000 40000 40000 40000 40000 40000 40000 | 0.90 1.00 1.20 1.35 1.50 1.70 2.0 2.2 2.7 3.0 3.4 | K KF KA KAF | 97 R57 D71D4 | 180 200 160 185 |
| 0.55 | 0.95 1.1 1.2 1.4 1.6 1.8 2.1 2.4 2.7 3.1 3.6 4.5 | 4880 4380 3820 3320 2960 2520 2220 1970 1700 1470 1300 1040 | 1430 1261 1102 957 855 743 652 573 504 437 382 305 | 40000 40000 40000 40000 40000 40000 40000 40000 40000 40000 40000 40000 | 0.90 1.00 1.15 1.30 1.45 1.70 1.95 2.2 2.5 2.9 3.3 4.1 | K KF KA KAF | 97 R57 D80K4 | 180 205 165 190 |
| 0.75 | 1.2 1.4 1.6 1.9 2.1 2.4 2.7 3.2 3.6 4.5 5.4 5.9 6.9 | 5180 4490 4020 3430 3020 2680 2320 2010 1770 1420 1190 1080 920 | 1102 957 855 743 652 573 504 437 382 305 258 232 199 | 39700 40000 40000 40000 40000 40000 40000 40000 40000 40000 40000 40000 40000 | 0.85 0.95 1.05 1.25 1.40 1.60 1.85 2.1 2.4 3.0 3.6 4.0 4.7 | K KF KA KAF | 97 R57 D80N4 | 185 205 165 190 |
| 3.9 4.5 4.9 | 1830 1590 1460 | 176.05 153.21 140.28 | 40000 40000 40000 | 2.3 2.7 3.0 | K KF KA KAF | 97 D100M8 | 175 195 155 180 | |
| 1.1 | 1.9 2.2 2.4 2.8 3.2 3.7 4.1 | 5030 4420 3910 3400 2940 2590 2300 | 743 652 573 504 437 382 342 | 39900 40000 40000 40000 40000 40000 40000 | 0.85 0.95 1.10 1.25 1.45 1.65 1.85 | K KF KA KAF | 97 R57 D90S4 | 190 210. 170 195 |
| 3.9 4.4 4.8 5.5 | 2720 2370 2170 1910 | 176.05 153.21 140.28 123.93 | 40000 40000 40000 40000 | 1.60 1.80 2.0 2.2 | K KF KA KAF | 97 D100L8 | 175 200 160 185 | |
| 5.2 6.0 6.6 7.4 | 2010 1750 1600 1420 | 176.05 153.21 140.28 123.93 | 40000 40000 40000 40000 | 2.1 2.5 2.7 3.0 | K KF KA KAF | 97 D90L6 | 165 185 145 170 | |
| 7.9 9.1 10 | 1320 1150 1050 | 176.05 153.21 140.28 | 40000 40000 40000 | 3.3 3.7 4.1 | K KF KA KAF | 97 D90S4 | 165 185 145 170 | |
| 1.5 | 4.6 5.0 5.7 | 3140 2870 2540 | 153.21 140.28 123.93 | 40000 40000 40000 | 1.35 1.50 1.70 | K KF KA KAF | 97 D112M8 | 185 205 165 190 |
| 5.2 6.0 6.6 7.4 | 2740 2390 2180 1930 | 176.05 153.21 140.28 123.93 | 40000 40000 40000 40000 | 1.55 1.80 1.95 2.2 | K KF KA KAF | 97 D100M6 | 175 195 155 180 | |
| 8.0 9.2 10 11 | 1790 1560 1430 1260 | 176.05 153.21 140.28 123.93 | 40000 40000 40000 40000 | 2.4 2.8 3.0 3.4 | K KF KA KAF | 97 D90L4 | 165 185 145 170 | |
| 2.5 2.8 3.2 3.7 4.1 4.6 5.5 6.1 7.1 | 5320 4650 4020 3540 3140 2820 2380 2140 1840 | 573 504 437 382 342 305 258 232 199 | 39500 40000 40000 40000 40000 40000 40000 40000 40000 | 0.80 0.95 1.05 1.20 1.35 1.50 1.80 2.0 2.3 | K KF KA KAF | 97 R57 D90L4 | 190 210 170 195 | |
| 2.2 | 6.1 6.7 7.6 8.9 | 3420 3140 2770 2350 | 153.21 140.28 123.93 105.13 | 40000 40000 40000 40000 | 1.25 1.35 1.55 1.85 | K KF KA KAF | 97 D112M6 | 185 205 165 190 |
| 8.0 9.2 10 11 | 2620 2280 2090 1850 | 176.05 153.21 140.28 123.93 | 40000 40000 40000 40000 | 1.65 1.90 2.1 2.3 | K KF KA KAF | 97 D100M4 | 175 195 155 180 | |
| 13 15 | 1570 1440 | 105.13 96.80 | 40000 40000 | 2.8 3.0 | K KF KA KAF | 97 D100M4 | 175 195 155 180 | |
| 3.7 4.1 4.6 5.5 6.1 7.1 | 5210 4640 4170 3510 3160 2710 | 382 342 305 258 232 199 | 39700 40000 40000 40000 40000 40000 | 0.80 0.95 1.05 1.20 1.35 1.60 | K KF KA KAF | 97 R57 D100M4 | 195 220 180 205 | |
| 3.0 | 7.6 8.9 9.7 11 | 3780 3200 2950 2640 | 123.93 105.13 96.80 86.52 | 40000 40000 40000 40000 | 1.15 1.35 1.45 1.65 | K KF KA KAF | 97 D132S6 | 190 210 170 195 |
| 7.9 9.1 10 11 | 3600 3140 2870 2540 | 176.05 153.21 140.28 123.93 | 40000 40000 40000 40000 | 1.20 1.35 1.50 1.70 | K KF KA KAF | 97 D100L4 | 175 200 160 185 | |
| 13 14 16 18 20 22 25 | 2150 1980 1770 1590 1440 1280 1160 | 105.13 96.80 86.52 77.89 70.54 62.55 56.55 | 40000 40000 40000 40000 40000 40000 40000 | 2.0 2.2 2.4 2.7 3.0 3.4 3.7 | K KF KA KAF | 97 D100L4 | 175 200 160 185 | |
| 5.4 6.0 7.0 | 4840 4360 3740 | 258 232 199 | 40000 40000 40000 | 0.90 1.00 1.15 | K KF KA KAF | 97 R57 D100L4 | 200 220 185 210 | |
| 4.0 | 9.3 10 11 | 4120 3770 3330 | 153.21 140.28 123.93 | 40000 40000 40000 | 1.05 1.15 1.30 | K KF KA KAF | 97 D112M4 | 185 205 165 190 |
| 14 15 16 18 20 | 2830 2600 2330 2100 1900 | 105.13 96.80 86.52 77.89 70.54 | 40000 40000 40000 40000 40000 | 1.50 1.65 1.85 2.0 2.3 | K KF KA KAF | 97 D112M4 | 185 205 165 190 | |
| 7.1 | 4930 | 199 | 40000 | 0.85 | K KF KA KAF | 97 R57 D112M4 | 210 230 190 215 | |
| 5.5 | 12 14 15 17 | 4550 3860 3560 3180 | 123.93 105.13 96.80 86.52 | 40000 40000 40000 40000 | 0.95 1.10 1.20 1.35 | K KF KA KAF | 97 D132S4 | 190 210 170 195 |
| 18 20 23 25 30 | 2860 2590 2300 2080 1760 | 77.89 70.54 62.55 56.55 47.93 | 40000 40000 40000 39700 38600 | 1.50 1.65 1.85 2.1 2.4 | K KF KA KAF | 97 D132S4 | 190 210 170 195 | |
| 7.5 | 15 17 18 20 23 | 4850 4330 3900 3530 3130 | 96.80 86.52 77.89 70.54 62.55 | 38300 38300 38100 37900 37500 | 0.90 1.00 1.10 1.20 1.35 | K KF KA KAF | 97 D132M4 | 210 230 190 215 |
| 25 30 34 37 42 | 2830 2400 2100 1920 1710 | 56.55 47.93 41.87 38.30 34.23 | 37100 36400 35600 35100 34400 | 1.50 1.80 2.0 2.2 2.5 | K KF KA KAF | 97 D132M4 | 210 230 190 215 | |
| 9.2 | 18 20 23 25 | 4750 4300 3820 3450 | 77.89 70.54 62.55 56.55 | 35100 35100 35100 34900 | 0.90 1.00 1.15 1.25 | K KF KA KAF | 97 D132ML4 | 220 240 200 225 |
| 30 34 38 42 47 52 58 | 2920 2550 2340 2090 1880 1700 1510 | 47.93 41.87 38.30 34.23 30.82 27.91 24.75 | 34400 34000 33600 33100 32500 32000 31300 | 1.45 1.70 1.85 2.1 2.3 2.5 2.8 | K KF KA KAF | 97 D132ML4 | 220 240 200 225 | |
| 11.0 | 20 23 25 30 | 5150 4560 4130 3500 | 70.54 62.55 56.55 47.93 | 32200 32500 32500 32500 | 0.85 0.95 1.05 1.25 | K KF KA KAF | 97 D160M4 | 225 245 205 230 |
| 34 38 42 47 52 58 64 | 3050 2790 2500 2250 2040 1800 1630 | 41.87 38.30 34.23 30.82 27.91 24.75 22.37 | 32200 32000 31600 31300 30800 30300 29800 | 1.40 1.55 1.70 1.90 2.1 2.4 2.6 | K KF KA KAF | 97 D160M4 | 225 245 205 230 | |
| 15.0 | 30 35 38 43 47 | 4700 4110 3760 3360 3020 | 47.93 41.87 38.30 34.23 30.82 | 28100 28400 28500 28500 28400 | 0.90 1.05 1.15 1.30 1.40 | K KF KA KAF | 97 D160L4 | 265 285 245 270 |
| 52 59 65 77 88 | 2740 2430 2190 1860 1620 | 27.91 24.75 22.37 18.96 16.56 | 28300 28000 27700 27200 26600 | 1.55 1.75 1.95 2.3 2.7 | K KF KA KAF | 97 D160L4 | 265 285 245 270 | |
| 18.5 | 35 48 53 59 | 5050 3720 3360 2980 | 41.87 30.82 27.91 24.75 | 25100 26000 26000 26000 | 0.85 1.15 1.30 1.45 | K KF KA KAF | 97 D180M4 | 285 305 270 295 |
| 65 77 88 106 122 | 2700 2290 2000 1670 1450 | 22.37 18.96 16.56 13.85 11.99 | 25900 25700 25300 24800 24300 | 1.60 1.90 2.2 2.6 2.7 | K KF KA KAF | 97 D180M4 | 285 305 270 295 | |
| 22.0 | 48 53 59 65 | 4420 4000 3550 3210 | 30.82 27.91 24.75 22.37 | 23500 23800 24100 24200 | 0.95 1.05 1.20 1.35 | K KF KA KAF | 97 D180L4 | 300 320 285 310 |
| 77 88 106 122 141 168 | 2720 2370 1990 1720 1490 1250 | 18.96 16.56 13.85 11.99 10.41 8.71 | 24100 24000 23700 23300 21800 21300 | 1.60 1.80 2.2 2.3 1.90 2.1 | K KF KA KAF | 97 D180L4 | 300 320 285 310 | |
| 30.0 | 59 66 78 89 106 123 141 169 | 4820 4360 3690 3230 2700 2340 2030 1700 | 24.75 22.37 18.96 16.56 13.85 11.99 10.41 8.71 | 19600 20100 20700 21000 21200 21100 19500 19400 | 0.90 1.00 1.15 1.35 1.60 1.65 1.40 1.55 | K KF KA KAF | 97 D200L4 | 385 405 365 390 |
Типоразмер: мотор-редукторов K97
Передаточные числа 3,98-164,50
Макс. выходной вращающий момент 69-31500 Нм
В среднем ресурс работы 15000 часов с сервис фактором FS=1
Корпус: Литой из высокопрочного чугуна
Тип масла: Индустриальное синтетическое масло
Варианты исполнения: На лапах, фланцевое
Диапазон мощностей мотор-редукторов 0,12-200 кВт
