Мотор-редуктор МПО 2М-18, представляет собой конструкцию, состоящую из электрического двигателя, муфты и планетарного редуктора. Муфта предназначена для сохранения двигателя в случае заклинивания редуктора. Кроме того, она не допускает образования радиальных сил. В качестве силовой установки применяют обыкновенные асинхронные двигатели. Существует исполнение мотор-редукторов, которые комплектуются взрывобезопасными электрическими двигателями. Это расширяет возможности их применения.
| Типоразмер мотор-редуктора | Передаточное число u | Частота вращения выходного вала, об/мин | Мт, Н*м | Масса мотор-редуктора, кг | Исполнение по монтажу |
| МПО-2М-10 | 23.1, 28.2, 45.5, 66.5, 81.6, 208, 2190 | 0.63, 6.3, 16, 20, 31.5, 50,63 | 133-600 | 71-142 | В, ВК, Ф, Щ |
| МПО-2М-15 | 24.6,32.1,46.9,81.5, 101.7, 204, 2469 | 0.56, 4.6, 6.7, 14, 18, 31, 45, 59 | 823-2078 | 190-360 | В, ВК, Ф, Щ |
| МПО-2М-18 | 22.8, 29.6, 45.5, 66.5, 81.6, 208 | 6.7, 18, 22, 32, 49, 64 | 1689-3350 | 425-635 | В, ВК |
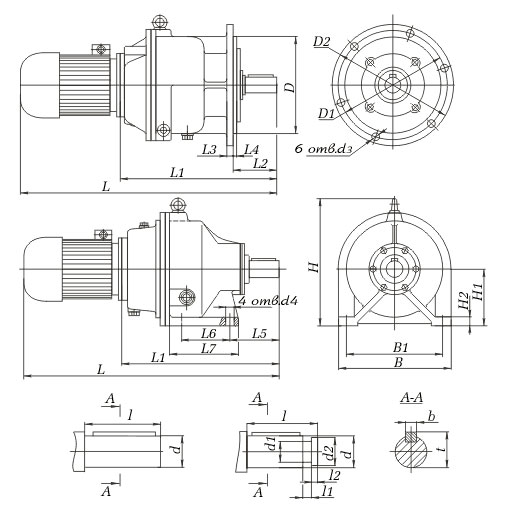
| Типоразмер мотор-редуктора | L | L1 | L2 | L3 | L4 | L5 | D | D1 | D2 | d | d1 | t | b | n | |||||
| мм | |||||||||||||||||||
| МПО-2М-10 | 605-725 | 420 | 110 | 80 | 16 | 6 | 270 | 300 | 330 | 13 | 40 | 43 | 12 | 6 | |||||
| МПО-2М-15 | 860-1065 | 615 | 190 | 140 | 20 | 10 | 330 | 375 | 420 | 22 | 65 | 69 | 18 | 6 | |||||
| МПО-2М-18 | 1070-1320 | 790 | 220 | 170 | 22 | 10 | 470 | 520 | 565 | 22 | 80 | 85 | 22 | 8 | |||||
Мотор-редуктор МПО 2М-18 нашел свое применение в составе устройств, предназначенных для смешивания различных компонентов в фармацевтической, пищевой и многих других отраслях. Допустимо их применение для приводов различного типа.
Мотор-редуктор МПО 2М-18 может работать до 24 часов в сутки. Он воспринимает постоянные и переменные нагрузки, но они не должны превышать номинальное значение крутящего момента. Выходной вал может совершать вращение в любую сторону. Мотор-редукторы МПО 2М-18 могут работать в среде, не содержащей агрессивных и взрывоопасных веществ. Концентрация пыли не должна превышать 10 мг на кубометр. Двигатель питается от сети с напряжением 380 В. При оформлении специального заказа, производители могут изменить параметры питания.
Максимальный крутящий момент на входном валу не превышает 430 Н*м, максимально допустимое количество оборотов 1500 об/мин. Мотор-редуктор МПО 2М-18 может работать при температурах от -40 и до + 50 градусов.
Габаритно-весовые параметры:
• длина мотор-редуктора лежит в пределах 745 — 1310 мм;
• высота 364 – 570 мм;
• ширина 300 – 600 мм;
• масса конструкции лежит в пределах от 90 до 550 кг, поэтому при их монтаже необходимо использовать грузоподъемное оборудование.
Масса и размеры могут изменяться в зависимости от модификации мотор-редуктора МПО. Минимальное передаточное число составляет 5,74, максимальное превышает 2000.
Производители освоили выпуск мотор-редукторов с различным исполнениями концевых валов – цилиндрическими, коническими и фланцевыми.
Монтаж мотор-редуктора может быть выполнен в любом пространственном положении и надо отметить, это не отражается на его рабочих параметрах. Для установки изделия в производственных линиях применяют лапки, отлитые в корпусе, или опорный фланец.
Технические характеристики мотор-редуктора МПО 2М-18 | |||||||||
| Типоразмер | Исполнение по монтажу | Номинальное передаточное число | Номинальная частота вращения вых-го вала, об/мин | Номинальный крутящий момент на выходном валу, Н.м | Допускаемая радиальная нагрузка на выходном валу, Н | Масса редукторной части, кг | Масса мотор-редуктора, кг | Мощность двигателя, кВт | L,мм |
| МПО1М-10-7,34-3/130 | В, ВК, Ф2В, Ф2П | 7,34 | 130 | 215 | 1500 | 45 | 115 | 3 | 690 |
| 155 | 815 | ||||||||
| МПО1М-10-7,34-5,5/130 | 395 | 130 | 5,5 | 715 | |||||
| 195 | 820 | ||||||||
| МПО1М-10-7,34-7,5/130 | 540 | 150 | 7,5 | 765 | |||||
| 205 | 855 | ||||||||
| МПО1М-10-5,74-3/170 | 5,74 | 170 | 165 | 115 | 3 | 690 | |||
| 155 | 815 | ||||||||
| МПО1М-10-5,74-5,5/170 | 305 | 135 | 5,5 | 715 | |||||
| 195 | 820 | ||||||||
| МПО1М-10-5,74-7,5/170 | 415 | 150 | 7,5 | 765 | |||||
| 205 | 855 | ||||||||
| МПО1М-10-7,34-3/195 | 145 | 90 | 3 | 590 | |||||
| 120 | 740 | ||||||||
| МПО1М-10-7,34-5,5/195 | 7,34 | 195 | 265 | 115 | 5,5 | 690 | |||
| 155 | 815 | ||||||||
| МПО1М-10-7,34-7,5/195 | 360 | 130 | 7,5 | 715 | |||||
| 195 | 820 | ||||||||
| МПО1М-10-7,34-11/195 | 530 | 150 | 11 | 765 | |||||
| 205 | 855 | ||||||||
| МПО1М-10-5,74-3/250 | 5,74 | 250 | 110 | 90 | 3 | 590 | |||
| 120 | 740 | ||||||||
| МПО1М-10-5,74-5,5/250 | 205 | 115 | 5,5 | 695 | |||||
| 155 | 815 | ||||||||
| МПО1М-10-5,74-7,5/250 | 280 | 135 | 7,5 | 715 | |||||
| 195 | 820 | ||||||||
Технические характеристики мотор-редуктора МПО2 | |||||||||
| Типоразмер | Исполнение по монтажу | Номинальное передаточное число | Номинальная частота вращения вых-го вала, об/мин | Номинальный крутящий момент на выходном валу, Н.м | Допускаемая радиальная нагрузка на выходном валу, Н | Масса редукторной части, кг | Масса мотор-редуктора, кг | Мощность двигателя, кВт | L, мм |
| МПО2М-10-2190-0,37/0,63 | В, ВК, Щ, Ф | 2190 | 0,63 | 600 | 3000 | 65 | 71 | 0,37 | 640 |
| 85 | 695 | ||||||||
| МПО2М-10-208-0,37/6,3 | 280 | 6,3 | 495 | 71 | 0,37 | 600 | |||
| 85 | 650 | ||||||||
| МПО2М-10-81,6-0,75/16 | 81,6 | 16 | 420 | 81 | 0,75 | 695 | |||
| 88 | 715 | ||||||||
| МПО2М-10-66,5-0,75/20 | 66,5 | 20 | 335 | 81 | 0,75 | 700 | |||
| 88 | 720 | ||||||||
| МПО2М-10-66,5-1,5/20 | 66,5 | 20 | 600 | 87 | 1,5 | 705 | |||
| 97 | 755 | ||||||||
| МПО2М-10-45,5-0,75/31,5 | 45,5 | 31,5 | 215 | 81 | 0,75 | 695 | |||
| 88 | 715 | ||||||||
| МПО2М-10-45,5-1,5/31,5 | 45,5 | 31,5 | 425 | 87 | 1,5 | 720 | |||
| 97 | 860 | ||||||||
| МПО2М-10-28,2-0,75/50 | 28,2 | 50 | 135 | 81 | 0,75 | 695 | |||
| 88 | 715 | ||||||||
| МПО2М-10-28,2-1,5/50 | 28,2 | 50 | 270 | 87 | 1,5 | 720 | |||
| 97 | 860 | ||||||||
| МПО2М-10-28,2-3/50 | 28,2 | 50 | 545 | 102 | 3 | 755 | |||
| 142 | 905 | ||||||||
| МПО2М-10-23,1-3/63 | 23,1 | 63 | 430 | 102 | 3 | 755 | |||
| 142 | 905 | ||||||||
| МПО2М-15-2469-0,55/0,56 | В, ВК, Щ, Ф | 2469 | 0,56 | 2350 | 7000 | 163 | 186 | 0,55 | 860 |
| 193 | 880 | ||||||||
| МПО2М-15-204-0,75/4,6 | 204 | 4,6 | 1370 | 190 | 0,75 | 865 | |||
| 202 | 915 | ||||||||
| МПО2М-15-204-0,75/6,7 | 204 | 6,7 | 940 | 186 | 0,75 | 860 | |||
| 195 | 880 | ||||||||
| МПО2М-15-101,7-1,5/14 | 101,7 | 14 | 930 | 191 | 1,5 | 885 | |||
| 204 | 915 | ||||||||
| МПО2М-15-81,5-4/18 | 81,5 | 18 | 1930 | 206 | 4 | 955 | |||
| 241 | 1100 | ||||||||
| МПО2М-15-81,5-3/18 | 81,5 | 18 | 1450 | 207 | 3 | 915 | |||
| 260 | 1070 | ||||||||
| МПО2М-15-46,9-5,5/31 | 46,9 | 31 | 1590 | 228 | 5,5 | 990 | |||
| 270 | 1130 | ||||||||
| МПО2М-15-32,1-5,5/45 | 32,1 | 45 | 1095 | 228 | 5,5 | 990 | |||
| 270 | 1130 | ||||||||
| МПО2М-15-32,1-7,5/45 | 32,1 | 45 | 1495 | 252 | 7,5 | 1015 | |||
| 305 | 1170 | ||||||||
| МПО2М-15-32,1-11/45 | 32,1 | 45 | 2195 | 267 | 11 | 1065 | |||
| 315 | 1205 | ||||||||
| МПО2М-15-24,6-7,5/59 | 24,6 | 59 | 1140 | 252 | 7,5 | 1015 | |||
| 305 | 1170 | ||||||||
| МПО2М-15-24,6-11/59 | 24,6 | 59 | 1675 | 267 | 11 | 1065 | |||
| 315 | 1205 | ||||||||
| МПО2-18-258-1,5/5.5 | В, ВК, Щ, Ф | 258 | 5,5 | 2265 | 12000 | 400 | 425 | 1,5 | 1070 |
| 435 | 1100 | ||||||||
| МПО2-18-208-1,5/6,7 | 208 | 6,7 | 1860 | 425 | 1,5 | 1060 | |||
| 435 | 1090 | ||||||||
| МПО2-18-96-3/15 | 96 | 15 | 1795 | 440 | 3 | 1105 | |||
| 480 | 1255 | ||||||||
| МПО2-18-81,6-5,5/18 | 81,6 | 18 | 2745 | 460 | 5,5 | 1162 | |||
| 515 | 1260 | ||||||||
| МПО2-18-66,5-5,5/22 | 66,5 | 22 | 2195 | 460 | 5,5 | 1162 | |||
| 515 | 1260 | ||||||||
| МПО2-18-66,5-7,5/22 | 66,5 | 22 | 2995 | 485 | 7,5 | 1190 | |||
| 535 | 1285 | ||||||||
| МПО2-18-45,5-7,5/32 | 45,5 | 32 | 2105 | 485 | 7,5 | 1190 | |||
| 535 | 1285 | ||||||||
| МПО2-18-45,5-11/32 | 45,5 | 32 | 3085 | 500 | 11 | 1240 | |||
| 550 | 1320 | ||||||||
| МПО2-18-29,6-11/49 | 29,6 | 49 | 2015 | 500 | 11 | 1240 | |||
| 550 | 1320 | ||||||||
| МПО2-18-29,6-15/49 | 29,6 | 49 | 2750 | 535 | 15 | 1304 | |||
| 635 | 1370 | ||||||||
| МПО2-18-22,8-15/64 | 22,8 | 64 | 2125 | 535 | 15 | 1304 | |||
| 635 | 1370 | ||||||||
| n – номинальная частота вращения выходного вала, об/мин; Мкр – номинальный крутящий момент на выходном валу, Н.м; Р – мощность комплектующего электродвигателя, кВт.В зависимости от положения в пространстве мотор-редукторы изготовляются следующих исполнений: Щ – горизонтальные на лапах; Ф – горизонтальные фланцевое; В – вертикальное фланцевое валом вниз; ВК – вертикальное фланцевое валом вниз с канавкой на выходном валу.Пример условного обозначения мотор-редуктора МПО при заказе: | ||||||||||||||||
| МПО2М-15ВК-32,1-11/45-4АМ132М4-У3, ТУУ 29.1-24587406.003-2003 | ||||||||||||||||
|
| Обозначение мотор-редуктора | B | B1 | D | D1 | D2 | H | H1 | H2 | L не более | L1 | L2 | L3 | L4 |
| Мотор-редуктор МПО1М-10 | 300 | 250 | 270 | 300 | 330 | 365 | 160 | 20 | 745 | 365 | 110 | 16 | 6 |
| Мотор-редуктор МПО2М-10 | 300 | 250 | 270 | 300 | 330 | 365 | 160 | 20 | 730 | 430 | 110 | 16 | 6 |
| Мотор-редуктор МПО2М-15 | 460 | 390 | 330 | 375 | 420 | 495 | 225 | 35 | 1010 | 620 | 190 | 20 | 10 |
| Мотор-редуктор МПО2М-18 | 600 | 520 | 470 | 520 | 565 | 570 | 315 | 45 | 1310 | 790 | 220 | 25 | 10 |
| Типоразмер мотор-редуктора | L5 | L6 | L7 | d | d1 | d2 | d3 | d4 | l | l1 | l2 | b | t | n |
| Мотор-редуктор МПО1М-10 | 125 | 150 | 210 | 40k6 | 32 | 38 | 13 | 17 | 80 | 5 | 4 | 12 | 43 | 6 |
| Мотор-редуктор МПО2М-10 | 125 | 150 | 210 | 40k6 | 32 | 38 | 13 | 17 | 80 | 5 | 4 | 12 | 43 | 6 |
| Мотор-редуктор МПО2М-15 | 215 | 210 | 295 | 65k6 | 55 | 62 | 22 | 22 | 140 | 8 | 6 | 18 | 69 | 6 |
| Мотор-редуктор МПО2М-18 | 250 | 280 | 375 | 80k6 | 70 | 78 | 22 | 26 | 170 | 10 | 8 | 22 | 85 | 8 |
Передаточное число u 22.8, 29.6, 45.5, 66.5, 81.6, 208
Частота вращения выходного вала, об/мин 6.7, 18, 22, 32, 49, 64
Мт, Н*м 1689-3350
Масса мотор-редуктора, кг 425-635
Исполнение по монтажу В, ВК
