Мотор-редуктор МР2-500 предназначен как для аппаратов с перемешивающими устройствами, так и для машин общего применения. Сконструирован на основе новейших технологических достижений и обладает рядом преимуществ:
Применяется в качестве привода для оборудования в химической, медицинской, микробиологической, пищевой и других отраслях народного хозяйства. Мотор-
Мотор-редуктор МР2-500 используется в медицинской, пищевой, химической, других отраслях промышленности для привода машин, различных производственных агрегатов.
Эксплуатационные возможности мотор-редуктора МР2-500:
— температура рабочей среды в диапазоне от -40 до +40 С;
— переменная или постоянная нагрузка по направлению и величине;
— выходной вал вращается в разные стороны;
— в режиме работы характерны периодические остановки;
— непыльный, невзрывоопасный, неагрессивный микроклимат;
— двигатель мотор-редуктора рассчитан на работу от сети при переменной частоте тока 50 ГЦ при напряжении 380 В;
— мотор-редуктор МР оснащён указателем заполнения маслом внутренней среды устройства. Если уровень масла опускается ниже отметки, редуктор может выйти из строя. В этом случаи гарантия аннулируется;
— механизм рассчитан на долгосрочную работу в режиме 24 ч/сут при соблюдении правил эксплуатации;
— устанавливать мотор-редуктор МР необходимо на жёсткой поверхности во избежание вибрации.
В начальном периоде после установки рекомендуется обкатать механизм, то есть запустить в работу с постепенным увеличением загрузки. Обычно этот период составляет около 200 часов. Если редуктор заправлен синтетическим маслом, каких-либо процедур проводить не следует. В случаи использования минерального масла, после 300 рабочих часов на первых порах надо заменить масло на новое, предварительно промыв и через некоторое время повторять это действие.
Чтобы выбрать изделие, необходимо учитывать такие рабочие параметры: входная и выходная мощности; скорость вращения на выходе и входе; коэффициент эксплуатации и полезного действия. Желательно воспользоваться таблицей технических характеристик редукторов, где указано оптимальное соотношение требуемых величин.
Рекомендуется покупать мотор-редуктор МР2-500, оснащённый электродвигателем, который подходит к данной модели изделия.
Приобретая такое ценное устройство, обратитесь к специалистам, знающим своё дело. На рынке промышленного и электротехнического оборудования работают компании, имеющие высококлассных специалистов. Одно из таких сообществ – ООО «ЭнергоКомплекс». Преимуществом компании по праву считается двадцатилетний опыт, отменное качество обслуживания, профессиональное мастерство, признание потребителей и партнёров. Миссия компании – внедрение инновационных технологий, расширение сферы деятельности. Приоритет в работе – приносить пользу обществу и каждому, кто сотрудничает с компанией. К услугам клиента предлагаются персональный менеджер, оперативная логистика, постоянные акции, большой ассортимент продукции. Для связи с компанией заполните форму на сайте или воспользуйтесь контактной информацией. Будем рады сотрудничеству с вами.

| Типоразмер | Исполнение по монтажу | Номинальное передаточное число | Номинальная частота вращения выходного вала, об/мин | Номинальный крутящий момент на выходном валу, Н.м | Допускаемая радиальная нагрузка на выходном валу, Н | Масса, кг | Двигатель | L,мм | ||
| Редукторной части | Мотор- редуктора | Тип | Мощность, кВт | |||||||
| редуктор МР2-500-11-80 | Ф1В, Ф1П | 18,6 | 80 | 15125 | 25000 | 840 | 1765 | 4A280М4 | 132 | 2115 |
| редуктор МР2-500-21-80 | 12605 | 1895 | В280S4 | 110 | 2075 | |||||
| редуктор МР2-500-12-80 | 10315 | 1455 | 4А250М4 | 90 | 1780 | |||||
| редуктор МР2-500-22-80 | 1755 | В250М4 | 2030 | |||||||
| редуктор МР2-500-11-64 | 22,8 | 64 | 15760 | 1725 | 4А280S4 | 110 | 2075 | |||
| редуктор МР2-500-21-64 | 1900 | B280S4 | 2075 | |||||||
| редуктор МР2-500-12-64 | 12890 | 1460 | 4А250М4 | 90 | 1780 | |||||
| редуктор МР2-500-22-64 | 1760 | В250М4 | 2030 | |||||||
| редуктор МР2-500-13-64 | 7880 | 1250 | 4А225М4 | 55 | 1665 | |||||
| редуктор МР2-500-23-64 | 1405 | ВАО 82-4 | 1725 | |||||||
| редуктор МР2-500-12-50 | 29,6 | 50 | 16500 | 1465 | 4А250М4 | 90 | 1780 | |||
| редуктор МР2-500-22-50 | 1765 | В250М4 | 2030 | |||||||
| редуктор МР2-500-13-50 | 10085 | 1265 | 4А225М4 | 55 | 1665 | |||||
| редуктор МР2-500-23-50 | 1410 | ВАО 82-4 | 1725 | |||||||
| редуктор МР2-500-15-50 | Ф1В, Ф2В, Щ | 29,6 | 50 | 5500 | 25000 | 840 | 1145 | 4А180М4 | 30 | 1635 |
| редуктор МР2-500-25-50 | 1270 | В180М4 | 1695 | |||||||
| редуктор МР2-500-45-50 | 1305 | ВАО 72-4 | 1670 | |||||||
| редуктор МР2-500-12-40 | Ф1В, Ф1П | 37,8 | 40 | 17190 | 1450 | 4A250S4 | 75 | 1795 | ||
| редуктор MP2-500-22-40 | 1715 | B250S4 | 2000 | |||||||
| редуктор МР2-500-13-40 | 12605 | 1275 | 4А225М4 | 55 | 1720 | |||||
| редуктор МР2-500-23-40 | 1445 | ВАО 82-4 | 1780 | |||||||
| редуктор МР2-500-15-40 | Щ | 6875 | 1190 | 4А180М4 | 30 | 1635 | ||||
| редуктор МР2-500-25-40 | 1315 | В180М4 | 1695 | |||||||
| редуктор МР2-500-45-40 | 1305 | ВАО 72-4 | 1670 | |||||||
| редуктор МР2 500-13-32 | Ф1В, Ф1П | 44,8 | 32 | 15755 | 1280 | 4А225М4 | 55 | 1720 | ||
| редуктор МР2 500-23-32 | 1450 | ВАО 82-4 | 1780 | |||||||
| редуктор МР2 500-15-32 | Ф1В, Ф2В, Щ | 8595 | 1145 | 4А180М4 | 30 | 1635 | ||||
| редуктор МР2 500-25-32 | 1270 | В180М4 | 1695 | |||||||
| редуктор МР2 500-45-32 | 1305 | ВАО 72-4 | 1670 | |||||||
| редуктор МР2-500-13-25 | Ф1В, Ф1П | 37,8 | 25 | 13570 | 1285 | 4А225М6 | 37 | 1720 | ||
| редуктор МР2-500-23-25 | 14670 | 1455 | ВАО 82-6 | 40 | 1780 | |||||
| редуктор МР2-500-13-20 | 44,8 | 20 | 16960 | 1290 | 4А225М6 | 37 | 1720 | |||
| редуктор МР2-500-23-20 | 18000 | 1450 | ВАО 82-6 | 40 | 1780 | |||||
| редуктор МР2 500-15-20 | Щ | 8480 | 1190 | 4А180М6 | 18,5 | 1635 | ||||
| редуктор МР2 500-25-20 | 1315 | В180М6 | 1695 | |||||||
| редуктор МР2 500-45-20 | 10085 | 1305 | ВАО 72-6 | 22 | 1670 | |||||
| редуктор МР2-500-13-16 | Ф1В, Ф1П | 16 | 17190 | 1290 | 4А225М8 | 30 | 1720 | |||
| редуктор МР2-500-23-16 | 1450 | ВАО 82-8 | 1780 | |||||||
| редуктор МР2-500-15-16 | Щ | 44,8 | 16 | 8595 | 25000 | 840 | 1190 | 4А180М8 | 15 | 1635 |
| редуктор МР2-500-25-16 | 1315 | В180М8 | 1695 | |||||||
| редуктор МР2-500-45-16 | 9740 | 1305 | ВАО 72-8 | 17 | 1670 | |||||
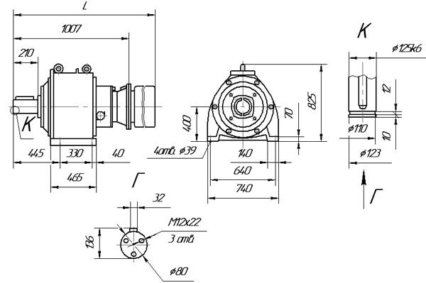
редуктор МР-2-315-16-64-Ф1В-У3 , где
МР — тип мотор-редуктора;
2 — количество ступеней;
315 — делительный диаметр наибольшего колеса с внутренним зубом, мм.;
16 — исполнение по двигателю;
64 — число оборотов выходного вала в мин.;
Ф1В — исполнение по монтажу (Ф1В — вертикальнное, выходным валом вниз, с цилиндрическим концом выходного вала;
Ф2В — горизонтальное, с цилиндрическим концом выходного вала;
Щ — на лапах
У3 — климатическое исполнение
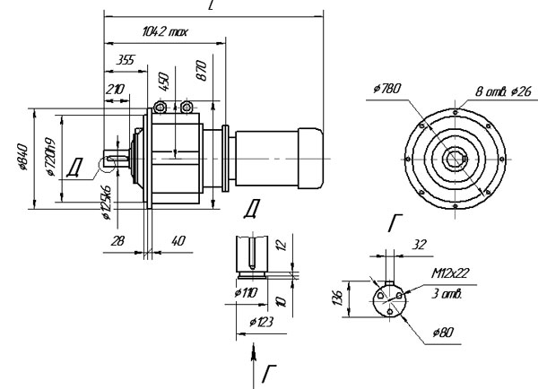
Типоразмер редуктор МР2-500-11-80
Исполнение по монтажу Ф1В, Ф1П
Номинальное передаточное число 18,6
Номинальная частота вращения выходного вала, об/мин 80
Номинальный крутящий момент 15125
Допускаемая радиальная нагрузка на выходном валу, Н 25000
Тип Двигателя 4A280М4
Мощность, кВт 132
