Высокотехнологичные цилиндрические мотор-редукторы MNHL представляют собой компактные шестереночные цилиндрические зубчатые передачи креплением на лапах MNHL и во фланцевом корпусе FMNHL. Мотор-редукторы общепромышленного назначения собираются из комплектующих SEW Eurodrive. Мотор редукторы MNHL и FMNHL прекрасно зарекомендовали себя в частотно регулируемых, прерывистых и кратковременных режимах работы.
MNHL — 40 – 23.3 – 61.8 — B3 – 5.5
| Габарит редуктора | H | A0 | B0 | A1 | d0 | D | R | T | E | S | L | A | B | G | C | P | H1 | H2 |
| 20 | 75-0.5 | 110 | 110 | 58 | 9 | 20к6 | 6 | 22.5 | 40 | М6 | 207 | 131 | 135 | 140 | 12 | 134 | 0 | — |
| 25 | 90-0.5 | 130 | 110 | 75 | 9 | 25к6 | 8 | 28 | 50 | М10 | 193 | 152 | 145 | 151 | 18 | 147 | 3.4 | — |
| 30 | 115-0.5 | 165 | 135 | 90 | 13.5 | 30к6 | 8 | 33 | 60 | М10 | 235 | 195 | 170 | 178 | 24 | 187 | 14 | — |
| 35 | 115-0.5 | 165 | 135 | 100 | 13.5 | 35к6 | 10 | 38 | 70 | М12 | 257 | 200 | 190 | 202 | 24 | 187 | 11.2 | — |
| 40 | 140-0.5 | 205 | 170 | 115 | 17.5 | 40к6 | 12 | 43 | 80 | М16 | 300 | 245 | 230 | 235 | 30 | 228 | 15.9 | 269 |
| 50 | 180-0.5 | 260 | 215 | 140 | 17.5 | 50к6 | 14 | 53.5 | 100 | М16 | 372 | 310 | 290 | 297 | 45 | 295 | 12.6 | 345 |
| 60 | 225-0.5 | 310 | 250 | 160 | 22 | 60м6 | 18 | 64 | 120 | М20 | 440 | 365 | 340 | 348 | 55 | 368 | 10.2 | 418 |
| 70 | 250-0.5 | 370 | 290 | 185 | 26 | 70м6 | 20 | 74.5 | 140 | М20 | 495 | 440 | 400 | 409 | 65 | 408 | 20.4 | 475 |
| 90 | 315-1 | 410 | 340 | 220 | 33 | 90м6 | 25 | 95 | 170 | М24 | 589 | 490 | 450 | 458 | 70 | 495 | 25.1 | 562 |
| 110 | 355-1 | 500 | 380 | 260 | 39 | 110м6 | 28 | 116 | 210 | М24 | 695 | 590 | 530 | 540 | 80 | 565 | 33.4 | 637 |
| 120 | 425-1 | 580 | 500 | 270 | 39 | 120м6 | 32 | 127 | 210 | М24 | 790 | 670 | 660 | 670 | 100 | 675 | 59.9 | 749 |
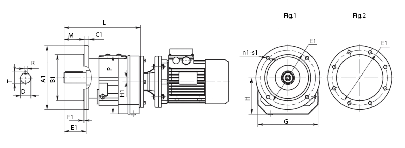
| Габарит редуктора | Fig | A1 | E1 | B1 | M | C1 | F1 | n1 | S1 | D | E | T | R | S | H1 | L | G | P | H |
| 20 | Fig1 | 120 140** | 100 115 | 80j6 95j6 | 40 | 8 9 | 3 3 | 4 | 6.5 8.5 | 20k6 | 40 | 22.5 | 6 | M6 | 0 | 215 | 130 | 135 | 76 |
| 25 | Fig1 | 120 140 160 | 100 115 130 | 80j6 95j6 110j6 | 50 | 8 9 10 | 3 3 3.5 | 4 | 6.5 8.5 8.5 | 25k6 | 50 | 28 | 8 | M10 | 3.4 | 199 | 142 | 149 | 92 |
| 30 | Fig1 | 140 160** 200** | 115 130 165 | 95j6 110j6 130j6 | 60 | 10 10 12 | 3 3.5 3.5 | 4 | 9 9 11 | 30k6 | 60 | 33 | 8 | M10 | 14 | 235 | 178 | 190 | 118 |
| 35 | Fig1 | 160 200* 250 | 130 165 215 | 110j6 130j6 180j6 | 70 | 10 12 15 | 3.5 3.5 4 | 4 | 9 11 13.5 | 35k6 | 70 | 38 | 10 | M12 | 11.2 | 257 | 202 | 193 | 121 |
| 40 | Fig1 | 250** 300 | 215 265 | 180j6 230j6 | 80 | 15 18.5 | 4 4 | 4 | 13.5 13.5 | 40k6 | 80 | 43 | 12 | M16 | 15.9 | 300 | 235 | 232 | 144 |
| 50 | Fig1 | 300** 350 | 265 300 | 230j6 250h6 | 100 | 16 18 | 4 5 | 4 | 13.5 17.5 | 50k6 | 100 | 53.5 | 14 | M16 | 12.6 | 372 | 297 | 299 | 184 |
| 60 | Fig1 Fig2 | 350** 450 | 300 400 | 250h6 350h6 | 120 | 18 22 | 5 5 | 4.8 | 17.5 17.5 | 60m6 | 120 | 64 | 18 | M20 | 10.2 | 440 | 348 | 374 | 230 |
| 70 | Fig1 Fig2 | 350 450 | 300 400 | 250h6 350h6 | 140 | 20 22 | 5 5 | 4.8 | 17.5 17.5 | 70m6 | 140 | 74.5 | 20 | M20 | 20.4 | 495 | 409 | 413 | 255 |
| 90 | Fig2 | 450 550 | 400 500 | 350h6 450h6 | 170 | 22 25 | 5 5 | 8 | 17.5 17.5 | 90m6 | 170 | 95 | 25 | M24 | 25.1 | 589 | 458 | 500 | 320 |
| 110 | Fig2 | 450 550 | 400 500 | 350h6 450h6 | 210 | 22 25 | 5 5 | 8 | 17.5 17.5 | 110m6 | 210 | 116 | 28 | M24 | 33.4 | 695 | 540 | 571 | 361 |
| 120 | Fig2 | 550 660 | 500 600 | 450h6 550h6 | 210 | 25 28 | 5 6 | 8 | 17.5 22 | 120m6 | 210 | 127 | 32 | M24 | 59.9 | 790 | 670 |
