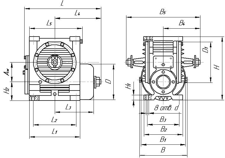
География распространения червячных редукторов в машинах, приборах и других технических изделиях, охватывает все направления промышленного производства. Его основным применением является приведение в действие разнообразных машин и механизмов. Червячный редуктор 2Ч-40 является главным звеном мотор-редуктора, обеспечивающим минимум шумных звуков и плавность движений в работе электродвигателя. Эта модель крайне популярна за счет приемлемых габаритов и отличных технических возможностей.
Редуктор 2Ч-40 получил своё название от внешнего вида механической передачи внутри него, который внешне напоминает червяка. За счёт того, что он преобразует энергию, которая производится из высокой угловой скорости выходного вала, запускается увеличение крутящего момента, с одновременным снижением угловой скорости. А главным отличием червячного редуктора 2Ч-40 является то, что начальный контакт звеньев движется по траектории линии, а не в самой точке, он в готов находиться в рабочем состоянии целые сутки, изредка делая перерывы на несколько минут. Ещё одной отличительной особенностью является то, что редуктор 2Ч-40 очень компактен и его размер гораздо меньше, чем те же аналоги с таким же передаточным числом мотор-редуктора. Валы внутри мотор-редуктора осуществляют вращение 1800 оборотов в минуту в разные стороны. Подключить редуктор 2Ч-40 к мотору можно, используя муфту и установив непосредственно на вал мотора.
Гибкая ценовая политика предполагает различные маркетинговые акции, в ходе которых клиент может получить скидку на свой заказ. Сам заказ можно сделать в виде заявки на сайте, после получения которой специалисты службы поддержки свяжутся с вами для детального обсуждения заказа.
Номинальное передаточное число 8
Крутящий момент на выходном валу, Н.м 35
КПД редуктора 0,9
Расчетная мощность электродвигателя, кВт 0,7
Масса редуктора, кг 9
Допускаемая радиальная нагрузка, Н 300
