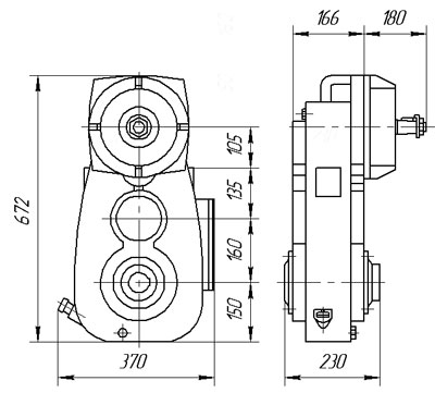
Редуктор А-400 вертикальный цилиндрический используется в механизмах передвижения мостовых опорных однобалочных кранов грузоподъемностью 1; 2; 3,2; 5 т ГОСТ 22045-89 и грузоподъемностью 10т ТУ 566.78.15-01-92.
Условия применения редукторов А-400 цилиндрических вертикальных крановых:
редуктор А-400-35,5-У2, где
Типоразмер редуктора А-400
Передаточное число u 20; 25; 35,5; 40; 50; 63
Номинальный крутящий момент, Н*м 1350
Частота вращения входного вала, мин-1 1500
Допускаемый крутящий момент на выходном валу, Н*м 1350
