Большую популярность у организаций, осуществляющих ремонт кранового оборудования, набирают редукторы серии РЦД. Они предназначены для того, чтобы увеличить крутящий момент, и уменьшить саму частоту вращения.
| Типоразмер редуктора | Ном.крутящий момент, (min…max), H· м | Диапазон передаточных отношений | Габаритные размеры, L x B x H, мм | Масса, кг |
| Редуктор РЦД 250 | 431…1292 | 8…40 | 520х315х250 | 87 |
| Редуктор РЦД 350 | 1020…2340 | 8…40 | 700х410х320 | 175 |
| Редуктор РЦД 400 | 1950…4130 | 8…40 | 800х510х360 | 287 |
Редуктор РЦД 250 является лидером среди всех других таких устройств, и зачастую их устанавливают в металлорежущих станках, измельчителях, приводах мешалок и в других, различных оборудованиях. Складывается он из корпуса, нескольких подвижных деталей, шестеренок, а так же валов. Если Вас правда интересует надежная и длинная работа привода – то выбор редуктора РЦД 250 – это действительно одно из правильных решений. В последнее время на рынке появляется масса новых моделей цилиндрических редукторов, но выбирать стоит только те, которые проверены временем, а так же занимают высокие позиции, уверенно пользуясь невероятно большим спросом.
Редуктор РЦД 250, как правило, применяются в двух режимах, а если точнее – так это при переменной, либо же постоянной нагрузке. Температура, допустимая для его работы – от -40 до +50 градусов по Цельсию. Редуктору РЦД 250 стоит отдать должное, так как он способен работать совершенно непрерывно, по 24 часа в сутки, 7 дней в неделю, и так до истечения гарантии. Но даже тогда, когда она заканчивается – данное устройство будет продолжать исполнять свою работу еще долгое время. При этом его можно на время останавливать, и такие остановки никак не повлияют на его технические характеристики.
Также редуктор РЦД 250 применяется и в тех случаях, когда появляется необходимость производить такие работы, которые превышают рекомендованные нагрузки. Но и они способны выдержать их не более чем в два раза выше. Особо приятным является и тот факт, что такие перегрузки не страшны для редуктора, если, конечно, ими не злоупотреблять. Подобными нагрузками их нельзя перегружать чаще, чем два раза в час, и тогда все будет хорошо. И что самое главное – нет каких-либо ограничений по использованию такого редуктора, разве что в некоторых случаях, когда лучше все-таки пользоваться другим его типом.
Поэтому если перед Вами стоит задача приобретения редуктора РЦД 250 – отнеситесь к ней с огромнейшей серьезностью и сделайте правильный выбор. А поможет Вам в этом ООО «ЭнергоКомплекс» — компания, которая предлагает только самые качественные, самые востребованные редукторы. Она занимает лидирующие позиции на рынке, и благодаря этому ей доверяют тысяч клиентов.
| Номинальное передаточное число | 10 | 16 | 20 | 25 | 31,5 | 40 | Максимально допустимая консольная радиальная нагрузка, Н | |||
| Частота вращения вх. вала, об /мин | Режим работы | Крутящий момент на выходном валу редуктора, Нм | Рвх max | Pвых max | ||||||
| РЦД — 250 | ||||||||||
| 500 | Средний | 989 | 989 | 940 | 895 | 895 | 844 | 2200 | 10000 | |
| Тяжелый | 769 | 715 | 792 | 893 | 794 | 844 | 1800 | 10000 | ||
| Весьма тяжелый | 604 | 605 | 666 | 764 | 676 | 765 | 1400 | 8000 | ||
| Непрерывный | 505 | 505 | 480 | 457 | 457 | 431 | 1000 | 6400 | ||
| 700 | Средний | 933 | 926 | 940 | 895 | 895 | 844 | 2200 | 10000 | |
| Тяжелый | 660 | 655 | 717 | 1290 | 739 | 1292 | 1800 | 10000 | ||
| Весьма тяжелый | 568 | 550 | 604 | 662 | 623 | 665 | 1400 | 8000 | ||
| Непрерывный | 505 | 505 | 480 | 457 | 457 | 431 | 1000 | 6400 | ||
| 1000 | Средний | 849 | 846 | 940 | 895 | 895 | 844 | 2200 | 10000 | |
| Тяжелый | 604 | 595 | 662 | 716 | 667 | 716 | 1800 | 10000 | ||
| Весьма тяжелый | 539 | 505 | 549 | 595 | 563 | 601 | 1400 | 8000 | ||
| Непрерывный | 505 | 505 | 480 | 457 | 457 | 431 | 1000 | 6400 | ||
| 1500 | Средний | 768 | 760 | 841 | 895 | 858 | 844 | 2200 | 10000 | |
| Тяжелый | 568 | 540 | 592 | 645 | 602 | 653 | 1800 | 10000 | ||
| Весьма тяжелый | 505 | 505 | 534 | 556 | 503 | 544 | 1400 | 8000 | ||
| Непрерывный | 505 | 505 | 480 | 457 | 457 | 431 | 1000 | 6400 | ||
| РЦД — 350 | ||||||||||
| 500 | Средний | 2340 | 2340 | 2230 | 2120 | 2120 | 2000 | 3200 | 18000 | |
| Тяжелый | 1800 | 2030 | 2020 | 2020 | 2100 | 2000 | 3900 | 1760 | ||
| Весьма тяжелый | 1510 | 1760 | 1710 | 1760 | 1800 | 1800 | 3900 | 13400 | ||
| Непрерывный | 1200 | 1200 | 1140 | 1080 | 1080 | 1020 | 1800 | 10000 | ||
| 700 | Средний | 2340 | 2340 | 2230 | 2120 | 2120 | 2000 | 3200 | 18000 | |
| Тяжелый | 1650 | 1850 | 1870 | 1870 | 1980 | 1940 | 3900 | 1760 | ||
| Весьма тяжелый | 1400 | 1560 | 1570 | 1590 | 1690 | 1660 | 3900 | 13400 | ||
| Непрерывный | 1200 | 1200 | 1140 | 1080 | 1080 | 1020 | 1800 | 10000 | ||
| 1000 | Средний | 2330 | 2340 | 2230 | 2120 | 2120 | 2000 | 3200 | 18000 | |
| Тяжелый | 1510 | 1700 | 1710 | 1690 | 1810 | 1810 | 3900 | 1760 | ||
| Весьма тяжелый | 1390 | 1440 | 1430 | 1430 | 1530 | 1530 | 3900 | 13400 | ||
| Непрерывный | 1200 | 1200 | 1140 | 1080 | 1080 | 1020 | 1800 | 10000 | ||
| 1500 | Средний | 1900 | 2340 | 2230 | 2120 | 2120 | 2000 | 3200 | 18000 | |
| Тяжелый | 1400 | 1530 | 1530 | 1560 | 1640 | 1620 | 3900 | 1760 | ||
| Весьма тяжелый | 1200 | 1300 | 1300 | 1320 | 1380 | 1380 | 3900 | 13400 | ||
| Непрерывный | 1200 | 1200 | 1140 | 1080 | 1080 | 1020 | 1800 | 10000 | ||
| РЦД — 400 | ||||||||||
| 500 | Средний | 3450 | 4070 | 4020 | 4130 | 3950 | 3900 | 3800 | 23600 | |
| Тяжелый | 2450 | 2420 | 2660 | 3970 | 2660 | 3970 | 3600 | 23400 | ||
| Весьма тяжелый | 2300 | 2030 | 2250 | 2420 | 2260 | 2440 | 3600 | 18000 | ||
| Непрерывный | 2300 | 2020 | 2160 | 2110 | 2000 | 1950 | 2000 | 13800 | ||
| 700 | Средний | 3150 | 3120 | 3410 | 31290 | 3760 | 3900 | 3800 | 23600 | |
| Тяжелый | 2300 | 2200 | 2400 | 2620 | 2490 | 2620 | 3600 | 23400 | ||
| Весьма тяжелый | 2300 | 2020 | 2160 | 2220 | 2090 | 2220 | 3600 | 18000 | ||
| Непрерывный | 2300 | 2020 | 2160 | 2110 | 2000 | 1950 | 2000 | 13800 | ||
| 1000 | Средний | 3950 | 3940 | 3170 | 3430 | 3150 | 3450 | 3800 | 23600 | |
| Тяжелый | 2300 | 2020 | 2230 | 2420 | 2250 | 2410 | 3600 | 23400 | ||
| Весьма тяжелый | 2300 | 2020 | 2160 | 2110 | 2000 | 2020 | 3600 | 18000 | ||
| Непрерывный | 2300 | 2020 | 2160 | 2110 | 2000 | 1950 | 2000 | 13800 | ||
| 1500 | Средний | 2580 | 2550 | 3920 | 3050 | 3990 | 3100 | 3800 | 23600 | |
| Тяжелый | 2300 | 2020 | 2160 | 2160 | 2020 | 2200 | 3600 | 23400 | ||
| Весьма тяжелый | 2300 | 2020 | 2160 | 2110 | 2000 | 1950 | 3600 | 18000 | ||
| Непрерывный | 2300 | 2020 | 2160 | 2110 | 2000 | 1950 | 2000 | 13800 | ||
| Тип | аw2 | aw | L | L1 | L2 | 1 | 11 | l2 | l3 | l4 | l5 | Н | H1 | h | d | B | B1 | B2 | Массакг |
| Редуктор РЦД — 250 | 150 | 250 | 520 | 220 | 230 | 400 | 330 | 115 | 185 | 235 | 165 | 315 | 160 | 24 | 23 | 250 | 250 | 200 | 87 |
| Редуктор РЦД — 350 | 200 | 350 | 700 | 260 | 290 | 545 | 480 | 164 | 235 | 280 | 240 | 410 | 212 | 24 | 23 | 320 | 320 | 255 | 175 |
| Редуктор РЦД — 400 | 250 | 400 | 800 | 280 | 335 | 640 | 540 | 190 | 285 | 330 | 270 | 510 | 265 | 28 | 27 | 360 | 360 | 275 | 287 |
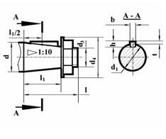
| Тип | d | d1 | d3 | d4 | l | l1 | b | h | t |
| Редуктор РЦД — 250 | 30 | 27,1 | M20x1,5 | 50 | 80 | 58 | 5 | 5 | 3 |
| Редуктор РЦД — 350 | 35 | 32,1 | 6 | 6 | 3,5 | ||||
| Редуктор РЦД — 400 |
| Тип | l | d | b | t |
| Редуктор РЦД — 250 | 82 | 45k6 | 14 | 49.5 |
| Редуктор РЦД — 350 | 105 | 65m6 | 18 | 71 |
| Редуктор РЦД — 400 | 130 | 85m6 | 22 | 93 |
| Тип | m | z | b | L | L1 | k | В | d F7 | d1 f9 |
| Редуктор РЦД — 250 | 3 | 48 | 25 | 50 | 16 | 22 | 45 | 90 | 110 |
| Редуктор РЦД — 350 | 56 | 55 | 125 | ||||||
| Редуктор РЦД — 400 |
Типоразмер редуктора Редуктор РЦД 250
Ном.крутящий момент, (min…max), H· м 431…1292
Диапазон передаточных отношений 8…40
Габаритные размеры, L x B x H, мм 520х315х250
Масса, кг 87
