Редуктор цилиндрический двухступенчатый горизонтальный 1Ц2У-100 применяется в различных машинных приводах и механизмах для изменения крутящих моментов и частоты вращения. Редукторы 1Ц2У применяются в различных сферах производства: машиностроении, промышленности, и прочих областях, использующих электрооборудование.
Современный редуктор модели 1Ц2У-100 является продукцией материально-технического назначения. Это сложный механизм, который служит для изменения скорости вращения и передаёт вращательные движения от одного вала к другому. 
Редуктор ц2у широко используется в приводах машин, механизмов. Как правило, он эксплуатируется в машиностроении. Редуктор отличается:
— длительной работой до 24 часов. Эксплуатировать редуктор ц2у можно как постоянно, так и с перерывами;
— разными режимами работы;
— частотой вращения вала до 1500 оборотов в минуту;
— возможностью вращать валы в разные стороны;
— неагрессивной средой;
— климатическим исполнением.
Редукторы ц2у являются компактными и удобными в эксплуатации. Такие агрегаты можно использовать в автоматизированных системах управления, в медицинской технике. Как уже было отмечено ранее, такие механизмы эксплуатируются в умеренных климатических условиях. То есть, такие агрегаты можно устанавливать как под открытым небом, так и под специально сооруженными навесами.
Чтобы редукторы ц2у прослужили своим владельцам дольше, его надо защитить от негативных факторов окружающей среды. А именно, его надо прогрунтовать краской, а затем покрыть специальной алкидной эмалью. Такие специальные покрытия можно заказать в интернете.
На нашем сайте можно заказать редукторы ц2у в прекрасном соотношении высокого качества и доступной стоимости.
Для работы редуктора ц2у необходима:
— постоянная и переменная нагрузка либо одного направления, либо реверсивная;
— длительная работа или периодичная;
— вращение вала в любую сторону;
К основным преимущества редукторов ц2у стоит отнести:
— их высокую результативность;
— возможность применения в разных сферах;
— высокий КПД.
Эти агрегаты являются универсальными. Их часто применяют в:
— металлургической промышленности;
— строительстве;
— при добыче угля, газа и нефти;
— специализированном оборудовании на фабриках и заводах.
Основным достоинством редуктора является его высокая мощность. Несмотря на то, что он рассчитан на круглосуточную работу, его можно остановить в любое время. Корпус редуктора ц2у может быть изготовлен как из чугуна, так и из алюминия.
Если вам необходимо купить редуктор ц2у, предлагаем сделать это в нашем интернет магазине по самым оптимальным ценам.
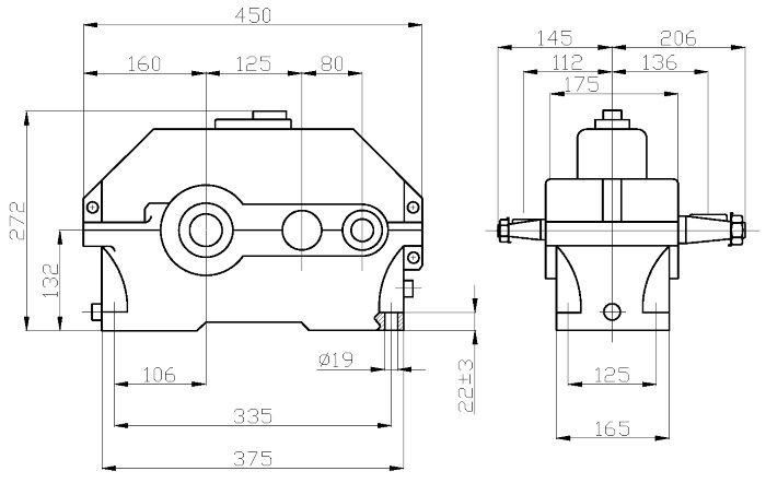
| Редуктор | Aw т | Aw б | A | B | B 1 | H | H 1 | h | L | L 1 | L 2 | L 3 | L 4 | L 5 | d |
| 1Ц2У-125 | 125 | 80 | 335 | 165 | 125 | 270 | 132 | 22 | 440 | 375 | 106 | 155 | 145 | 206 | 19 |
