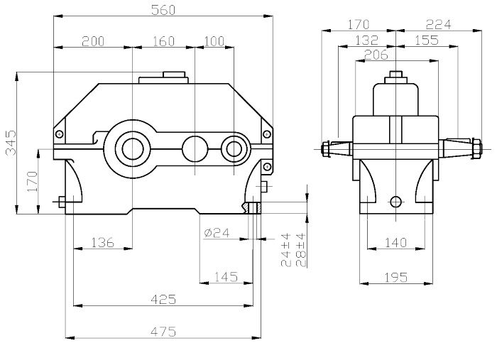
Редуктор цилиндрический двухступенчатый горизонтальный 1Ц2У-160 применяется в различных машинных приводах и механизмах для изменения крутящих моментов и частоты вращения. Редукторы 1Ц2У применяются в различных сферах производства: машиностроении, промышленности, и прочих областях, использующих электрооборудование.
Современный редуктор модели 1Ц2У-160 является продукцией материально-технического назначения. Это сложный механизм, который служит для изменения скорости вращения и передаёт вращательные движения от одного вала к другому.
Редуктор цилиндрический двухступенчатый горизонтальный общемашиностроительного применения типоразмера 1Ц2У-160 предназначен для изменения крутящих моментов и частот вращения.
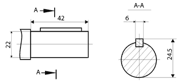
І – с концами валов под муфты, в виде части зубчатой муфты;
ІІ – с концами валов под муфты;
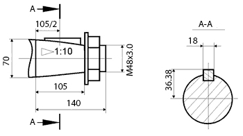
ІІІ – с полым выходным валом с симметричным расположением шлицев;
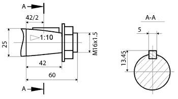
IV – с полым выходным валом с несимметричным расположением шлицев
