Редуктор цилиндрический двухступенчатый горизонтальный 1Ц2У-200 применяется в различных машинных приводах и механизмах для изменения крутящих моментов и частоты вращения. Редукторы 1Ц2У применяются в различных сферах производства: машиностроении, промышленности, и прочих областях, использующих электрооборудование.
Современный редуктор модели 1Ц2У-200 является продукцией материально-технического назначения. Это сложный механизм, который служит для изменения скорости вращения и передаёт вращательные движения от одного вала к другому.
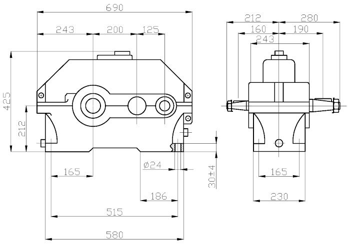
Редуктор цилиндрический двухступенчатый горизонтальный общемашиностроительного применения типоразмера 1Ц2У-200 предназначен для изменения крутящих моментов и частот вращения.
| Редуктор | Aw т | Aw б | A | B | B 1 | H | H 1 | h | L | L 1 | L 2 | L 3 | L 4 | L 5 | d |
| 1Ц2У-200 | 200 | 125 | 515 | 230 | 165 | 420 | 212 | 30 | 670 | 580 | 165 | 236 | 212 | 280 | 24 |
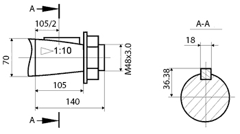
І – с концами валов под муфты, в виде части зубчатой муфты;
ІІ – с концами валов под муфты;
ІІІ – с полым выходным валом с симметричным расположением шлицев;
IV – с полым выходным валом с несимметричным расположением шлицев
