Редуктор цилиндрический двухступенчатый горизонтальный 1Ц2У-315 применяется в различных машинных приводах и механизмах для изменения крутящих моментов и частоты вращения. Редукторы 1Ц2У применяются в различных сферах производства: машиностроении, промышленности, и прочих областях, использующих электрооборудование.
Современный редуктор модели 1Ц2У-315 является продукцией материально-технического назначения. Это сложный механизм, который служит для изменения скорости вращения и передаёт вращательные движения от одного вала к другому.
|
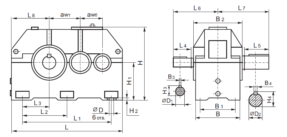
Редуктор
|
Aw т
|
Aw б
|
B
|
B 1
|
B 2
|
H
|
H 1
|
h
|
L
|
L 1
|
L 2
|
L 3
|
L 4
|
L 5
|
d
|
|
1Ц2У-315
|
315
|
200
|
395
|
260
|
318
|
685
|
335
|
35
|
1030
|
370
|
215
|
360
|
300
|
420
|
28
|
|
1Ц2У-355
|
355
|
225
|
435
|
280
|
360
|
740
|
375
|
35
|
1160
|
425
|
250
|
400
|
320
|
440
|
28
|
|
1Ц2У-400
|
400
|
250
|
475
|
330
|
420
|
835
|
425
|
42
|
1300
|
475
|
280
|
450
|
380
|
500
|
35
|
|
1Ц2Н-450
|
450
|
280
|
630
|
515
|
590
|
955
|
475
|
50
|
1460
|
530
|
310
|
500
|
500
|
650
|
35
|
|
1Ц2Н-500
|
500
|
315
|
700
|
580
|
650
|
1055
|
530
|
60
|
1650
|
615
|
360
|
565
|
530
|
690
|
42
|
Редуктор цилиндрический горизонтальный двухступенчатый с зацеплением Новикова Ц2У-315Н является
приводом общего назначения и предназначен для увеличения крутящего момента и уменьшения частоты
вращения различных машин и механизмов.
| Типоразмер | awб | awт | L | L1 | L2 | L3 | L4 | L5 | L6 | L7 | L8 | D | D1 | D2 |
| Ц2У-315Н | 200 | 315 | 1045 | 740 | 370 | 215 | 110 | 210 | 300 | 420 | 360 | 28 | 50k6 | 110m6 |
| Типоразмер | H | H1 | H2 | H3 | H4 | B | B1 | B2 | B3 | B4 |
| Ц2У-315Н | 685 | 335 | 35 | 53,5 | 116 | 340 | 260 | 395 | 14 | 28 |
| Типоразмер | a1 | a2 | a3 | a4 | a5 | a6 | a7 | a8 | a9 |
| Ц2У-315Н | 110 | 82 | 41 | 12 | 48,9 | 45,9 | 50 | 300 | М36×3 |
| Типоразмер | b1 | b2 | b3 | b4 | b5 | b6 | b7 | b8 | b9 |
| Ц2У-315Н | 210 | 165 | 82,5 | 25 | 106,75 | 102 | 110 | 420 | М80×4 |
| Типоразмер | f | f1 | f2 | f3 | f4 | f5 | f6 | m | z |
| Ц2У-315Н | 275 | 110F8 | 130 | 252 | 60 | 30 | 10 | 6 | 40
|
