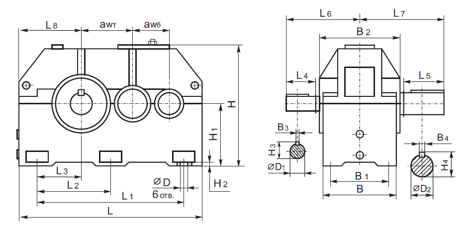
Редуктор цилиндрический двухступенчатый горизонтальный Ц2У-355 применяется в различных машинных приводах и механизмах для изменения крутящих моментов и частоты вращения. Редукторы 1Ц2У применяются в различных сферах производства: машиностроении, промышленности, и прочих областях, использующих электрооборудование.
Современный редуктор модели 1Ц2У-355 является продукцией материально-технического назначения. Это сложный механизм, который служит для изменения скорости вращения и передаёт вращательные движения от одного вала к другому.
|
Редуктор
|
Aw т
|
Aw б
|
B
|
B 1
|
B 2
|
H
|
H 1
|
h
|
L
|
L 1
|
L 2
|
L 3
|
L 4
|
L 5
|
d
|
|
1Ц2У-315
|
315
|
200
|
395
|
260
|
318
|
685
|
335
|
35
|
1030
|
370
|
215
|
360
|
300
|
420
|
28
|
|
1Ц2У-355
|
355
|
225
|
435
|
280
|
360
|
740
|
375
|
35
|
1160
|
425
|
250
|
400
|
320
|
440
|
28
|
|
1Ц2У-400
|
400
|
250
|
475
|
330
|
420
|
835
|
425
|
42
|
1300
|
475
|
280
|
450
|
380
|
500
|
35
|
|
1Ц2Н-450
|
450
|
280
|
630
|
515
|
590
|
955
|
475
|
50
|
1460
|
530
|
310
|
500
|
500
|
650
|
35
|
|
1Ц2Н-500
|
500
|
315
|
700
|
580
|
650
|
1055
|
530
|
60
|
1650
|
615
|
360
|
565
|
530
|
690
|
42
|
Редуктор цилиндрический горизонтальный с зацеплением Новикова Ц2У-355Н является
приводом общего назначения и предназначен для увеличения крутящего момента и уменьшения частоты
вращения различных машин и механизмов.
| Типоразмер | awб | awт | L | L1 | L2 | L3 | L4 | L5 | L6 | L7 | L8 | D | D1 | D2 |
| Ц2У-355Н | 225 | 355 | 1170 | 850 | 425 | 250 | 110 | 210 | 320 | 440 | 400 | 28 | 55m6 | 125m6 |
| Типоразмер | H | H1 | H2 | H3 | H4 | B | B1 | B2 | B3 | B4 |
| Ц2У-355Н | 740 | 375 | 35 | 59 | 132 | 360 | 280 | 435 | 16 | 32 |
| Типоразмер | f | f1 | f2 | f3 | f4 | f5 | f6 | m | z |
| 1Ц2У-355 | 310 | 110F8 | 130 | 294 | 65 | 35 | 12,5 | 7 | 40 |
| 322 | 170F8 | 200 | 348 | 68 | 40 | 12 | 6 | 56 |
| Индекс | e | e1 | e2 | e3 | e4 |
| муфты | |||||
| М | 200 | 110h10 | 75h8 | 55 | M8-7H |
| М | 235 | 130h10 | 75h9 | ||
| М1 | |||||
| М | 240 | 140h10 | |||
| М1 |
