Редуктор цилиндрический вертикальный ВК475

Технические характеристики

Специальный крановый (цилиндрический трехступенчатый) редуктор ВК350 предназначен для использования в приводах механизмов передвижения грузоподъемных кранов. Редуктор предназначены для эксплуатации в макроклиматических районах с умеренным (климатическое исполнение У) и сухим и влажным тропическим (Т) климатом, категории размещения 2 по ГОСТ 15150.

Основные технические характеристики редуктора ВК475

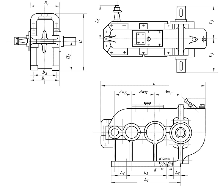
Габаритные и присоединительные размеры редуктора ВК475

Цилиндрические вертикальные крановые редукторы типа ВК рассчитаны на применение в следующих условиях:

  • Вращение валов в обе стороны;
  • Температура внешней среды от -40°С до +50°С;
  • Неагрессивная среда, умеренные запыленность и влажность;
  • Скорость вращения быстроходного вала не выше 1000 об/мин.

Размеры концов валов редукторов

Размеры концов входных и выходных валов

Типоразмер редуктора ВК-475
Передаточное число u 20, 28, 50, 112
Мт, Н*м 2000
Масса редуктора, кг 215

Заказать Редуктор цилиндрический вертикальный ВК475

Отправляя форму, вы соглашаетесь с политикой конфиденциальности сайта.

Заказать Редуктор цилиндрический вертикальный ВК475

Отправляя форму, вы соглашаетесь с политикой конфиденциальности сайта.
Запрос условий