Цилиндрический двухступенчатый редуктор ГПШ-400

Технические характеристики

Специальные крановые цилиндрические двухступенчатые редукторы используются в приводах механизмов передвижения грузоподъемных кранов, и для увеличения крутящего момента и уменьшения частоты вращения различных машин и механизмов.

Условия применения редуктора ГПШ-400:

  • нагрузка постоянная и переменная, одного направления и реверсивная;
  • работа постоянная и с периодическими остановками;
  • вращения валов в любую сторону без предпочтительности при скорости вращения быстроходного вала до 1500 оборотов в минуту;
  • температура внешней среды — от — 400оС до + 500оС;
  • повышенная запыленность, неагрессивная среда;
  • влажность при температуре 20оС – до 95%.

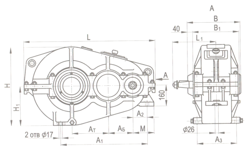
Габаритные и присоединительные размеры редуктора ГПШ-400:

Технические характеристики редуктора ГПШ-400:

 

Типоразмер редуктора ГПШ-400
Передаточное отношение 8; 10; 12,5; 16; 20; 25; 31,5; 40; 50;
Частота вращения входного вала, мин-1 1000 1500
Мощность на входном валу, кВт до 16,3 до 19,2

Заказать Цилиндрический двухступенчатый редуктор ГПШ-400

Отправляя форму, вы соглашаетесь с политикой конфиденциальности сайта.

Заказать Цилиндрический двухступенчатый редуктор ГПШ-400

Отправляя форму, вы соглашаетесь с политикой конфиденциальности сайта.
Запрос условий