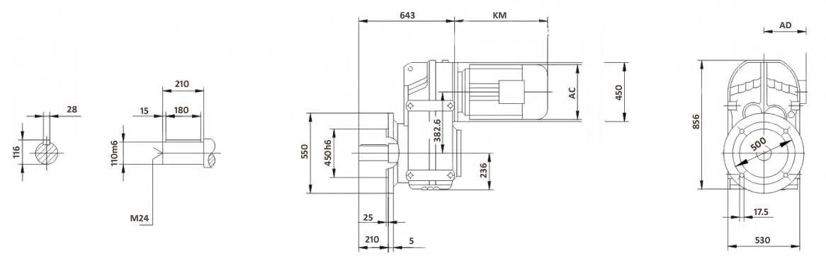
Цилиндрический мотор-редуктор F127 отличается высокой надежностью и минимальным люфтом. Этот агрегат обеспечивает большие передаточные отношения и способен выдерживать значительные нагрузки. В состав мотор-редуктора входит асинхронный электродвигатель мощностью до 90 кВт. Предлагается несколько вариантов монтажа. Привод выпускается компанией SUPROR.
F127 — лапы
FF127 — фланец
FA127 — полый вал
FA127B — лапы / полый вал
FAF127 — фланец / полый вал
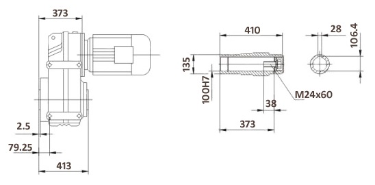
FA127 — 6715 — 0,21 — 0,37 — M5
FA — плоский мотор-редуктор с полым валом
127 — типоразмер
6715 — передаточное число
0,21 — частота вращения выходного вала, об/мин
0,37 — мощность электродвигателя, кВт
M5 — вариант исполнения/способ монтажа
| Пе | Час | Мак | До | AD |
|---|---|---|---|---|
| 3-х ступенчатый | ||||
| 170.83 | 8.2 | 12000 | 90000 | AD4 |
| 153.67 | 9.1 | 12000 | 90000 | |
| 125.37 | 11 | 12000 | 90000 | |
| 114.34 | 12 | 12000 | 88000 | |
| 98.95 | 14 | 12000 | 83000 | |
| 87.31 | 16 | 12000 | 78900 | |
| 75.41 | 19 | 12000 | 74300 | |
| 70.07 | 20 | 12000 | 72100 | AD5 |
| 63.91 | 22 | 12000 | 69400 | |
| 55.31 | 25 | 12000 | 65300 | |
| 48.80 | 29 | 12000 | 61800 | |
| 42.15 | 33 | 12000 | 57900 | |
| 37.28 | 38 | 12000 | 54800 | AD6 |
| 31.33 | 45 | 12000 | 50600 | AD7 |
| 25.30 | 55 | 12000 | 45700 | |
| 2-х ступенчатый | ||||
| 26.86 | 52 | 8500 | 55300 | AD6 |
| 24.57 | 57 | 8500 | 53300 | |
| 21.38 | 65 | 12000 | 42000 | AD8 |
| 18.87 | 74 | 11000 | 41900 | |
| 16.36 | 86 | 11000 | 39000 | |
| 14.55 | 96 | 11000 | 36200 | |
| 12.54 | 112 | 10000 | 36400 | |
| 10.19 | 137 | 9500 | 34000 | |
| 8.86 | 158 | 7000 | 36400 | |
| 7.88 | 178 | 6000 | 37000 | |
| 6.80 | 206 | 7000 | 32200 | |
| 5.52 | 254 | 6000 | 31700 | |
| 4.68 | 299 | 6000 | 29500 | |
| F127R77 | |||||
|---|---|---|---|---|---|
| Пере | Час | Сту | Мак | До | |
| R127 | R77 | ||||
| 24478 | 0.06 | 3 | 3 | 12000 | 90000 |
| 22323 | 0.06 | 3 | 3 | 12000 | 90000 |
| 19048 | 0.07 | 3 | 3 | 12000 | 90000 |
| 16656 | 0.08 | 3 | 3 | 12000 | 90000 |
| 14722 | 0.10 | 3 | 3 | 12000 | 90000 |
| 12912 | 0.11 | 3 | 3 | 12000 | 90000 |
| 11656 | 0.12 | 3 | 3 | 12000 | 90000 |
| 10191 | 0.14 | 3 | 3 | 12000 | 90000 |
| 8831 | 0.16 | 3 | 3 | 12000 | 90000 |
| 7643 | 0.18 | 3 | 3 | 12000 | 90000 |
| 6715 | 0.21 | 3 | 3 | 12000 | 90000 |
| 5925 | 0.24 | 3 | 3 | 12000 | 90000 |
| 5153 | 0.27 | 3 | 3 | 12000 | 90000 |
| 4533 | 0.31 | 3 | 3 | 12000 | 90000 |
| 3926 | 0.36 | 3 | 3 | 12000 | 90000 |
| 3454 | 0.41 | 3 | 3 | 12000 | 90000 |
| 3031 | 0.46 | 3 | 3 | 12000 | 90000 |
| 2672 | 0.52 | 3 | 2 | 12000 | 90000 |
| 2357 | 0.59 | 3 | 2 | 12000 | 90000 |
| 2038 | 0.69 | 3 | 2 | 12000 | 90000 |
| 1784 | 0.78 | 3 | 2 | 12000 | 90000 |
| 1606 | 0.87 | 3 | 2 | 12000 | 90000 |
| 1390 | 1.0 | 3 | 2 | 12000 | 90000 |
| 1220 | 1.1 | 3 | 2 | 12000 | 90000 |
| 1077 | 1.3 | 3 | 2 | 12000 | 90000 |
| 930 | 1.5 | 3 | 2 | 12000 | 90000 |
| 820 | 1.7 | 3 | 2 | 12000 | 90000 |
| 727 | 1.9 | 3 | 2 | 12000 | 90000 |
| 648 | 2.2 | 3 | 2 | 12000 | 90000 |
| 549 | 2.6 | 3 | 2 | 12000 | 90000 |
| 495 | 2.8 | 3 | 2 | 12000 | 90000 |
| 428 | 3.3 | 3 | 2 | 12000 | 90000 |
| 376 | 3.7 | 3 | 2 | 12000 | 90000 |
| F37R17 | |||||
|---|---|---|---|---|---|
| Пере | Час | Сту | Мак | До | |
| R127 | R87 | ||||
| 483 | 2.9 | 3 | 2 | 12000 | 90000 |
| 418 | 3.3 | 3 | 2 | 12000 | 90000 |
| 374 | 3.7 | 3 | 2 | 12000 | 90000 |
| 312 | 4.5 | 3 | 2 | 12000 | 90000 |
| 293 | 4.8 | 3 | 2 | 12000 | 90000 |
| 259 | 5.4 | 3 | 2 | 12000 | 90000 |
| 223 | 6.3 | 3 | 2 | 12000 | 90000 |
| 198 | 7.1 | 3 | 2 | 12000 | 90000 |
| 166 | 8.4 | 3 | 2 | 12000 | 90000 |
| Мощ | Час | Кру | Пере | До | Сер | Испол | Элек |
|---|---|---|---|---|---|---|---|
| 0,12 | 0.06 0.07 0.08 0.09 0.11 0.12 0.14 | 15000 12600 10800 9870 7980 7090 6300 | 22323 19048 16656 14722 12912 11656 10191 | 84600 89300 90000 90000 90000 90000 90000 | 0.80 0.95 1.10 1.20 1.50 1.70 1.90 | FA FAF F FF | F127R77 D63S4 |
| 0,18 | 0.10 0.11 0.13 0.15 0.17 0.20 | 13500 12100 10700 8980 7770 7150 | 12912 11656 10191 8831 7643 6715 | 87500 90000 90000 90000 90000 90000 | 0.90 1.00 1.10 1.35 1.55 1.70 | FA FAF F FF | F127 R77 D63M4 |
| 0,25 | 0.15 0.17 0.19 0.22 0.25 0.29 | 13300 11500 10400 9190 7860 6850 | 8831 7643 6715 5925 5153 4533 | 88000 90000 90000 90000 90000 90000 | 0.90 1.05 1.15 1.30 1.55 1.75 | FA FAF F FF | F127 R77 D63L4 |
| 0.37 | 0.21 0.23 0.27 0.30 0.35 0.40 0.46 | 14900 13100 11300 9850 8590 7510 6570 | 6715 5925 5153 4533 3926 3454 3031 | 84800 88300 90000 90000 90000 90000 90000 | 0.80 0.90 1.05 1.20 1.40 1.60 1.85 | FA FAF F FF | F127 R77 D71D4 |
| 0.55 | 0.35 0.39 0.45 | 13300 11600 10200 | 3926 3454 3031 | 88000 90000 90000 | 0.90 1.05 1.20 | FA FAF F FF | F127 R77 D80K4 |
| 0.75 | 0.46 | 13800 | 3031 | 86900 | 0.85 | FA FAF F FF | F127 R77 D80N4 |
| 0.52 0.59 0.68 0.77 0.86 | 12400 10900 9390 8190 7350 | 2672 2357 2038 1784 1606 | 89600 90000 90000 90000 90000 | 0.95 1.10 1.30 1.45 1.65 | FA FAF F FF | F127 R77 D80N4 | |
| 1.1 | 0.69 0.79 0.87 1.0 1.1 1.3 | 13800 12000 10800 9350 8170 7260 | 2038 1784 1606 1390 1220 1077 | 87000 90000 90000 90000 90000 90000 | 0.85 1.00 1.10 1.30 1.45 1.65 | FA FAF F FF | F127 R77 D90S4 |
| 1.5 | 0.88 1.0 1.2 1.3 1.5 1.7 1.9 2.2 | 14800 12800 11200 9910 8520 7500 6630 5960 | 1606 1390 1220 1077 930 820 727 648 | 85000 89000 90000 90000 90000 90000 90000 90000 | 0.80 0.95 1.05 1.20 1.40 1.60 1.80 2.0 | FA FAF F FF | F127 R77 D90L4 |
| 2.2 | 1.3 1.5 1.7 1.9 2.2 2.6 2.8 3.3 | 14600 12600 11100 9830 8810 7460 6720 5810 | 1077 930 820 727 648 549 495 428 | 85300 89300 90000 90000 90000 90000 90000 90000 | 0.80 0.95 1.10 1.20 1.35 1.60 1.80 2.1 | FA FAF F FF | F127 R77 D100M4 |
| 3.0 | 1.9 2.2 2.5 2.8 | 13600 12200 10300 9270 | 727 648 549 495 | 87400 90000 90000 90000 | 0.90 1.00 1.15 1.30 | FA FAF F FF | F127 R77 D100L4 |
| 4.0 | 2.6 2.9 3.3 3.8 | 13600 12200 10600 9270 | 549 495 428 376 | 87400 90000 90000 90000 | 0.90 1.00 1.15 1.30 | FA FAF F FF | F127 R77 D112M4 |
| 4.2 4.7 5.7 | 9060 8150 6650 | 170.83 153.67 125.37 | 90000 90000 90000 | 1.30 1.45 1.80 | FA FAF F FF | F127 D132ML8 | |
| 5.5 | 3.4 3.8 4.6 4.9 5.5 6.4 | 14000 12600 10500 9840 8680 7500 | 418 374 312 293 259 223 | 86500 89400 90000 90000 90000 90000 | 0.85 0.95 1.15 1.20 1.40 1.60 | FA FAF F FF | F127 R87 D132S4 |
| 3.3 3.8 | 14500 12700 | 428 376 | 85600 89100 | 0.85 0.95 | FA FAF F FF | F127 R77 D132S4 | |
| 4.2 4.6 5.7 6.2 | 12600 11400 9270 8460 | 170.83 153.67 125.37 114.34 | 89200 90000 90000 90000 | 0.95 1.05 1.30 1.40 | FA FAF F FF | F127 D160M8 | |
| 7.5 | 4.6 4.9 5.5 6.4 7.2 | 14300 13500 11900 10300 9080 | 312 293 259 223 198 | 85900 87600 90000 90000 90000 | 0.85 0.90 1.00 1.15 1.30 | FA FAF F FF | F127 R87 D132M4 |
| 5.7 6.3 7.3 8.2 | 12500 11400 9840 8690 | 125.37 114.34 98.95 87.31 | 89500 90000 90000 90000 | 0.95 1.05 1.20 1.40 | FA FAF F FF | F127 D160L8 | |
| 5.6 6.2 7.7 8.4 | 12700 11500 9350 8530 | 170.83 153.67 125.37 114.34 | 89000 90000 90000 90000 | 0.95 1.05 1.30 1.40 | FA FAF F FF | F127 D160M6 | |
| 8.4 9.3 11 | 8560 7700 6280 | 170.83 153.67 125.37 | 90000 90000 90000 | 1.40 1.55 1.90 | FA FAF F FF | F127 D132M4 | |
| 9.2 | 5.6 6.4 7.3 | 14500 12500 11100 | 259 223 198 | 85600 89400 90000 | 0.85 0.95 1.10 | FA FAF F FF | F127 R87 D132ML4 |
| 8.4 9.4 11 13 15 | 10400 9380 7650 6980 6040 | 170.83 153.67 125.37 114.34 98.95 | 90000 90000 90000 90000 90000 | 1.15 1.30 1.55 1.70 2.0 | FA FAF F FF | F127 D132ML4 | |
| 11 | 6.4 7.3 8.7 | 15000 13300 11100 | 223 198 166 | 84500 88000 90000 | 0.80 0.90 1.00 | FA FAF F FF | F127 R87D160M4 |
| 7.7 8.4 9.7 11 13 | 13700 12500 10800 9550 8250 | 125.37 114.34 98.95 87.31 75.41 | 87100 89500 90000 90000 90000 | 0.85 0.95 1.10 1.25 1.45 | FA FAF F FF | F127 D160L6 | |
| 8.4 9.4 11 13 15 16 19 | 12500 11200 9150 8340 7220 6370 5500 | 170.83 153.67 125.37 114.34 98.95 87.31 75.41 | 89500 90000 90000 90000 90000 90000 88600 | 0.95 1.05 1.30 1.45 1.65 1.90 2.2 | FA FAF F FF | F127 D160M4 | |
| 15 | 9.8 11 13 14 15 | 14600 12900 11100 10300 9440 | 98.95 87.31 75.41 70.07 63.91 | 85300 88700 88300 87600 86700 | 0.80 0.95 1.10 1.15 1.25 | FA FAF F FF | F127 D180L6 |
| 12 13 15 17 19 21 | 12300 11200 9710 8570 7400 6870 | 125.37 114.34 98.95 87.31 75.41 70.07 | 89000 88300 87000 85600 83800 82800 | 1.00 1.05 1.25 1.40 1.60 1.75 | FA FAF F FF | F127 D160L4 | |
| 18.5 | 13 15 17 19 21 23 26 30 | 13800 11900 10500 9090 8450 7710 6670 5880 | 114.34 98.95 87.31 75.41 70.07 63.91 55.31 48.80 | 82200 81700 80900 79700 79000 78100 76400 74900 | 0.85 1.00 1.15 1.30 1.40 1.55 1.80 2.0 | FA FAF F FF | F127 D180M4 |
| 22 | 15 17 19 21 23 26 30 35 | 14200 12500 10800 10000 9160 7930 7000 6040 | 98.95 87.31 75.41 70.07 63.91 55.31 48.80 42.15 | 76400 76300 75700 75300 74700 73500 72300 70700 | 0.85 0.95 1.10 1.20 1.30 1.50 1.70 2.0 | FA FAF F FF | F127 D180L4 |
| 30 | 19 21 23 27 30 35 39 47 58 | 14700 13700 12500 10800 9510 8210 7170 6110 4930 | 75.41 70.07 63.91 55.31 48.80 42.15 37.28 31.33 25.30 | 66600 66800 66900 66700 66300 65500 64700 63200 61200 | 0.80 0.90 0.95 1.10 1.25 1.45 1.65 1.95 2.4 | FA FAF F FF | F127 D200L4 |
| 55 60 69 78 | 5240 4790 4170 3680 | 26.86 24.57 21.38 18.87 | 61800 60900 59400 58000 | 1.60 1.80 2.9 3.0 | FA FAF F FF | F127 D200L4 | |
| 37 | 27 30 35 39 47 58 | 13300 11700 10100 8960 7530 6080 | 55.31 48.80 42.15 37.28 31.33 25.30 | 60900 61100 61100 60700 59900 58500 | 0..90 1.00 1.20 1.35 1.60 1.90 | FA FAF F FF | F127 D225S4 |
| 55 60 69 78 90 101 117 144 166 186 | 6460 5910 5140 4530 3930 3500 3010 2450 2130 1890 | 26.86 24.57 21.38 18.87 16.36 14.55 12.54 10.19 8.86 7.88 | 58900 58300 57100 56000 54600 53400 51900 49600 47700 46500 | 1.30 1.45 2.3 2.4 2.8 3.1 3.3 3.9 3.3 3.2 | FA FAF F FF | F127 D225S4 | |
| 30 35 39 47 58 | 14300 12300 10900 9160 7400 | 48.80 42.15 37.28 31.33 25.30 | 55200 56000 56200 56100 55400 | 0.85 0.95 1.10 1.30 1.60 | FA FAF F FF | F127 D225M4 | |
| 55 60 69 78 90 101 117 144 166 186 216 266 | 7850 7180 6250 5520 4780 4250 3670 2980 2590 2300 1990 1610 | 26.86 24.57 21.38 18.87 16.36 14.55 12.54 10.19 8.86 7.88 6.80 5.52 | 55700 55300 54500 53700 52600 51600 50300 48400 46600 45500 44000 42000 | 1.10 1.20 1.90 2.0 2.3 2.6 2.7 3.2 2.7 2.6 3.5 3.7 | FA FAF F FF | F127 D225M4 | |
| 45 | 30 35 39 47 58 | 14300 12300 10900 9160 7400 | 48.80 42.15 37.28 31.33 25.30 | 55200 56000 56200 56100 55400 | 0.85 0.95 1.10 1.30 1.60 | FA FAF F FF | F127 D225M4 |
| 55 60 69 78 90 101 117 144 166 186 216 266 | 7850 7180 6250 5520 4780 4250 3670 2980 2590 2300 1990 1610 | 26.86 24.57 21.38 18.87 16.36 14.55 12.54 10.19 8.86 7.88 6.80 5.52 | 55700 55300 54500 53700 52600 51600 50300 48400 46600 45500 44000 42000 | 1.10 1.20 1.90 2.0 2.3 2.6 2.7 3.2 2.7 2.6 3.5 3.7 | FA FAF F FF | F127 D225M4 | |
| 55 | 40 47 58 | 13300 11200 9010 | 37.28 31.33 25.30 | 50600 51400 51600 | 0.90 1.10 1.35 | FA FAF F FF | F127 D250M4 |
| 69 78 90 101 118 145 166 187 217 267 315 | 7610 6720 5820 5180 4470 3630 3160 2810 2420 1970 1670 | 21.38 18.87 16.36 14.55 12.54 10.19 8.86 7.88 6.80 5.52 4.68 | 51300 50800 50100 49400 48400 46800 45100 44200 42900 41100 39600 | 1.60 1.65 1.90 2.1 2.2 2.6 2.2 2.1 2.9 3.0 3.6 | FA FAF F FF | F127 D 250M4 | |
| 75 | 52 58 67 75 88 106 124 | 13800 12300 10700 9570 8150 6760 5770 | 28.60 25.43 22.16 19.77 16.85 13.96 11.92 | 65500 65400 64900 64300 63200 61600 60100 | 1.25 1.20 1.70 1.80 2.2 2.5 2.8 | FA FAF F FF | F157 D280S4 |
| 58 | 12200 | 25.30 | 44000 | 1.00 | FA FAF F FF | F127 D280S4 | |
| 69 78 90 102 118 145 167 188 218 268 316 | 10300 9130 7920 7040 6070 4930 4290 3810 3290 2670 2270 | 21.38 18.87 16.36 14.55 12.54 10.19 8.86 7.88 6.80 5.52 4.68 | 44800 45100 45200 45000 44600 43700 42200 41600 40700 39300 38100 | 1.15 1.20 1.40 1.55 1.65 1.95 1.65 1.55 2.1 2.2 2.7 | FA FAF F FF | F127 D280S4 | |
| 90 | 58 | 14700 | 25.30 | 33100 | 0.80 | FA FAF F FF | F127 D280M4 |
| 69 78 90 102 118 145 167 188 218 268 316 | 12400 11000 9500 8450 7280 5920 5150 4580 3950 3210 2720 | 21.38 18.87 16.36 14.55 12.54 10.19 8.86 7.88 6.80 5.52 4.68 | 38800 40900 41500 41700 41800 41400 40100 39700 39000 37900 36900 | 0.95 1.00 1.15 1.30 1.35 1.60 1.35 1.30 1.75 1.85 2.2 | FA FAF F FF | F127 D280M4 |
Передаточное отношение 170.83
Частота вращения выходного вала, об/мин 8.2
Максимальный крутящий момент, Н*м 12000
Допустимая радиальная нагрузка, Н 90000
AD AD4
