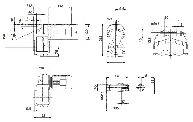
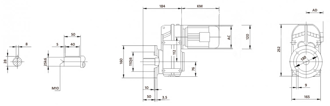
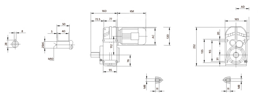
Среди преимуществ цилиндрического мотор-редуктора F37 выделяются разнообразные варианты монтажа и компактные габариты. В его состав входит электродвигатель стандарта IEC с мощностью от 0,12 до 3 кВт. Крутящий момент передается через две или три передаточные ступени. Этот мотор-редуктор производится компанией SUPROR.
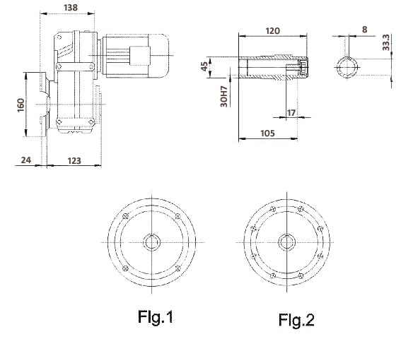
F37 — лапы
FF37 — фланец
FA37 — полый вал
FA37B — лапы / полый вал
FAF37 — фланец / полый вал
FA37 — 117,88 — 11 — 0,25 — M3
FA — плоский мотор-редуктор с полым валом
37 — типоразмер
117,88 — передаточное число
11 — частота вращения выходного вала, об/мин
0,25 — мощность электродвигателя, кВт
M3 — вариант исполнения/способ монтажа
| Пе | Час | Мак | До | AD |
|---|---|---|---|---|
| 3-х ступенчатый | ||||
| 128.51 | 11 | 200 | 4290 | AD1 |
| 177.88 | 12 | 200 | 4290 | |
| 100.36 | 14 | 200 | 4290 | |
| 86.53 | 16 | 200 | 4290 | |
| 80.65 | 17 | 200 | 4290 | |
| 70.50 | 20 | 200 | 4290 | |
| 66.09 | 21 | 200 | 4290 | |
| 58.32 | 24 | 200 | 4290 | |
| 54.54 | 26 | 200 | 4290 | |
| 51.70 | 27 | 200 | 4290 | |
| 47.02 | 30 | 200 | 4290 | AD2 |
| 43.83 | 32 | 200 | 4290 | |
| 38.31 | 37 | 200 | 4290 | |
| 35.91 | 39 | 200 | 4290 | |
| 31.69 | 44 | 200 | 4290 | |
| 28.09 | 50 | 200 | 4060 | |
| 23.88 | 59 | 200 | 3760 | |
| 2-х ступенчатый | ||||
| 23.63 | 59 | 200 | 3740 | AD2 |
| 20.57 | 68 | 200 | 3500 | |
| 19.27 | 73 | 200 | 3390 | |
| 17.03 | 82 | 200 | 3180 | |
| 15.81 | 89 | 200 | 3070 | |
| 14.33 | 98 | 200 | 2910 | |
| 12.87 | 109 | 200 | 2750 | |
| 11.08 | 126 | 190 | 2620 | |
| 10.42 | 134 | 185 | 2580 | |
| 8.97 | 156 | 175 | 2460 | |
| 8.01 | 175 | 170 | 2360 | |
| 7.44 | 188 | 145 | 2350 | |
| 6.74 | 208 | 140 | 2270 | |
| 6.05 | 231 | 135 | 2190 | |
| 5.21 | 269 | 125 | 2120 | |
| 4.90 | 286 | 120 | 2100 | |
| 4.22 | 332 | 110 | 2030 | |
| 3.77 | 372 | 105 | 1970 | |
| F37R17 | |||||
|---|---|---|---|---|---|
| Пере | Час | Сту | Мак | До | |
| R37 | R17 | ||||
| 8193 | 0.17 | 3 | 3 | 200 | 4290 |
| 7064 | 0.20 | 3 | 3 | 200 | 4290 |
| 6585 | 0.21 | 3 | 3 | 200 | 4290 |
| 5756 | 0.24 | 3 | 3 | 200 | 4290 |
| 4963 | 0.28 | 3 | 3 | 200 | 4290 |
| 4434 | 0.32 | 3 | 3 | 200 | 4290 |
| 3875 | 0.36 | 3 | 3 | 200 | 4290 |
| 3392 | 0.41 | 3 | 3 | 200 | 4290 |
| 2965 | 0.47 | 3 | 3 | 200 | 4290 |
| 2587 | 0.54 | 3 | 3 | 200 | 4290 |
| 2284 | 0.61 | 3 | 3 | 200 | 4290 |
| 1997 | 0.70 | 3 | 3 | 200 | 4290 |
| 1929 | 0.73 | 2 | 3 | 200 | 4290 |
| 1742 | 0.80 | 3 | 3 | 200 | 4290 |
| 1679 | 0.83 | 2 | 3 | 200 | 4290 |
| 1550 | 0.90 | 2 | 3 | 200 | 4290 |
| 1545 | 0.91 | 3 | 3 | 200 | 4290 |
| 1370 | 1.0 | 3 | 2 | 200 | 4290 |
| 1356 | 1.0 | 2 | 3 | 200 | 4290 |
| 1198 | 1.2 | 3 | 2 | 200 | 4290 |
| 1180 | 1.2 | 2 | 3 | 200 | 4290 |
| 1047 | 1.3 | 3 | 2 | 200 | 4290 |
| 1044 | 1.3 | 2 | 3 | 200 | 4290 |
| 915 | 1.5 | 3 | 2 | 200 | 4290 |
| 914 | 1.5 | 2 | 3 | 200 | 4290 |
| 808 | 1.7 | 2 | 3 | 200 | 4290 |
| 807 | 1.7 | 3 | 2 | 200 | 4290 |
| 707 | 2.0 | 3 | 2 | 200 | 4290 |
| 698 | 2.0 | 2 | 3 | 200 | 4290 |
| 617 | 2.3 | 3 | 2 | 200 | 4290 |
| 616 | 2.3 | 2 | 3 | 200 | 4290 |
| 544 | 2.6 | 2 | 3 | 200 | 4290 |
| 538 | 2.6 | 3 | 2 | 200 | 4290 |
| 477 | 2.9 | 3 | 2 | 200 | 4290 |
| 466 | 3.0 | 2 | 3 | 200 | 4290 |
| 412 | 3.4 | 3 | 2 | 200 | 4290 |
| 411 | 3.4 | 2 | 3 | 200 | 4290 |
| 365 | 3.8 | 3 | 2 | 200 | 4290 |
| 364 | 3.8 | 2 | 3 | 200 | 4290 |
| 326 | 4.3 | 2 | 2 | 200 | 4290 |
| 322 | 4.3 | 3 | 2 | 200 | 4290 |
| 285 | 4.9 | 2 | 2 | 200 | 4290 |
| 278 | 5.0 | 3 | 2 | 200 | 4290 |
| 250 | 5.6 | 2 | 2 | 200 | 4290 |
| 242 | 5.8 | 3 | 2 | 200 | 4290 |
| 221 | 6.3 | 3 | 2 | 200 | 4290 |
| 219 | 6.4 | 2 | 2 | 200 | 4290 |
| 195 | 7.2 | 3 | 2 | 200 | 4290 |
| 186 | 7.5 | 2 | 2 | 200 | 4290 |
| 168 | 8.3 | 3 | 2 | 200 | 4290 |
| 167 | 8.4 | 2 | 2 | 200 | 4290 |
| 147 | 9.5 | 3 | 2 | 200 | 4290 |
| 145 | 9.7 | 2 | 2 | 200 | 4290 |
| 129 | 11 | 2 | 2 | 200 | 4290 |
| 127 | 11 | 3 | 2 | 200 | 4290 |
| 121 | 12 | 3 | 2 | 200 | 4290 |
| 118 | 12 | 2 | 2 | 200 | 4290 |
| 108 | 13 | 3 | 2 | 200 | 4290 |
| 98 | 14 | 2 | 2 | 200 | 4290 |
| 91 | 15 | 3 | 2 | 200 | 4290 |
| 87 | 16 | 2 | 2 | 200 | 4290 |
| Мощ | Час | Кру | Пере | До | Сер | Испол | Элек |
|---|---|---|---|---|---|---|---|
| 0,12 | 4.3 5.0 5.7 6.2 | 210 184 157 149 | 322 278 242 221 | 4130 4510 4810 4890 | 0.95 1.10 1.30 1.35 | FA FAF F FF | F37R17 D63S4 |
| 4.2 4.8 5.5 6.3 7.4 8.3 | 225 195 170 150 127 114 | 326 285 250 219 186 167 | 3890 4370 4670 4880 5080 5170 | 0.90 1.05 1.20 1.35 1.60 1.75 | FA FAF F FF | F37R17 D63S4 | |
| 7.0 7.6 9.0 10 11 | 164 150 128 110 103 | 128.51 117.88 100.36 86.53 80.65 | 4740 4880 5070 5190 5240 | 1.20 1.35 1.55 1.80 1.95 | FA FAF F FF | F37 D63M6 | |
| 11 12 14 16 17 20 21 24 25 27 29 31 36 38 44 49 58 | 107 98 83 72 67 59 55 48 45 43 39 36 32 30 26 23 20 | 128.51 117.88 100.36 86.53 80.65 70.50 66.09 58.32 54.54 51.70 47.02 43.83 38.31 35.91 31.69 28.09 23.88 | 5220 5270 5340 5400 5410 5440 5460 5470 5480 5490 5500 5500 5510 5520 5520 5520 5270 | 1.85 2.0 2.4 2.8 3.0 3.4 3.6 4.1 4.4 4.7 5.1 5.5 6.3 6.7 7.6 8.6 10 | FA FAF F FF | F37 D63S4 | |
| 58 67 72 81 87 96 107 125 132 154 186 205 228 265 282 327 | 20 17 16 14 13 12 11 9.2 8.7 7.4 6.2 5.6 5.0 4.3 4.1 3.5 | 23.63 20.57 19.27 17.03 15.81 14.33 12.87 11.08 10.42 8.97 7.44 6.74 6.05 5.21 4.90 4.22 | 5250 5030 4930 4740 4630 4490 4330 4130 4050 3860 3630 3510 3390 3230 3170 3020 | 10 12 13 14 15 17 19 21 21 24 23 25 27 29 29 31 | FA FAF F FF | F37 D63S4 | |
| 0,18 | 7.1 7.9 9.1 10 | 210 188 166 146 | 186 167 145 129 | 4160 4460 4720 4910 | 0.95 1.05 1.20 1.35 | FA FAF F FF | F37 R17 D63M4 |
| 7.4 8.7 10 11 12 | 235 198 171 159 139 | 117.88 100.36 86.53 80.65 70.50 | 3750 4320 4660 4790 4970 | 0.85 1.00 1.15 1.25 1.45 | FA FAF F FF | F37 D63L6 | |
| 10 11 13 15 16 19 20 23 24 26 28 30 34 37 42 47 55 | 167 154 131 113 105 92 86 76 71 67 61 57 50 47 41 37 31 | 128.51 117.88 100.36 86.53 80.65 70.50 66.09 58.32 54.54 51.70 47.02 43.83 38.31 35.91 31.69 28.09 23.88 | 4700 4850 5050 5180 5230 5300 5330 5380 5400 5410 5440 5450 5470 5480 5490 5500 5260 | 1.20 1.30 1.55 1.75 1.90 2.2 2.3 2.6 2.8 3.0 3.3 3.5 4.0 4.3 4.8 5.5 6.4 | FA FAF F FF | F37 D63M4 | |
| 56 64 69 78 83 92 103 119 127 147 178 196 218 253 269 313 | 31 27 25 22 21 19 17 14 14 12 9.7 8.8 7.9 6.8 6.4 5.5 | 23.63 20.57 19.27 17.03 15.81 14.33 12.87 11.08 10.42 8.97 7.44 6.74 6.05 5.21 4.90 4.22 | 5240 5030 4930 4740 4640 4500 4350 4150 4070 3880 3650 3540 3420 3260 3190 3040 | 6.5 7.5 8.0 9.0 9.7 11 12 13 14 15 15 16 17 18 19 20 | FA FAF F FF | F37 D63M4 | |
| 0,25 | 8.9 10 11 13 15 | 240 210 193 160 140 | 145 129 118 98 87 | 3640 4130 4390 4780 4970 | 0.85 0.95 1.05 1.25 1.45 | FA FAF F FF | F37 R17 D63L4 |
| 10 11 13 15 16 18 20 22 24 25 28 30 34 36 41 46 54 | 235 215 184 159 148 130 121 107 100 95 86 81 70 66 58 52 44 | 128.51 117.88 100.36 86.53 80.65 70.50 66.09 58.32 54.54 51.70 47.02 43.83 38.31 35.91 31.69 28.09 23.88 | 3690 4040 4500 4790 4900 5060 5120 5210 5260 5280 5330 5360 5400 5420 5450 5430 5180 | 0.85 0.90 1.10 1.25 1.35 1.55 1.65 1.85 2.0 2.1 2.3 2.5 2.8 3.0 3.4 3.9 4.6 | FA FAF F FF | F37 D63L4 | |
| 55 63 67 76 82 91 101 117 125 145 175 193 215 249 265 308 | 43 38 35 31 29 26 24 20 19 17 14 12 11 9.6 9.0 7.7 | 23.63 20.57 19.27 17.03 15.81 14.33 12.87 11.08 10.42 8.97 7.44 6.74 6.05 5.21 4.90 4.22 | 5170 4960 4870 4690 4590 4460 4320 4120 4050 3860 3630 3520 3410 3250 3190 3040 | 4.6 5.3 5.7 6.4 6.9 7.6 8.5 9.3 9.7 11 11 11 12 13 13 14 | FA FAF F FF | F37 D63L4 | |
| 0.37 | 16 17 20 21 24 25 27 29 31 36 38 44 49 58 | 220 205 181 169 149 140 132 120 112 98 92 81 72 61 | 86.53 80.65 70.50 66.09 58.32 54.54 51.70 47.02 43.83 38.31 35.91 31.69 28.09 23.88 | 3960 4200 4550 4680 4890 4970 5030 5120 5180 5270 5300 5300 5140 4930 | 090 0.95 1.10 1.20 1.35 1.45 1.50 1.65 1.80 2.0 2.2 2.5 2.8 3.3 | FA FAF F FF | F37 D71D4 |
| 58 67 72 81 87 96 107 125 132 154 186 205 228 265 282 327 | 61 53 49 44 41 37 33 28 27 23 19 17 16 13 13 11 | 23.63 20.57 19.27 17.03 15.81 14.33 12.87 11.08 10.42 8.97 7.44 6.74 6.05 5.21 4.90 4.22 | 4920 4740 4650 4500 4400 4280 4150 3970 3900 3730 3510 3410 3300 3150 3090 2950 | 3.3 3.8 4.1 4.6 4.9 5.4 6.1 6.7 6.9 7.6 7.6 8.1 8.7 9.4 9.6 10 | FA FAF F FF | F37 D71D4 | |
| 0.55 | 23 25 26 29 31 36 38 43 48 57 | 225 210 200 182 169 148 139 122 109 92 | 58.32 54.54 51.70 47.02 43.83 38.31 35.91 31.69 28.09 23.88 | 3890 4140 4300 4540 4680 4900 4980 4990 4870 4700 | 0.90 0.95 1.00 1.10 1.20 1.35 1.45 1.65 1.85 2.2 | FA FAF F FF | F37 D80K4 |
| 58 66 71 80 95 106 123 130 152 170 183 202 225 261 277 322 361 | 91 79 74 66 55 50 43 40 35 31 29 26 23 20 19 16 15 | 23.63 20.57 19.27 17.03 14.33 12.87 11.08 10.42 8.97 8.01 7.44 6.74 6.05 5.21 4.90 4.22 3.77 | 4690 4540 4470 4340 4150 4030 3870 3810 3650 3540 3440 3340 3240 3100 3050 2920 2820 | 2.2 2.5 2.7 3.0 3.6 4.0 4.4 4.6 5.1 5.5 5.1 5.4 5.8 6.2 6.3 6.8 7.2 | FA FAF F FF | F37 D80K4 | |
| 0.75 | 29 31 36 38 44 49 58 | 245 230 199 186 165 146 124 | 47.02 43.83 38.31 35.91 31.69 28.09 23.88 | 3530 3850 4310 4480 4620 4540 4410 | 0.80 0.90 1.00 1.05 1.20 1.35 1.60 | FA FAF F FF | F37 D80N4 |
| 58 67 72 81 96 107 125 132 154 205 228 265 282 327 366 | 123 107 100 88 74 67 58 54 47 35 31 27 25 22 20 | 23.63 20.57 19.27 17.03 14.33 12.87 11.08 10.42 8.97 6.74 6.05 5.21 4.90 4.22 3.77 | 4400 4290 4240 4130 3970 3870 3730 3680 3540 3250 3150 3030 2970 2850 2760 | 1.65 1.85 2.0 2.3 2.7 3.0 3.3 3.4 3.8 4.0 4.3 4.6 4.7 5.0 5.4 | FA FAF F FF | F37 D80N4 | |
| 1.1 | 44 50 59 | 240 210 179 | 31.69 28.09 23.88 | 3660 3970 3930 | 0.85 0.95 1.10 | FA FAF F FF | F37 D90S4 |
| 68 73 82 98 109 126 134 156 175 208 231 269 286 332 372 | 154 145 128 108 97 83 78 67 60 51 45 39 37 32 28 | 20.57 19.27 17.03 14.33 12.87 11.08 10.42 8.97 8.01 6.74 6.05 5.21 4.90 4.22 3.77 | 3870 3740 3780 3680 3610 3500 3460 3350 3260 3090 3010 2900 2860 2750 2670 | 1.30 1.40 1.55 1.85 2.1 2.3 2.4 2.6 2.8 2.8 3.0 3.2 3.3 3.5 3.7 | FA FAF F FF | F37 D90S4 | |
| 1.5 | 69 73 83 98 110 127 135 157 176 209 233 271 288 334 374 | 210 196 173 146 131 113 106 91 81 69 62 53 50 43 38 | 20.57 19.27 17.03 14.33 12.87 11.08 10.42 8.97 8.01 6.74 6.05 5.21 4.90 4.22 3.77 | 3410 3410 3400 3350 3310 3250 3220 3140 3080 2920 2850 2770 2730 2640 2570 | 0.95 1.00 1.15 1.35 1.55 1.70 1.75 1.90 2.1 2.0 2.2 2.4 2.4 2.6 2.7 | FA FAF F FF | F37 D90L4 |
| 2.2 | 98 110 127 135 157 176 209 233 271 288 334 374 | 215 192 165 155 134 119 100 90 78 73 63 56 | 14.33 12.87 11.08 10.42 8.97 8.01 6.74 6.05 5.21 4.90 4.22 3.77 | 2790 2810 2820 2810 2790 2770 2630 2590 2540 2520 2460 2400 | 0.95 1.05 1.15 1.20 1.30 1.40 1.40 1.50 1.60 1.65 1.75 1.85 | FA FAF F FF | F37 D100M4 |
| 3.0 | 126 134 156 175 208 231 269 286 332 372 | 225 215 184 164 138 124 107 100 86 77 | 11.08 10.42 8.97 8.01 6.74 6.05 5.21 4.90 4.22 3.77 | 2320 2350 2390 2410 2290 2300 2290 2280 2250 2220 | 0.85 0.85 0.95 1.05 1.00 1.10 1.15 1.20 1.25 1.35 | FA FAF F FF | F37 D100L4 |
Передаточное отношение 128.51
Частота вращения выходного вала, об/мин 11
Максимальный крутящий момент, Н*м 200
Допустимая радиальная нагрузка, Н 4290
AD AD1
