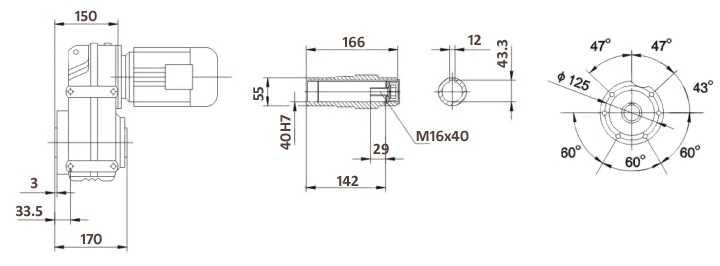
Цилиндрический мотор-редуктор F57 с плоским дизайном предназначен для длительной работы при как постоянной, так и переменной нагрузке. Максимальная мощность двигателя составляет 5,5 кВт. Этот агрегат доступен в пяти различных монтажных исполнениях. Он может быть установлен с использованием лап или фланца. Возможны варианты монтажа как на цельном, так и на полом валу.
F57 — лапы
FF57 — фланец
FA57 — полый вал
FA57B — лапы / полый вал
FAF57 — фланец / полый вал
FA57 — 83,46 — 17 — 0,37 — M1
FA — плоский мотор-редуктор с полым валом
57 — типоразмер
83,46 — передаточное число
17 — частота вращения выходного вала, об/мин
0,37 — мощность электродвигателя, кВт
M1 — вариант исполнения/способ монтажа
| Пе | Час | Мак | До | AD |
|---|---|---|---|---|
| 3-х ступенчатый | ||||
| 199.70 | 7.0 | 600 | 8200 | AD2 |
| 183.60 | 7.6 | 600 | 8200 | |
| 157.09 | 8.9 | 600 | 8200 | |
| 136.16 | 10 | 600 | 8200 | |
| 127.27 | 11 | 600 | 8200 | |
| 110.01 | 13 | 600 | 8200 | |
| 93.47 | 15 | 600 | 8200 | |
| 83.46 | 17 | 600 | 8200 | |
| 72.98 | 19 | 600 | 8200 | |
| 68.22 | 21 | 600 | 8200 | |
| 58.97 | 24 | 600 | 8200 | |
| 50.10 | 28 | 600 | 8200 | |
| 44.73 | 31 | 600 | 8200 | |
| 38.21 | 37 | 600 | 8200 | |
| 35.79 | 39 | 600 | 8200 | |
| 30.15 | 46 | 590 | 7650 | |
| 2-х ступенчатый | ||||
| 40.13 | 35 | 290 | 9710 | AD2 |
| 34.24 | 41 | 500 | 8670 | |
| 29.94 | 47 | 545 | 7890 | |
| 28.45 | 49 | 535 | 7760 | |
| 24.96 | 56 | 575 | 7060 | |
| 21.17 | 66 | 600 | 6350 | AD3 |
| 19.11 | 73 | 600 | 6020 | |
| 16.81 | 83 | 600 | 5620 | |
| 15.88 | 88 | 600 | 5450 | |
| 13.52 | 104 | 600 | 4980 | |
| 12.29 | 114 | 600 | 4710 | |
| 10.64 | 132 | 600 | 4320 | |
| 9.31 | 150 | 420 | 4760 | |
| 8.19 | 171 | 420 | 4450 | |
| 7.73 | 181 | 420 | 4310 | |
| 6.58 | 213 | 420 | 3940 | |
| 5.98 | 234 | 420 | 3730 | |
| 5.18 | 270 | 415 | 3460 | |
| F57R37 | |||||
|---|---|---|---|---|---|
| Пере | Час | Сту | Мак | До | |
| R57 | R37 | ||||
| 14832 | 0.09 | 3 | 3 | 600 | 8200 |
| 13604 | 0.10 | 3 | 3 | 600 | 8200 |
| 12602 | 0.11 | 3 | 3 | 600 | 8200 |
| 11252 | 0.12 | 3 | 3 | 600 | 8200 |
| 9986 | 0.14 | 3 | 3 | 600 | 8200 |
| 8787 | 0.16 | 3 | 3 | 600 | 8200 |
| 7908 | 0.18 | 3 | 3 | 600 | 8200 |
| 6913 | 0.20 | 3 | 3 | 600 | 8200 |
| 6030 | 0.23 | 3 | 3 | 600 | 8200 |
| 5289 | 0.26 | 3 | 3 | 600 | 8200 |
| 4654 | 0.30 | 3 | 3 | 600 | 8200 |
| 4060 | 0.34 | 3 | 3 | 600 | 8200 |
| 3564 | 0.39 | 3 | 3 | 600 | 8200 |
| 3161 | 0.44 | 3 | 3 | 600 | 8200 |
| 2854 | 0.49 | 2 | 3 | 600 | 8200 |
| 2737 | 0.51 | 3 | 3 | 600 | 8200 |
| 2576 | 0.54 | 2 | 3 | 600 | 8200 |
| 2409 | 0.58 | 3 | 3 | 600 | 8200 |
| 2266 | 0.62 | 2 | 3 | 600 | 8200 |
| 2131 | 0.66 | 3 | 3 | 600 | 8200 |
| 2012 | 0.70 | 2 | 3 | 600 | 8200 |
| 1840 | 0.76 | 3 | 3 | 600 | 8200 |
| 1791 | 0.78 | 2 | 3 | 600 | 8200 |
| 1623 | 0.86 | 3 | 2 | 600 | 8200 |
| 1617 | 0.87 | 2 | 2 | 600 | 8200 |
| 1439 | 0.97 | 3 | 3 | 600 | 8200 |
| 1422 | 0.98 | 2 | 2 | 600 | 8200 |
| 1243 | 1.1 | 2 | 3 | 600 | 8200 |
| 1238 | 1.1 | 3 | 3 | 600 | 8200 |
| 1106 | 1.3 | 3 | 2 | 600 | 8200 |
| 1066 | 1.3 | 2 | 2 | 600 | 8200 |
| 967 | 1.4 | 3 | 3 | 600 | 8200 |
| 949 | 1.5 | 2 | 3 | 600 | 8200 |
| 856 | 1.6 | 2 | 2 | 600 | 8200 |
| 851 | 1.6 | 3 | 3 | 600 | 8200 |
| 749 | 1.9 | 2 | 2 | 600 | 8200 |
| 738 | 1.9 | 3 | 3 | 600 | 8200 |
| 658 | 2.1 | 2 | 2 | 600 | 8200 |
| 646 | 2.2 | 3 | 2 | 600 | 8200 |
| 558 | 2.5 | 3 | 3 | 600 | 8200 |
| 549 | 2.6 | 2 | 2 | 600 | 8200 |
| 506 | 2.8 | 3 | 3 | 600 | 8200 |
| 483 | 2.9 | 2 | 2 | 600 | 8200 |
| 452 | 3.1 | 3 | 3 | 600 | 8200 |
| 426 | 3.3 | 2 | 2 | 600 | 8200 |
| 386 | 3.6 | 3 | 2 | 600 | 8200 |
| 382 | 3.7 | 2 | 2 | 600 | 8200 |
| 338 | 4.1 | 3 | 2 | 600 | 8200 |
| 330 | 4.2 | 2 | 2 | 600 | 8200 |
| 298 | 4.7 | 2 | 2 | 600 | 8200 |
| 298 | 4.7 | 2 | 2 | 600 | 8200 |
| 262 | 5.3 | 2 | 2 | 600 | 8200 |
| 255 | 5.5 | 3 | 2 | 600 | 8200 |
| 226 | 6.2 | 2 | 2 | 600 | 8200 |
| 226 | 6.2 | 2 | 2 | 600 | 8200 |
| 201 | 7.0 | 3 | 2 | 600 | 8200 |
| 200 | 7.0 | 2 | 2 | 600 | 8200 |
| 181 | 7.7 | 3 | 2 | 600 | 8200 |
| 170 | 8.2 | 2 | 2 | 600 | 8200 |
| 155 | 9.0 | 3 | 2 | 600 | 8200 |
| 152 | 9.2 | 2 | 2 | 600 | 8200 |
| 134 | 10 | 2 | 2 | 600 | 8200 |
| Мощ | Час | Кру | Пере | До | Сер | Испол | Элек |
|---|---|---|---|---|---|---|---|
| 0,12 | 1.4 1.6 1.9 2.1 2.5 2.7 3.0 | 655 585 500 435 370 330 285 | 967 851 738 646 558 506 452 | 5860 9320 9920 10400 10700 11000 11200 | 0.90 1.05 1.20 1.40 1.60 1.80 2.1 | FA FAF F FF | F57R37 D63S4 |
| 3.2 3.6 4.2 4.6 5.3 | 295 260 225 200 177 | 426 382 330 298 262 | 11200 11300 11500 11500 11500 | 2.0 2.3 2.7 3.0 3.4 | FA FAF F FF | F57R37 D63S4 | |
| 4.5 4.9 5.7 6.6 7.1 | 255 235 200 173 162 | 199.70 183.60 157.09 136.16 127.27 | 11400 11500 11500 11500 11500 | 2.4 2.6 3.0 3.5 3.7 | FA FAF F FF | F57 D63M6 | |
| 6.9 7.5 8.8 10 | 166 153 130 113 | 199.70 183.60 157.09 136.16 | 11500 11500 11500 11500 | 3.6 3.9 4.6 5.3 | FA FAF F FF | F57 D63S4 | |
| 0,18 | 2.4 2.6 2.9 3.4 3.9 | 615 550 485 415 360 | 558 506 452 386 338 | 9080 9560 10000 10500 10800 | 1.00 1.10 1.25 1.45 1.65 | FA FAF F FF | F57 R37 D63M4 |
| 3.1 3.5 4.0 4.4 5.0 5.8 6.6 | 485 430 370 335 295 250 215 | 426 382 330 298 262 226 200 | 10000 10400 10700 11000 11200 11400 11500 | 1.25 1.40 1.60 1.80 2.0 2.4 2.8 | FA FAF F FF | F57 R37 D63M4 | |
| 4.4 4.7 4.5 6.4 6.8 7.9 | 395 365 310 270 250 215 | 199.70 183.60 157.09 136.16 127.27 110.01 | 10600 10800 11100 11300 11400 11500 | 1.50 1.65 1.95 2.2 2.4 2.8 | FA FAF F FF | F57 D63L6 | |
| 6.6 7.2 8.4 9.7 10 | 260 240 205 177 166 | 199.70 183.60 157.09 136.16 127.27 | 11300 11500 11500 11500 11500 | 2.3 2.5 2.9 3.4 3.6 | FA FAF F FF | F57 D63M4 | |
| 0,25 | 3.4 3.8 5.1 | 605 525 400 | 386 338 255 | 9170 9740 10600 | 1.00 1.15 1.50 | FA FAF F FF | F57 R37 D63L4 |
| 3.4 3.9 4.4 5.0 5.8 6.5 7.7 | 625 535 485 425 360 320 270 | 382 330 298 262 226 200 170 | 8710 9680 10000 10400 10800 11000 11300 | 0.95 1.10 1.25 1.40 1.65 1.90 2.2 | FA FAF F FF | F57 R37 D63L4 | |
| 4.4 4.8 5.6 6.5 6.9 8.0 | 540 500 425 370 345 300 | 199.70 183.60 157.09 136.16 127.27 110.01 | 9630 9940 10400 10800 10900 11100 | 1.10 1.20 1.40 1.60 1.75 2.0 | FA FAF F FF | F57 D71D6 | |
| 6.5 7.1 8.3 9.6 10 12 | 365 335 290 250 235 200 | 199.70 183.60 157.09 136.16 127.27 110.01 | 10800 10900 11200 11400 11500 11500 | 1.65 1.80 2.1 2.4 2.6 3.0 | FA FAF F FF | F57 D63L4 | |
| 0.37 | 5.4 6.9 7.6 | 570 445 405 | 255 201 181 | 9420 10300 10500 | 1.05 1.35 1.50 | FA FAF F FF | F57 R37 D71D4 |
| 5.3 6.1 6.9 8.1 9.1 10 | 605 515 455 385 345 300 | 262 226 200 170 152 134 | 9170 9810 10200 10700 10900 11100 | 1.00 1.15 1.30 1.55 1.75 2.0 | FA FAF F FF | F57 D71D4 | |
| 5.7 6.6 7.1 8.2 | 615 535 500 430 | 157.09 136.16 127.27 110.01 | 9070 9680 9930 10400 | 0.95 1.10 1.20 1.40 | FA FAF F FF | F57 D80K6 | |
| 6.9 7.5 8.8 10 11 13 15 17 | 510 470 400 350 325 280 240 215 | 199.70 183.60 157.09 136.16 127.27 110.01 93.47 83.46 | 9850 10100 10600 10900 11000 11200 11500 11500 | 1.15 1.30 1.50 1.70 1.85 2.1 2.5 2.8 | FA FAF F FF | F57 D71D4 | |
| 0.55 | 8.7 10 11 12 15 16 19 20 23 | 605 525 490 425 360 320 280 265 230 | 157.09 136.16 127.27 110.01 93.47 83.46 72.98 68.22 58.97 | 9150 9750 9980 10400 10800 11000 11200 11300 11500 | 1.00 1.15 1.20 1.40 1.65 1.85 2.1 2.3 2.6 | FA FAF F FF | F57 D80K4 |
| 0.75 | 11 13 15 17 19 20 23 28 31 | 660 570 485 435 380 355 305 260 230 | 127.27 110.01 93.47 83.46 72.98 68.22 58.97 50.10 44.73 | 5290 9420 10000 10400 10700 10800 11100 11300 11400 | 0.90 1.05 1.25 1.40 1.60 1.70 1.95 2.3 2.6 | FA FAF F FF | 57 D80N4 |
| 1.1 | 17 19 21 24 28 31 37 39 46 | 625 550 510 440 375 335 285 270 225 | 83.46 72.98 68.22 58.97 50.10 44.73 38.21 35.79 30.15 | 8470 9590 9840 10300 10700 10700 10400 10200 9810 | 0.95 1.10 1.15 1.35 1.60 1.80 2.1 2.2 2.6 | FA FAF F FF | F57 D90S4 |
| 1.5 | 24 28 32 37 39 47 | 600 510 455 390 365 305 | 58.97 50.10 44.73 38.21 35.79 30.15 | 9210 9860 9990 9740 9620 9310 | 1.00 1.20 1.30 1.55 1.65 1.95 | FA FAF F FF | F57 D90L4 |
| 2.2 | 32 37 39 47 | 665 570 535 450 | 44.73 38.21 35.79 30.15 | 4480 8660 8620 8460 | 0.90 1.05 1.15 1.30 | FA FAF F FF | F57 D100M4 |
| 56 67 74 84 89 | 370 315 285 250 235 | 24.96 21.17 19.11 16.81 15.88 | 8240 8020 7870 7670 7580 | 1.55 1.90 2.1 2.4 2.5 | FA FAF F FF | F57 D100M4 | |
| 3.0 | 56 66 73 83 88 104 114 132 | 510 435 390 345 325 275 250 220 | 24.96 21.17 19.11 16.81 15.88 13.52 12.29 10.64 | 7440 7340 7260 7140 7080 6890 6780 6590 | 1.15 1.40 1.55 1.75 1.85 2.2 2.4 2.8 | FA FAF F FF | F57 D100L4 |
| 4.0 | 67 74 84 89 105 116 133 153 173 184 216 237 274 | 570 515 450 425 365 330 285 250 220 210 177 161 139 | 21.17 19.11 16.81 15.88 13.52 12.29 10.64 9.31 8.19 7.73 6.58 5.98 5.18 | 6490 6490 6450 6430 6340 6270 6150 5850 5730 5680 5510 5410 5250 | 1.05 1.15 1.35 1.40 1.65 1.80 2.1 1.70 1.90 2.0 2.4 2.6 3.0 | FA FAF F FF | F57 D112M4 |
| 5.5 | 85 90 106 116 134 175 185 217 239 276 | 620 585 495 450 390 300 285 240 220 190 | 16.81 15.88 13.52 12.29 10.64 8.19 7.73 6.58 5.98 5.18 | 5450 5480 5530 5530 5510 5190 5160 5070 5010 4900 | 0.95 1.05 1.20 1.35 1.55 1.40 1.50 1.75 1.90 2.2 | FA FAF F FF | F57 D132S4 |
Передаточное отношение 199.70
Частота вращения выходного вала, об/мин 7.0
Максимальный крутящий момент, Н*м 600
Допустимая радиальная нагрузка, Н 8200
AD AD2
