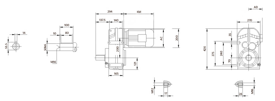
Мотор-редуктор F77 имеет компактный чугунный корпус и включает в себя асинхронный трехфазный электродвигатель. Максимальная мощность этого агрегата составляет 11 кВт. В зависимости от требований, мотор-редуктор может быть снабжен двумя или тремя передаточными ступенями, а также полым или цилиндрическим валом. Производитель данного устройства — компания SUPROR из Китая.
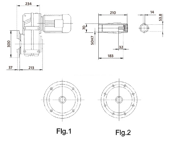
F77 — лапы
FF77 — фланец
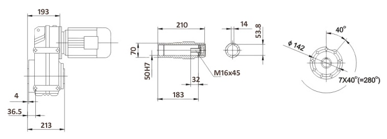
FA77 — полый вал
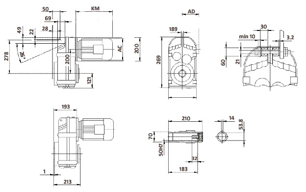
FA77B — лапы / полый вал
FAF77 — фланец / полый вал
FA77 — 710 — 1,8 — 0,25 — M3
FA — плоский мотор-редуктор с полым валом
77 — типоразмер
710 — передаточное число
1,8 — частота вращения выходного вала, об/мин
0,25 — мощность электродвигателя, кВт
M1 — вариант исполнения/способ монтажа
| Пе | Час | Мак | До | AD |
|---|---|---|---|---|
| 3-х ступенчатый | ||||
| 281.71 | 5.0 | 1500 | 15700 | AD2 |
| 262.93 | 5.3 | 1500 | 15700 | |
| 225.79 | 6.2 | 1500 | 15700 | |
| 198.31 | 7.1 | 1500 | 15700 | |
| 188.40 | 7.4 | 1500 | 15700 | |
| 166.47 | 8.4 | 1500 | 15700 | |
| 142.27 | 9.8 | 1500 | 15700 | |
| 130.42 | 11 | 1500 | 15700 | |
| 114.45 | 12 | 1500 | 15700 | |
| 108.46 | 13 | 1500 | 15700 | |
| 94.93 | 15 | 1500 | 15700 | |
| 85.52 | 16 | 1500 | 15700 | |
| 75.02 | 19 | 1500 | 15700 | |
| 72.50 | 19 | 1500 | 15700 | |
| 66.46 | 21 | 1500 | 15700 | |
| 58.32 | 24 | 1500 | 15700 | |
| 55.27 | 25 | 1500 | 15700 | |
| 48.37 | 29 | 1500 | 15700 | |
| 43.58 | 32 | 1500 | 15700 | AD3 |
| 38.23 | 37 | 1500 | 15700 | |
| 33.74 | 41 | 1500 | 15700 | |
| 29.91 | 47 | 1500 | 15700 | |
| 25.54 | 55 | 1450 | 16100 | |
| 2-х ступенчатый | ||||
| 36.58 | 38 | 1110 | 17900 | AD3 |
| 31.51 | 44 | 1380 | 16500 | |
| 28.75 | 49 | 1430 | 16200 | |
| 25.50 | 55 | 1500 | 15700 | AD4 |
| 21.43 | 65 | 1500 | 15700 | |
| 19.70 | 71 | 1500 | 15700 | |
| 17.49 | 80 | 1500 | 15700 | |
| 15.64 | 90 | 1500 | 15700 | |
| 14.06 | 100 | 1500 | 15700 | |
| 12.20 | 115 | 1500 | 14900 | |
| 10.93 | 128 | 1500 | 14200 | |
| 9.30 | 151 | 1080 | 13800 | |
| 8.26 | 169 | 1080 | 13100 | |
| 7.39 | 189 | 1080 | 12500 | |
| 6.64 | 211 | 1080 | 12000 | |
| 5.76 | 243 | 1080 | 11300 | |
| 5.16 | 271 | 1080 | 10700 | |
| 4.28 | 327 | 1010 | 10200 | |
| F77R37 | |||||
|---|---|---|---|---|---|
| Пере | Час | Сту | Мак | До | |
| R77 | R37 | ||||
| 19180 | 0.07 | 3 | 3 | 1500 | 15700 |
| 17593 | 0.08 | 3 | 3 | 1500 | 15700 |
| 16128 | 0.09 | 3 | 3 | 1500 | 15700 |
| 14978 | 0.09 | 3 | 3 | 1500 | 15700 |
| 13731 | 0.10 | 3 | 3 | 1500 | 15700 |
| 12049 | 0.12 | 3 | 3 | 1500 | 15700 |
| 11035 | 0.13 | 3 | 3 | 1500 | 15700 |
| 9683 | 0.14 | 3 | 3 | 1500 | 15700 |
| 8464 | 0.17 | 3 | 3 | 1500 | 15700 |
| 7520 | 0.19 | 3 | 3 | 1500 | 15700 |
| 6580 | 0.21 | 3 | 3 | 1500 | 15700 |
| 5808 | 0.24 | 3 | 3 | 1500 | 15700 |
| 5026 | 0.28 | 3 | 3 | 1500 | 15700 |
| 4931 | 0.28 | 2 | 3 | 1110 | 17900 |
| 4523 | 0.31 | 2 | 3 | 1110 | 17900 |
| 4435 | 0.32 | 3 | 3 | 1500 | 15700 |
| 3851 | 0.36 | 2 | 3 | 1110 | 17900 |
| 3832 | 0.37 | 3 | 3 | 1500 | 15700 |
| 3381 | 0.41 | 3 | 3 | 1500 | 15700 |
| 3320 | 0.42 | 2 | 3 | 1110 | 17900 |
| 3095 | 0.45 | 2 | 3 | 1110 | 17900 |
| 2978 | 0.47 | 3 | 3 | 1500 | 15700 |
| 2705 | 0.52 | 2 | 3 | 1110 | 17900 |
| 2613 | 0.54 | 3 | 3 | 1500 | 15700 |
| 2536 | 0.55 | 2 | 3 | 1110 | 17900 |
| 2284 | 0.61 | 3 | 3 | 1500 | 15700 |
| 2238 | 0.63 | 2 | 3 | 1110 | 17900 |
| 2039 | 0.69 | 2 | 3 | 1110 | 17900 |
| 2029 | 0.69 | 3 | 2 | 1500 | 15700 |
| 1759 | 0.80 | 2 | 3 | 1110 | 17900 |
| 1728 | 0.81 | 3 | 2 | 1500 | 15700 |
| 1639 | 0.85 | 2 | 3 | 1110 | 17900 |
| 1544 | 0.91 | 3 | 2 | 1500 | 15700 |
| 1433 | 0.98 | 2 | 3 | 1110 | 17900 |
| 1354 | 1.0 | 3 | 2 | 1500 | 15700 |
| 1343 | 1.0 | 2 | 3 | 1110 | 17900 |
| 1200 | 1.2 | 3 | 2 | 1500 | 15700 |
| 1185 | 1.2 | 2 | 3 | 1110 | 17900 |
| 1053 | 1.3 | 3 | 2 | 1500 | 15700 |
| 1051 | 1.3 | 2 | 3 | 1110 | 17900 |
| 910 | 1.5 | 3 | 2 | 1500 | 15700 |
| 893 | 1.6 | 2 | 3 | 1110 | 17900 |
| 815 | 1.7 | 2 | 2 | 1110 | 17900 |
| 810 | 1.7 | 3 | 2 | 1500 | 15700 |
| 710 | 2.0 | 3 | 2 | 1500 | 15700 |
| 706 | 2.0 | 2 | 2 | 1110 | 17900 |
| 660 | 2.1 | 2 | 2 | 1110 | 17900 |
| 615 | 2.3 | 3 | 2 | 1500 | 15700 |
| 571 | 2.5 | 2 | 2 | 1110 | 17900 |
| 538 | 2.6 | 3 | 2 | 1500 | 15700 |
| 485 | 2.9 | 2 | 2 | 1110 | 17900 |
| 480 | 2.9 | 3 | 2 | 1500 | 15700 |
| 433 | 3.2 | 2 | 2 | 1110 | 17900 |
| 413 | 3.4 | 3 | 2 | 1500 | 15700 |
| 370 | 3.8 | 2 | 2 | 1110 | 17900 |
| 367 | 3.8 | 3 | 2 | 1500 | 15700 |
| 346 | 4.0 | 2 | 2 | 1110 | 17900 |
| 323 | 4.3 | 3 | 2 | 1500 | 15700 |
| 292 | 4.8 | 2 | 2 | 1110 | 17900 |
| 280 | 5.0 | 3 | 2 | 1500 | 15700 |
| 247 | 5.7 | 3 | 2 | 1500 | 15700 |
| 221 | 6.3 | 3 | 2 | 1500 | 15700 |
| 199 | 7.0 | 3 | 2 | 1500 | 15700 |
| Мощ | Час | Кру | Пере | До | Сер | Испол | Элек |
|---|---|---|---|---|---|---|---|
| 0,12 | 0.53 0.60 0.68 | 1750 1520 1340 | 2613 2284 2029 | 13800 15600 16700 | 0.85 1.00 1.10 | FA FAF F FF | F77 R37D63S4 |
| 0.80 0.89 1.0 1.1 1.3 1.5 1.7 1.9 | 1130 1040 910 810 710 605 510 445 | 1728 1544 1354 1200 1053 910 810 710 | 17800 18200 18600 19000 19200 19500 19700 19800 | 1.35 1.45 1.65 1.85 2.1 2.5 2.9 3.4 | FF FA FAF F FF | F77 R37D63S4 | |
| 0,18 | 0.76 0.86 0.98 1.1 1.2 1.5 1.6 1.9 2.2 | 1880 1710 1500 1330 1170 1000 860 755 670 | 1728 1544 1354 1200 1053 910 810 710 615 | 7810 14100 15700 16800 17600 18300 18800 19100 19300 | 0.80 0.90 1.00 1.15 1.30 1.50 1.75 2.0 2.2 | FA FAF F FF | F77 R37 D63M4 |
| 3.1 3.3 3.8 | 555 520 445 | 281.71 262.93 225.79 | 19600 19700 19800 | 2.7 2.9 3.4 | FA FAF F FF | F77 D63L6 | |
| 0,25 | 1.2 1.4 1.6 1.8 2.1 2.4 2.7 3.2 | 1690 1450 1260 1110 970 850 760 645 | 1053 910 810 710 615 538 480 413 | 14300 16000 17100 17900 18400 18800 19100 19400 | 0.90 1.05 1.20 1.35 1.55 1.75 2.0 2.3 | FA FAF F FF | F77 R37 D63L4 |
| 3.1 3.3 3.9 4.4 4.7 | 765 715 615 540 510 | 281.71 262.93 225.79 198.31 188.40 | 19100 19200 19500 19600 19700 | 1.95 2.1 2.5 2.8 2.9 | FA FAF F FF | F77 D71D6 | |
| 0.37 | 1.7 1.9 2.2 2.6 2.9 3.3 3.8 4.3 | 1810 1590 1390 1210 1080 920 830 730 | 810 710 615 538 480 413 367 323 | 13300 15100 16400 17400 18000 18600 18900 19200 | 0.85 0.95 1.10 1.25 1.40 1.65 1.80 2.0 | FA FAF F FF | F77 R37 D71D4 |
| 4.0 4.5 4.8 5.4 6.3 | 890 780 740 655 560 | 225.79 198.31 188.40 166.47 142.27 | 18700 19100 19200 19400 19600 | 1.70 1.95 2.0 2.3 2.7 | FA FAF F FF | F77 D80K6 | |
| 4.9 5.2 6.1 7.0 | 720 675 580 510 | 281.71 262.93 225.79 198.31 | 19200 19300 19500 19700 | 2.1 2.2 2.6 3.0 | FA FAF F FF | F77 D71D4 | |
| 0.55 | 2.5 2.8 3.3 3.7 4.2 | 1860 1660 1420 1270 1120 | 538 480 413 367 323 | 9980 14600 16200 17100 17800 | 0.80 0.90 1.05 1.20 1.35 | FA FAF F FF | F77 D80K4 |
| 4.0 4.5 4.8 5.4 6.3 6.9 | 1320 1160 1100 970 830 760 | 225.79 198.31 188.40 166.47 142.27 130.42 | 16800 17600 17900 18400 18900 19100 | 1.15 1.30 1.35 1.55 1.80 1.95 | FA FAF F FF | F77 D80N6 | |
| 6.0 6.9 7.2 8.2 9.6 10 12 13 14 | 870 765 730 645 550 505 440 420 365 | 225.79 198.31 188.40 166.47 142.27 130.42 114.45 108.46 94.93 | 18800 19100 19200 19400 19600 19700 19800 19800 19900 | 1.70 1.95 2.1 2.3 2.7 3.0 3.4 3.6 4.1 | FA FAF F FF | F77 D80K4 | |
| 0.75 | 3.8 4.3 4.9 | 1720 1520 1310 | 367 323 280 | 14100 15600 16900 | 0.85 1.00 1.15 | FA FAF F FF | F77 D80N4 |
| 4.5 4.8 5.4 6.3 6.9 | 1580 1500 1320 1130 1040 | 198.31 188.40 166.47 142.27 130.42 | 15200 15700 16800 17800 18200 | 0.95 1.00 1.15 1.30 1.45 | FA FAF F FF | F77 D90S6 | |
| 6.1 7.0 7.3 | 1170 1030 980 | 225.79 198.31 188.40 | 17600 18200 18400 | 1.30 1.45 1.55 | FA FAF F FF | F77 D80N4 | |
| 8.3 9.7 11 12 13 | 860 740 675 595 565 | 166.47 142.27 130.42 114.45 108.46 | 18800 19200 19300 19500 19600 | 1.75 2.0 2.2 2.5 2.7 | FA FAF F FF | F77 D80N4 | |
| 1.1 | 7.1 7.4 8.4 9.8 | 1490 1410 1250 1070 | 198.31 188.40 166.47 142.27 | 15800 16300 17200 18000 | 1.00 1.05 1.20 1.40 | FA FAF F FF | F77 D90S4 |
| 11 12 13 15 16 19 | 980 860 810 710 640 565 | 130.42 114.45 108.46 94.93 85.52 75.02 | 18400 18800 18900 19200 19400 19600 | 1.55 1.75 1.85 2.1 2.3 2.7 | FA FAF F FF | F77 D90S4 | |
| 1.5 | 8.5 9.9 11 12 | 1690 1450 1320 1160 | 166.47 142.27 130.42 114.45 | 14300 16100 16800 17600 | 0.90 1.05 1.15 1.30 | FA FAF F FF | F77 D90L4 |
| 13 15 16 19 19 21 24 26 29 32 37 | 1100 960 870 760 735 675 595 560 490 445 390 | 108.46 94.93 85.52 75.02 72.50 66.46 58.32 55.27 48.37 43.58 38.23 | 17900 18400 18800 19100 19200 19300 19500 19600 19700 19800 19900 | 1.35 1.55 1.75 1.95 2.0 2.2 2.5 2.7 3.0 3.4 3.9 | FA FAF F FF | F77 D90L4 | |
| 39 45 | 370 320 | 36.58 31.51 | 19900 20000 | 3.0 4.3 | FA FAF F FF | F77 D90L4 | |
| 2.2 | 12 13 15 16 | 1710 1620 1410 1270 | 114.45 108.46 94.93 85.52 | 14200 14900 16300 17100 | 0.90 0.95 1.05 1.20 | FA FAF F FF | F77 D100M4 |
| 19 21 24 26 29 32 | 1120 990 870 820 720 650 | 75.02 66.46 58.32 55.27 48.37 43.58 | 17800 18300 18800 18900 19200 19400 | 1.35 1.50 1.75 1.80 2.1 2.3 | FA FAF F FF | F77 D100M4 | |
| 39 45 49 55 | 545 470 430 380 | 36.58 31.51 28.75 25.50 | 19600 19700 19800 19900 | 2.0 2.9 3.3 4.0 | FA FAF F FF | F77 D100M4 | |
| 3.0 | 16 19 21 24 | 1750 1540 1360 1190 | 85.52 75.02 66.46 58.32 | 13800 15500 16600 17500 | 0.85 1.00 1.10 1.25 | FA FAF F FF | F77 D100L4 |
| 25 29 32 37 | 1130 990 890 780 | 55.27 48.37 43.58 38.23 | 17800 18300 18700 19000 | 1.35 1.50 1.70 1.90 | FA FAF F FF | F77 D100L4 | |
| 38 44 59 55 65 | 750 645 590 520 440 | 36.58 31.51 28.75 25.50 21.43 | 19100 19400 19500 19700 19800 | 1.50 2.1 2.4 2.9 3.4 | FA FAF F FF | F77 D100L4 | |
| 4.0 | 21 24 26 29 | 1790 1570 1490 1300 | 66.46 58.32 55.27 48.37 | 13400 15200 15800 16900 | 0.85 0.95 1.00 1.15 | FA FAF F FF | F77 D112M4 |
| 33 37 42 47 56 | 1170 1030 910 800 685 | 43.58 38.23 33.74 29.91 25.54 | 17600 18200 18600 19000 19300 | 1.30 1.45 1.65 1.85 2.1 | FA FAF F FF | F77 D112M4 | |
| 45 49 56 66 72 | 850 775 685 575 530 | 31.51 28.75 25.50 21.43 19.70 | 18800 19100 19300 19500 19600 | 1.65 1.8 2.2 2.6 2.8 | FA FAF F FF | F77 D112M4 | |
| 5.5 | 30 33 37 42 48 56 | 1780 1600 1400 1240 1100 940 | 48.37 43.58 38.23 33.74 29.91 25.54 | 13500 15000 16300 17300 17900 18500 | 0.85 0.95 1.05 1.20 1.35 1.55 | FA FAF F FF | F77 D132S4 |
| 56 67 73 82 91 102 117 | 940 785 725 645 575 515 450 | 25.50 21.43 19.70 17.49 15.64 14.06 12.20 | 18500 19000 19200 19400 19600 19300 18600 | 1.60 1.90 2.1 2.3 2.6 2.9 3.3 | FA FAF F FF | F77 D132S4 | |
| 7.5 | 42 48 56 | 1690 1500 1280 | 33.74 29.91 25.54 | 14300 15700 17000 | 0.90 1.00 1.15 | FA FAF F FF | F77 D132M4 |
| 56 67 73 82 91 102 117 131 154 173 194 215 248 277 334 | 1280 1070 990 880 785 705 610 545 465 415 370 335 290 260 215 | 25.50 21.43 19.70 17.49 15.64 14.06 12.20 10.93 9.30 8.26 7.39 6.64 5.76 5.16 4.28 | 17100 18000 18400 18800 19000 18600 18000 17600 16500 16100 15700 15300 14800 14500 13800 | 1.15 1.40 1.50 1.70 1.90 2.1 2.5 2.7 2.3 2.6 2.9 3.2 3.7 4.2 4.7 | FA FAF F FF | F77 D132M4 | |
| 9.2 | 73 82 92 102 118 132 155 174 195 217 250 279 336 | 1200 1070 950 860 745 665 570 505 450 405 350 315 260 | 19.70 17.49 15.64 14.06 12.20 10.93 9.30 8.26 7.39 6.64 5.76 5.16 4.28 | 17400 18000 18300 18000 17500 17100 16000 15600 15300 15000 14500 14200 13600 | 1.25 1.40 1.55 1.75 2.0 2.2 1.90 2.1 2.4 2.7 3.1 3.4 3.9 | FA FAF F FF | F77 D132ML4 |
| 11 | 73 82 92 102 118 132 155 174 195 217 250 279 336 | 1440 1280 1140 1030 890 795 680 605 540 485 420 375 310 | 19.70 17.49 15.64 14.06 12.20 10.93 9.30 8.26 7.39 6.64 5.76 5.16 4.28 | 16100 17100 17600 17400 17000 16700 15500 15200 14900 14600 14200 13900 13300 | 1.05 1.20 1.30 1.45 1.70 1.90 1.60 1.80 2.0 2.2 2.6 2.9 3.2 | FA FAF F FF | F77 D160M4 |
Передаточное отношение 281.71
Частота вращения выходного вала, об/мин 5.0
Максимальный крутящий момент, Н*м 1500
Допустимая радиальная нагрузка, Н 15700
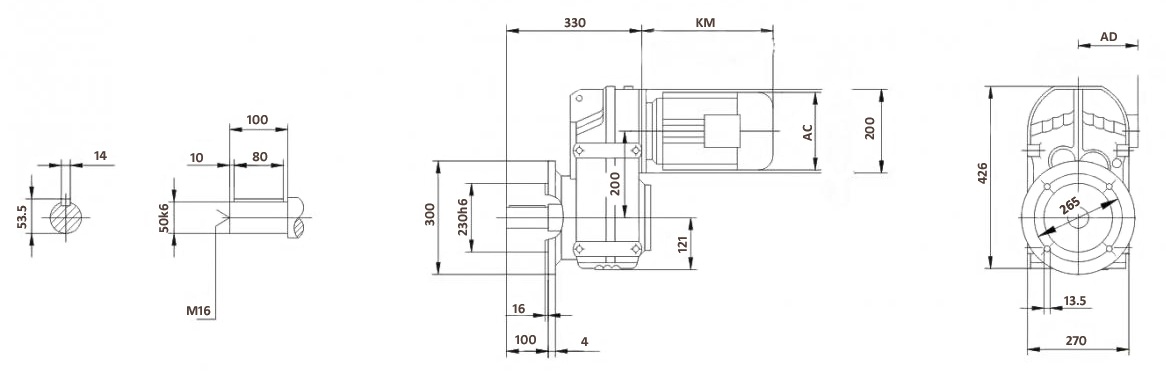
AD AD2
