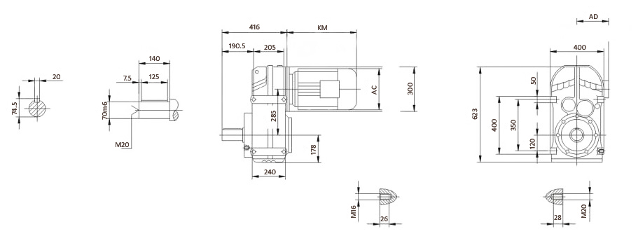
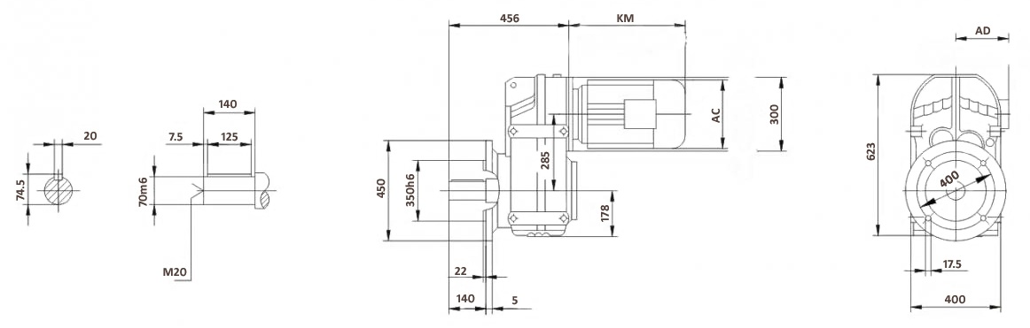
Мотор-редуктор F97 является компактным и надежным устройством. Он имеет небольшие габариты и высокую степень надежности. В его герметичный чугунный корпус помещены две передаточные ступени, с возможностью установки дополнительной ступени. Шестерни цилиндрических зубчатых передач подвергаются шлифовке, что позволяет снизить износ узлов в процессе эксплуатации. Мотор-редуктор F97 комплектуется асинхронным двигателем мощностью от 0,12 до 30 кВт.
F97 — лапы
FF97 — фланец
FA97 — полый вал
FA97B — лапы / полый вал
FAF97 — фланец / полый вал
FA97 — 2930 — 98 — 30 — M2
FA — плоский мотор-редуктор с полым валом
97 — типоразмер
2930 — передаточное число
98 — частота вращения выходного вала, об/мин
30 — мощность электродвигателя, кВт
M2 — вариант исполнения/способ монтажа
| Пе | Час | Мак | До | AD |
|---|---|---|---|---|
| 3-х ступенчатый | ||||
| 276.77 | 5.1 | 4300 | 29900 | AD3 |
| 253.41 | 5.5 | 4300 | 29900 | |
| 223.88 | 6.3 | 4300 | 29900 | |
| 189.92 | 7.4 | 4300 | 29900 | |
| 174.87 | 8.0 | 4300 | 29900 | |
| 156.30 | 9.0 | 4300 | 29900 | |
| 140.71 | 9.9 | 4300 | 29900 | |
| 127.42 | 11 | 4300 | 29900 | |
| 112.99 | 12 | 4300 | 29900 | |
| 102.16 | 14 | 4300 | 29900 | |
| 97.58 | 14 | 4300 | 29900 | |
| 89.85 | 16 | 4300 | 29900 | |
| 86.59 | 16 | 4300 | 29900 | |
| 80.31 | 17 | 4300 | 29900 | |
| 75.63 | 19 | 4300 | 29900 | |
| 72.29 | 19 | 4300 | 29900 | |
| 65.47 | 21 | 4300 | 29900 | AD4 |
| 58.06 | 24 | 4300 | 27200 | |
| 52.49 | 27 | 4300 | 25800 | |
| 44.49 | 31 | 4300 | 23600 | |
| 38.86 | 36 | 4300 | 21900 | |
| 32.50 | 43 | 4300 | 19800 | |
| 2-х ступенчатый | ||||
| 43.28 | 32 | 3070 | 27600 | AD4 |
| 36.64 | 38 | 3070 | 25500 | |
| 33.91 | 41 | 4300 | 20300 | AD5 |
| 30.39 | 46 | 4300 | 19000 | |
| 27.44 | 51 | 4300 | 17900 | |
| 24.92 | 56 | 4300 | 16800 | |
| 22.11 | 63 | 4300 | 15600 | |
| 20.07 | 70 | 4300 | 14600 | |
| 17.25 | 81 | 4300 | 13200 | |
| 15.06 | 93 | 4300 | 11900 | |
| 12.77 | 110 | 4300 | 10500 | AD6 |
| 11.16 | 125 | 4100 | 10000 | |
| 9.06 | 154 | 2360 | 13600 | |
| 8.22 | 170 | 2360 | 12800 | |
| 7.07 | 198 | 2360 | 11700 | |
| 6.17 | 227 | 2250 | 11200 | |
| 5.23 | 268 | 2150 | 10600 | |
| 4.57 | 306 | 2050 | 10100 | |
| F97R57 | |||||
|---|---|---|---|---|---|
| Пере | Час | Сту | Мак | До | |
| R97 | R57 | ||||
| 23042 | 0.05 | 3 | 3 | 4300 | 29900 |
| 26911 | 0.05 | 3 | 3 | 4300 | 29900 |
| 23814 | 0.06 | 3 | 3 | 4300 | 29900 |
| 20813 | 0.07 | 3 | 3 | 4300 | 29900 |
| 18119 | 0.08 | 3 | 3 | 4300 | 29900 |
| 15472 | 0.09 | 3 | 3 | 4300 | 29900 |
| 14022 | 0.10 | 3 | 3 | 4300 | 29900 |
| 12324 | 0.11 | 3 | 3 | 4300 | 29900 |
| 10838 | 0.13 | 3 | 3 | 4300 | 29900 |
| 9576 | 0.15 | 3 | 3 | 4300 | 29900 |
| 8318 | 0.17 | 3 | 3 | 4300 | 29900 |
| 7328 | 0.19 | 3 | 3 | 4300 | 29900 |
| 6469 | 0.22 | 3 | 3 | 4300 | 29900 |
| 6338 | 0.22 | 2 | 3 | 4300 | 29900 |
| 5680 | 0.25 | 2 | 3 | 4300 | 29900 |
| 5615 | 0.25 | 3 | 3 | 4300 | 29900 |
| 5016 | 0.28 | 2 | 3 | 4300 | 29900 |
| 4961 | 0.28 | 3 | 3 | 4300 | 29900 |
| 4367 | 0.32 | 2 | 3 | 4300 | 29900 |
| 4333 | 0.32 | 3 | 3 | 4300 | 29900 |
| 3914 | 0.36 | 2 | 3 | 4300 | 29900 |
| 3906 | 0.36 | 3 | 2 | 4300 | 29900 |
| 3357 | 0.42 | 2 | 3 | 4300 | 29900 |
| 3352 | 0.42 | 3 | 2 | 4300 | 29900 |
| 3009 | 0.47 | 2 | 3 | 4300 | 29900 |
| 2907 | 0.48 | 3 | 2 | 4300 | 29900 |
| 2553 | 0.55 | 3 | 2 | 4300 | 29900 |
| 2448 | 0.57 | 2 | 3 | 4300 | 29900 |
| 2245 | 0.62 | 3 | 2 | 4300 | 29900 |
| 2199 | 0.64 | 2 | 3 | 4300 | 29900 |
| 1971 | 0.71 | 2 | 3 | 4300 | 29900 |
| 1970 | 0.71 | 3 | 2 | 4300 | 29900 |
| 1741 | 0.80 | 2 | 3 | 4300 | 29900 |
| 1722 | 0.81 | 3 | 2 | 4300 | 29900 |
| 1527 | 0.92 | 3 | 2 | 4300 | 29900 |
| 1468 | 0.95 | 2 | 3 | 4300 | 29900 |
| 1327 | 1.1 | 3 | 2 | 4300 | 29900 |
| 1316 | 1.1 | 2 | 3 | 4300 | 29900 |
| 1189 | 1.2 | 2 | 3 | 4300 | 29900 |
| 1171 | 1.2 | 3 | 2 | 4300 | 29900 |
| 1023 | 1.4 | 2 | 3 | 4300 | 29900 |
| 1022 | 1.4 | 3 | 2 | 4300 | 29900 |
| 898 | 1.6 | 3 | 2 | 4300 | 29900 |
| 892 | 1.6 | 2 | 2 | 4300 | 29900 |
| 784 | 1.8 | 3 | 2 | 4300 | 29900 |
| 760 | 1.8 | 2 | 2 | 4300 | 29900 |
| 690 | 2.0 | 3 | 2 | 4300 | 29900 |
| 667 | 2.1 | 2 | 2 | 4300 | 29900 |
| 605 | 2.3 | 3 | 2 | 4300 | 29900 |
| 569 | 2.5 | 2 | 2 | 4300 | 29900 |
| 529 | 2.6 | 3 | 2 | 4300 | 29900 |
| 510 | 2.7 | 2 | 2 | 4300 | 29900 |
| 473 | 3.0 | 2 | 2 | 4300 | 29900 |
| 467 | 3.0 | 3 | 2 | 4300 | 29900 |
| 406 | 3.4 | 3 | 2 | 4300 | 29900 |
| 403 | 3.5 | 2 | 2 | 4300 | 29900 |
| 363 | 3.9 | 3 | 2 | 4300 | 29900 |
| 361 | 3.9 | 2 | 2 | 4300 | 29900 |
| 317 | 4.4 | 2 | 2 | 4300 | 29900 |
| 285 | 4.9 | 3 | 2 | 4300 | 29900 |
| 275 | 5.1 | 2 | 2 | 4300 | 29900 |
| 245 | 5.7 | 3 | 2 | 4300 | 29900 |
| 242 | 5.8 | 2 | 2 | 4300 | 29900 |
| 208 | 6.7 | 3 | 2 | 4300 | 29900 |
| 195 | 7.2 | 3 | 2 | 4300 | 29900 |
| Мощ | Час | Кру | Пере | До | Сер | Испол | Элек |
|---|---|---|---|---|---|---|---|
| 0,12 | 0.19 0.21 0.25 0.28 0.32 | 4800 4040 3680 3200 2800 | 7328 6469 5615 4961 4333 | 23100 30700 31600 32800 33800 | 0.90 1.05 1.15 1.35 1.55 | FA FAF F FF | F97 R57D63S4 |
| 0.35 0.41 0.47 0.54 | 2550 2210 1820 1670 | 3906 3352 2907 2553 | 34300 35000 35700 36000 | 1.70 1.95 2.4 2.6 | FA FAF F FF | F97 R57D63S4 | |
| 0,18 | 0.30 | 4660 | 4333 | 27900 | 0.90 | FA FAF F FF | F97 R57 D63M4 |
| 0.34 0.39 0.45 0.52 0.59 0.67 0.77 0.86 0.99 1.1 | 4260 3670 3100 2790 2450 2130 1890 1670 1380 1280 | 3906 3352 2907 2553 2245 1970 1722 1527 1327 1171 | 30000 31600 33100 33800 34500 35200 35600 36000 36500 36600 | 1.00 1.15 1.40 1.55 1.75 2.0 2.3 2.6 3.1 3.3 | FA FAF F FF | F97 R57 D63M4 | |
| 0,25 | 0.45 0.51 0.58 0.66 0.75 0.85 0.98 1.1 1.3 | 4530 4050 3560 3100 2740 2430 2040 1860 1630 | 2907 2553 2245 1970 1722 1527 1327 1171 1022 | 29200 30600 31900 33100 33900 34600 35300 35600 36100 | 0.95 1.05 1.20 1.40 1.55 1.75 2.1 2.3 2.6 | FA FAF F FF | F97 R57 D63L4 |
| 0.37 | 0.61 0.70 0.80 0.90 1.0 1.2 1.4 1.5 | 5070 4430 3900 3460 2930 2650 2310 1960 | 2245 1970 1722 1527 1327 1171 1022 898 | 5160 29500 31000 32200 33500 34100 34800 35500 | 0.85 0.95 1.10 1.25 1.45 1.60 1.85 2.2 | FA FAF F FF | F97 R57 D71D4 |
| 0.55 | 1.0 1.2 1.3 1.5 1.7 2.0 2.2 2.6 2.9 3.4 3.7 | 4530 4060 3550 3050 2690 2340 2060 1790 1580 1360 1220 | 1327 1171 1022 898 784 690 605 529 467 406 363 | 29200 30600 32000 33200 34000 34700 35300 35800 36100 36500 36700 | 0.95 1.05 1.20 1.40 1.60 1.85 2.1 2.4 2.7 3.2 3.5 | FA FAF F FF | F97 R57 D80K4 |
| 2.5 2.7 3.0 | 2140 1960 1730 | 276.77 253.41 223.88 | 35100 35500 35900 | 2.0 2.2 2.5 | FA FAF F FF | F97 D90L8 | |
| 0.75 | 1.4 1.5 1.8 2.0 2.3 2.6 3.0 3.4 3.8 | 4810 4150 3660 3190 2800 2440 2160 1860 1670 | 1022 898 784 690 605 529 467 406 363 | 22800 30300 31700 32900 33800 34500 35100 35600 36000 | 0.90 1.05 1.20 1.35 1.55 1.75 2.0 2.3 2.6 | FA FAF F FF | F97 R57 D80N4 |
| 2.5 2.7 3.1 | 2870 2630 2320 | 276.77 253.41 223.88 | 33600 34100 34800 | 1.50 1.65 1.85 | FA FAF F FF | F97 D100M8 | |
| 3.2 3.5 4.0 | 2200 2020 1780 | 276.77 253.41 223.88 | 35000 35400 35800 | 1.95 2.1 2.4 | FA FAF F FF | F97 D90S6 | |
| 1.1 | 2.0 2.3 2.7 3.0 3.5 3.8 | 4670 4100 3580 3160 2730 2450 | 690 605 529 467 406 363 | 27800 30500 31900 32900 33900 34500 | 0.90 1.05 1.20 1.35 1.55 1.75 | FA FAF F FF | F97 R57 D90S4 |
| 3.3 3.6 4.1 4.8 5.3 | 3160 2890 2560 2170 2000 | 276.77 253.41 223.88 189.92 174.87 | 32900 33600 34300 35100 35400 | 1.35 1.50 1.70 2.0 2.2 | FA FAF F FF | F97 D90L6 | |
| 5.1 5.5 6.2 | 2080 1900 1680 | 276.77 253.41 223.88 | 35200 35600 36000 | 2.1 2.3 2.6 | FA FAF F FF | F97 D90S4 | |
| 1.5 | 2.7 3.0 3.5 3.9 | 4880 4310 3730 3340 | 529 467 406 363 | 19800 29900 31500 32500 | 0.90 1.00 1.15 1.30 | FA FAF F FF | F97 R57 D90L4 |
| 3.3 3.6 4.1 4.8 5.3 | 4310 3950 3490 2960 2720 | 276.77 253.41 223.88 189.92 174.87 | 29900 30900 32100 33400 33900 | 1.00 1.10 1.25 1.45 1.60 | FA FAF F FF | F97 D100M6 | |
| 5.1 5.6 6.3 7.4 8.1 | 2810 2570 2270 1930 1780 | 276.77 253.41 223.88 189.92 174.87 | 33700 34300 34900 35500 35800 | 1.55 1.65 1.90 2.2 2.4 | FA FAF F FF | F97 D90L4 | |
| 2.2 | 3.9 4.9 5.8 | 4940 3890 3340 | 363 285 245 | 16500 31100 32500 | 0.85 1.10 1.30 | FA FAF F FF | F97 R57 D100M4 |
| 4.2 4.9 5.4 6.0 | 5000 4240 3910 3490 | 223.88 189.92 174.87 156.30 | 12400 30100 31000 32100 | 0.85 1.00 1.10 1.25 | FA FAF F FF | F97 D112M6 | |
| 5.1 5.6 6.3 7.4 8.1 9.0 10 11 | 4120 3780 3340 2830 2610 2330 2100 1900 | 276.77 253.41 223.88 189.92 174.87 156.30 140.71 127.42 | 30400 31400 32500 33700 34200 34800 35200 35600 | 1.05 1.15 1.30 1.50 1.65 1.85 2.0 2.3 | FA FAF F FF | F97 D100M4 | |
| 3.0 | 6.2 7.4 8.0 | 4580 3890 3580 | 223.88 189.92 174.87 | 29000 31100 31900 | 0.95 1.10 1.20 | FA FAF F FF | F97 D100L4 |
| 9.0 9.9 11 12 14 16 | 3200 2880 2610 2310 2090 1840 | 156.30 140.71 127.42 112.99 102.16 89.85 | 32800 33600 34200 34800 35200 35700 | 1.35 1.50 1.65 1.85 2.1 2.3 | FA FAF F FF | F97 D100L4 | |
| 4.0 | 8.1 9.1 10 11 | 4700 4200 3780 3430 | 174.87 156.30 140.71 127.42 | 26600 30200 31400 32300 | 0.90 1.00 1.15 1.25 | FA FAF F FF | F97 D112M4 |
| 13 14 15 16 18 20 22 | 3040 2750 2620 2420 2160 1940 1760 | 112.99 102.16 97.58 89.85 80.31 72.29 65.47 | 33200 33900 34100 34600 35100 35500 35800 | 1.40 1.55 1.65 1.80 2.0 2.2 2.4 | FA FAF F FF | F97 D112M4 | |
| 5.5 | 11 13 14 | 4680 4150 3750 | 127.42 112.99 102.16 | 27400 30300 31400 | 0.90 1.05 1.15 | FA FAF F FF | F97 D132S4 |
| 15 16 17 18 19 20 22 25 27 | 3580 3300 3180 2950 2780 2660 2400 2130 1930 | 97.58 89.85 86.59 80.31 75.63 72.29 65.47 58.06 52.49 | 31900 32600 32900 33400 33800 34100 34600 34500 33900 | 1.20 1.30 1.35 1.45 1.55 1.60 1.80 2.0 2.2 | FA FAF F FF | F97 D132S4 | |
| 7.5 | 15 16 17 18 19 20 | 4890 4500 4340 4020 3790 3620 | 97.58 89.85 86.59 80.31 75.63 72.29 | 19300 29300 29800 30700 31300 31800 | 0.90 0.95 1.00 1.05 1.15 1.20 | FA FAF F FF | F97 D132M4 |
| 22 25 27 32 37 44 | 3280 2910 2630 2230 1950 1630 | 65.47 58.06 52.49 44.49 38.86 32.50 | 32200 31800 31400 30600 29900 28900 | 1.30 1.50 1.65 1.95 2.2 2.6 | FA FAF F FF | F97 D132M4 | |
| 33 39 42 47 | 2170 1840 1700 1520 | 43.28 36.64 33.91 30.39 | 30500 29600 29200 28500 | 1.40 1.65 2.5 2.8 | FA FAF F FF | F97 D132M4 | |
| 9.2 | 18 19 20 22 25 | 4900 4610 4410 3990 3540 | 80.31 75.63 72.29 65.47 58.06 | 18700 28900 29600 29600 29500 | 0.90 0.95 0.95 1.10 1.20 | FA FAF F FF | F97 D132ML4 |
| 27 32 37 44 | 3200 2710 2370 1980 | 52.49 44.49 38.86 32.50 | 29300 28800 28400 27600 | 1.35 1.60 1.80 2.2 | FA FAF F FF | F97 D132ML4 | |
| 42 47 52 58 | 2070 1850 1670 1520 | 33.91 30.39 27.44 24.92 | 27800 27300 26800 26300 | 2.1 2.3 2.6 2.8 | FA FAF F FF | F97 D132ML4 | |
| 11 | 22 25 27 | 4780 4240 3830 | 65.47 58.06 52.49 | 24000 27100 27100 | 0.90 1.00 1.10 | FA FAF F FF | F97 D160M4 |
| 32 37 44 | 3250 2830 2370 | 44.49 38.86 32.50 | 27000 26700 26200 | 1.30 1.50 1.80 | FA FAF F FF | F97 D160M4 | |
| 42 47 52 58 65 | 2470 2220 2000 1820 1610 | 33.91 30.39 27.44 24.92 22.11 | 26400 26000 25600 25200 24700 | 1.75 1.95 2.2 2.4 2.7 | FA FAF F FF | F97 D160M4 | |
| 15 | 43 53 58 67 | 3320 2700 2470 2130 | 33.79 27.57 25.14 21.76 | 48500 46700 45900 44500 | 2.2 2.9 3.2 3.7 | FA FAF F FF | F97 D160L4 |
| 33 38 45 | 4360 3810 3190 | 44.49 38.86 32.50 | 22900 23100 23200 | 1.00 1.15 1.35 | FA FAF F FF | F97 D160L4 | |
| 43 48 53 59 66 73 85 97 114 131 | 3330 2980 2690 2450 2170 1970 1690 1480 1250 1100 | 33.91 30.39 27.44 24.92 22.11 20.07 17.25 15.06 12.77 11.16 | 23200 23200 23100 22900 22600 22400 21900 21400 20800 20200 | 1.30 1.45 1.60 1.75 2.0 2.2 2.5 2.9 3.4 3.7 | FA FAF F FF | F97 D160L4 | |
| 18.5 | 38 45 | 4690 3920 | 38.86 32.50 | 20000 20600 | 0.90 1.10 | FA FAF F FF | F97 D180M4 |
| 53 59 66 73 85 97 115 131 | 3310 3010 2670 2420 2080 1820 1540 1350 | 27.44 24.92 22.11 20.07 17.25 15.06 12.77 11.16 | 20900 20900 20900 20800 20500 20200 19800 19300 | 1.30 1.45 1.60 1.80 2.1 2.4 2.8 3.0 | FA FAF F FF | F97 D180M4 | |
| 22 | 53 59 66 73 85 97 115 131 | 3940 3570 3170 2880 2470 2160 1830 1600 | 27.44 24.92 22.11 20.07 17.25 15.06 12.77 11.16 | 18700 18900 19100 19200 19100 19000 18700 18400 | 1.10 1.20 1.35 1.50 1.75 2.0 2.3 2.6 | FA FAF F FF | F97 D180L4 |
| 30 | 66 73 85 98 115 132 162 179 208 238 281 321 | 4310 3910 3360 2930 2490 2180 1770 1600 1380 1200 1020 890 | 22.11 20.07 17.25 15.06 12.77 11.16 9.06 8.22 7.07 6.17 5.23 4.57 | 15100 15500 16000 16300 16400 16400 15400 15300 15100 14900 14600 14300 | 1.00 1.10 1.30 1.45 1.75 1.90 1.35 1.45 1.70 1.85 2.1 2.3 | FA FAF F FF | F97 D200L4 |
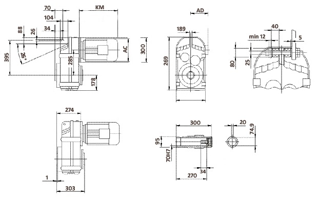
Передаточное отношение 276.77
Частота вращения выходного вала, об/мин 5.1
Максимальный крутящий момент, Н*м 4300
Допустимая радиальная нагрузка, Н 29900
AD AD3
